电脑桌面
添加小米粒文库到电脑桌面
安装后可以在桌面快捷访问

试验设计与数据处理作业----333333VIP免费

试验设计与数据处理作业----333333_第1页
1/9
试验设计与数据处理作业----333333_第2页
2/9
试验设计与数据处理作业----333333_第3页
3/9
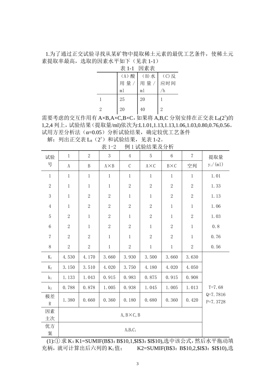
试验设计与数据处理题目正交实验方差分析法确定优方案学院名称化学化工学院指导教师范明舫班级化工081班学号20084540104学生姓名陈柏娥2011年04月20日1《实验设计与数据处理》课程的收获与体会《实验设计与数据处理》课程具有公式多、计算多、图表多等特点,涉及较多概率论基础知识,课程本身的繁杂性决定了理解和掌握起来难度较大。一开始的时候,我还有点担心这一门课会学不好,因为我的概率论和数理统计的知识基础薄弱,可能会对里面的内容产生难以理解的心理,有点感觉他是郁闷枯燥乏味的课程。不过,在老师的指导下我否认了之前的观点。这门课的安排很合理,从简单到复杂,由浅入深的思维发展规律,现将单因素试验、双因素试验、正交试验、均匀实验设计等常用实验设计方法及常规数据处理方法、再讲误差理论、方差分析、回归分析等数据处理的理论知识、最后讲得出的方差分析、回归分析等结论和处理方法直接应用到实验设计方法。老师也让我们先熟悉实验设计方法,并掌握常规数据处理方法,使我较早的感受到应用试验设计方法指导实践的“收获”,从而激发并维持学习兴趣。通过学习,我初步认识了这一门课。这门课是研究如何合理而有效地获得数据资料的方法。讨论如何合理安排实验、取得数据、然后进行综合的科学分析,从而达到尽快获得最优方案的目的,即实验的最优设计。实验设计方法是数据统计学的应用方法之一。一般的数据统计方法主要是对已获得的数据资料尽可能精确的判断。如果试验安排得好且分析得当,就能以较少的试验次数、较短的试验时间、较低的费用,得到较满意的实验结果;反之,如果试验安排的不得当,分析不得当,则试验次数增加,试验时间延长,浪费人力、物力、财力,难以达到预期的结果,甚至导致实验失败。通过这门课程的学习,是我对误差理论、方差分析、正交试验设计与应用、回归分析都有了一个很好的理解,并且将它们做了笔记。比如方差分析的理解:方差分析市实验设计中的重要分析方法,应用非常广泛,它是将不同因素,不同水平组合下的实验数据作为不同总体的样本数据,进行统计分析,找出对实验结果影响大的因素及其影响程度。对于单因素试验的数据进行统计分析,找出对试验指标影响大的因素及其影响程度。对于单因素试验的方差分析,主要步骤如下:1,建立线性统计模型,提出需要检验的假设。2,总离差平方和的分析与计算。3,统计分析,列出方差分析表。对于双因素试验的方差分析,分为两种,一种无交互作用的方差分析,另一种有交互作用的方差分析,对于这两种类型分别有各自的设计方法,但是总体步骤都和单因素试验的方差分析一样。我们又通过正交试验设计合理安排实验,他是尽快有效的获得最优方案的一种设计方法。了解了他是避免做全面试验,再多因素多水平实验中选择最有代表性的搭配。否则花费时间过长,人力,物力,财力消耗太多。尤其是一些长周期、高费用或破坏性试验,更不要做全面性试验。我觉得学习了这门课我得到了很大的收获,特别是在分析方面。我学习到的科学方法相对于以前高中学到的观点有了很大的进步,扩展了我认识的视野。而且从这一门课程中,最大的乐趣就是他很多都能应用到实践中。在实验的课程中能和同学们一起发现问题和解决问题,更加深了我对这门课的认识。21.为了通过正交试验寻找从某矿物中提取稀土元素的最优工艺条件,使稀土元素提取率最高,选取的因素水平如下(见表1-1)表1-1因素表(A)酸用量/ml(B)水用量/ml(C)反应时间/h125201220402需要考虑的交互作用有A×B,A×C,B×C,如果将A,B,C分别安排在正交表L8(27)的1,2,4列上,试验结果(提取量/ml)依次为:L1.01,1.13,1.13,1.06,1.03,0.80,0.76,0.56。试用方差分析法(α=0.05)分析试验结果,确定较优工艺条件解:列出正交表L8(27)和试验结果,见表1-2。表1-2例1试验结果及分析试验号1234567提取量yi/(ml)ABA×BCA×CB×C空列111111111.01211122221.33312211221.13412222111.06521212121.03621221210.8722112210.76822121120.56K14.5304.1703.6603.9303.5003.6603.630T=7.68Q=7.7816P=7.3728K23.1503.5104.0203.7504.1804.0204.050k11.1331.0430.9150.9830.875...

1、当您付费下载文档后,您只拥有了使用权限,并不意味着购买了版权,文档只能用于自身使用,不得用于其他商业用途(如 [转卖]进行直接盈利或[编辑后售卖]进行间接盈利)。
2、本站所有内容均由合作方或网友上传,本站不对文档的完整性、权威性及其观点立场正确性做任何保证或承诺!文档内容仅供研究参考,付费前请自行鉴别。
3、如文档内容存在违规,或者侵犯商业秘密、侵犯著作权等,请点击“违规举报”。

碎片内容

试验设计与数据处理作业----333333

您可能关注的文档

确认删除?
VIP
微信客服
  • 扫码咨询
会员Q群
  • 会员专属群点击这里加入QQ群
客服邮箱
回到顶部