电脑桌面
添加小米粒文库到电脑桌面
安装后可以在桌面快捷访问

高强度螺栓连接副施工质量检查记录表VIP专享VIP免费

高强度螺栓连接副施工质量检查记录表_第1页
1/9
高强度螺栓连接副施工质量检查记录表_第2页
2/9
高强度螺栓连接副施工质量检查记录表_第3页
3/9
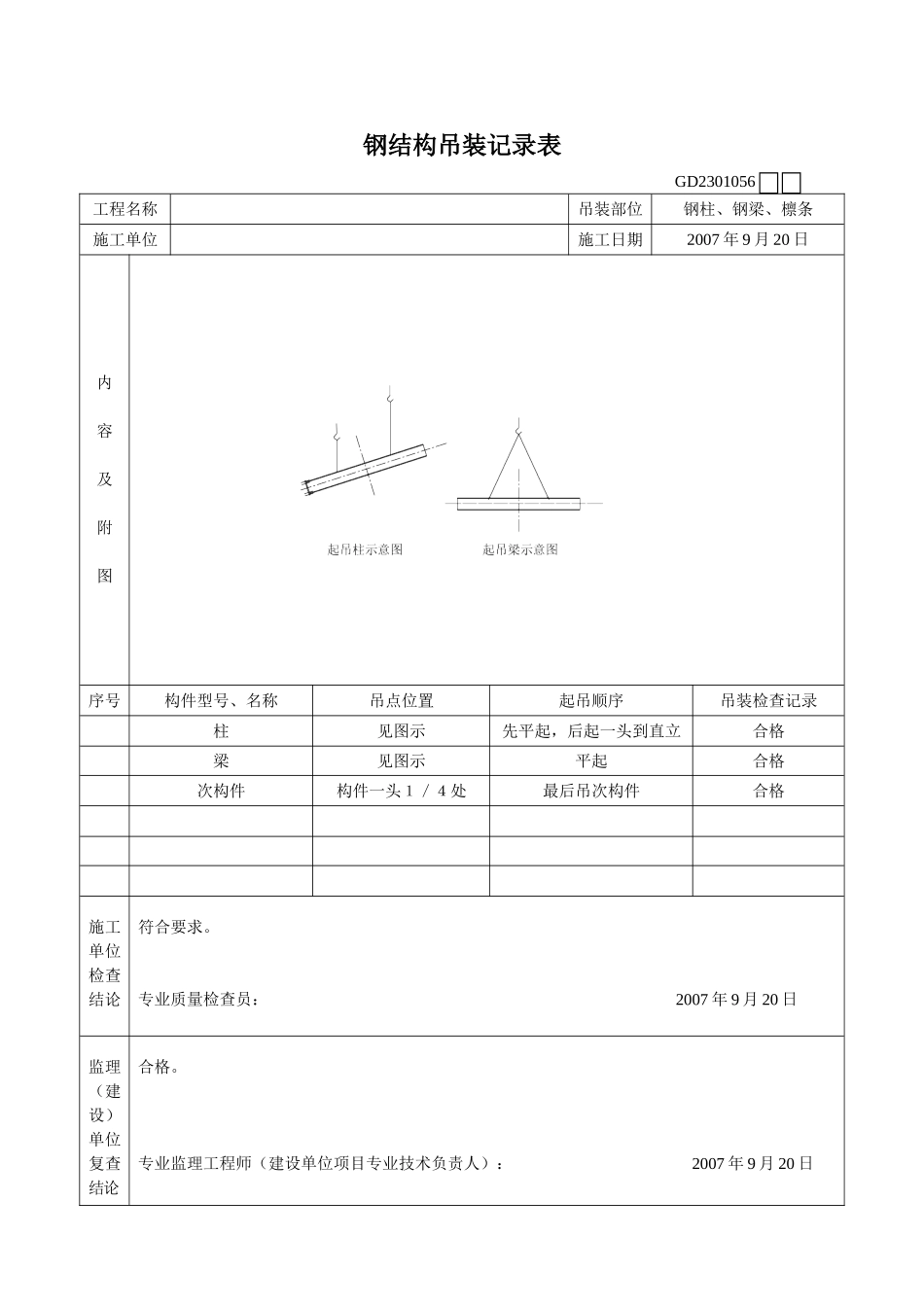
高强度螺栓连接副施工质量检查记录表单位(子单位)工程名称检查部位螺栓连接序号构件编号初拧值(N.m)终拧值(N.m)设计预拉力(KN)检验扭矩(N.m)测定扭矩(N.m)螺栓方向外露丝扣(扣)螺栓自由度外观质量监理检查意见1221442275440442顺时2√合格2221442290444442顺时2√合格3221442285440442顺时3√合格4221442285440442顺时2√合格5221442260438442顺时2√合格6221442270440442顺时2√合格7221442285439442顺时2√合格8221442280448442顺时2√合格9221442290438442顺时3√合格10221442265441442顺时2√合格11221442270446442顺时3√合格12221442270440442顺时3√合格131415构件名称、高强螺栓编号及附图:钢梁、钢柱及其连接件,编号见本表,附图如下:`检查结论:符合要求。检查日期:2007年11月25日检查人员项目专业质量检查员专业监理工程师(建设单位项目专业技术负责人)钢结构吊装记录表GD2301056工程名称吊装部位钢柱、钢梁、檩条施工单位施工日期2007年9月20日内容及附图序号构件型号、名称吊点位置起吊顺序吊装检查记录柱见图示先平起,后起一头到直立合格梁见图示平起合格次构件构件一头1/4处最后吊次构件合格施工单位检查结论符合要求。专业质量检查员:2007年9月20日监理(建设)单位复查结论合格。专业监理工程师(建设单位项目专业技术负责人):2007年9月20日钢结构吊装记录表GD2301056工程名称吊装部位钢柱、钢梁、檩条施工单位施工日期2007年9月22日内容及附图序号构件型号、名称吊点位置起吊顺序吊装检查记录柱见图示先平起,后起一头到直立合格梁见图示平起合格次构件构件一头1/4处最后吊次构件合格施工单位检查结论符合要求。专业质量检查员:2007年9月22日监理(建设)单位复查结论合格。专业监理工程师(建设单位项目专业技术负责人):2007年9月22日钢结构吊装记录表GD2301056工程名称吊装部位钢柱、钢梁、檩条施工单位施工日期2007年9月25日内容及附图序号构件型号、名称吊点位置起吊顺序吊装检查记录柱见图示先平起,后起一头到直立合格梁见图示平起合格次构件构件一头1/4处最后吊次构件合格施工单位检查结论符合要求。专业质量检查员:2007年9月25日监理(建设)单位复查结论合格。专业监理工程师(建设单位项目专业技术负责人):2007年9月25日钢结构吊装记录表GD2301056工程名称吊装部位钢柱、钢梁、檩条施工单位施工日期2007年9月26日内容及附图序号构件型号、名称吊点位置起吊顺序吊装检查记录柱见图示先平起,后起一头到直立合格梁见图示平起合格次构件构件一头1/4处最后吊次构件合格施工单位检查结论符合要求。专业质量检查员:2007年9月26日监理(建设)单位复查结论合格。专业监理工程师(建设单位项目专业技术负责人):2007年9月26日钢结构吊装记录表GD2301056工程名称吊装部位屋架施工单位施工日期2007年10月11日内容及附图序号构件型号、名称吊点位置起吊顺序吊装检查记录柱见图示先平起,后起一头到直立合格梁见图示平起合格次构件构件一头1/4处最后吊次构件合格施工单位检查结论符合要求。专业质量检查员:2007年10月11日监理(建设)单位复查结论合格。专业监理工程师(建设单位项目专业技术负责人):2007年10月11日焊缝外观检查记录单位(子单位)工程名称分部(子单位)工程名称钢结构验收部位一层钢结构施工单位项目经理施显胜施工质量验收规范的规定施工单位检查评定记录验收记录项目允许偏差(注:t为连续处较薄的板厚)mm缺陷类型二级三级未焊满(指不足设计要求)≤0.2+0.02t,且≤1.0≤0.2+0.04t,且≤2.00.150.10.150.130.120.150.130.250.150.12合格每100.0焊缝内缺陷总长≤25.0符合符合符合符合符合符合符合符合符合符合合格根部收缩≤0.2+0.02t,且≤1.0≤0.2+0.04t,且≤2.00.130.20.10.110.130.130.050.10.150.1合格长度不限合格咬边≤0.05t,且≤0.5;连续长度≤100.0,且焊缝两侧咬边总长度≤10焊缝总长≤0.1t0.030.030.050.010.020.050.030.010.050.01合格弧坑裂纹――允许存在个别长度≤5.0的弧坑裂纹无无无无无无无无无无合格电弧擦伤――允许存在个别电弧擦伤无无无无无无无无无无合格接头不良缺口...

1、当您付费下载文档后,您只拥有了使用权限,并不意味着购买了版权,文档只能用于自身使用,不得用于其他商业用途(如 [转卖]进行直接盈利或[编辑后售卖]进行间接盈利)。
2、本站所有内容均由合作方或网友上传,本站不对文档的完整性、权威性及其观点立场正确性做任何保证或承诺!文档内容仅供研究参考,付费前请自行鉴别。
3、如文档内容存在违规,或者侵犯商业秘密、侵犯著作权等,请点击“违规举报”。

碎片内容

高强度螺栓连接副施工质量检查记录表

确认删除?
VIP
微信客服
  • 扫码咨询
会员Q群
  • 会员专属群点击这里加入QQ群
客服邮箱
回到顶部