电脑桌面
添加小米粒文库到电脑桌面
安装后可以在桌面快捷访问

第二部题型研究二题型专练VIP免费

第二部题型研究二题型专练_第1页
1/7
第二部题型研究二题型专练_第2页
2/7
第二部题型研究二题型专练_第3页
3/7
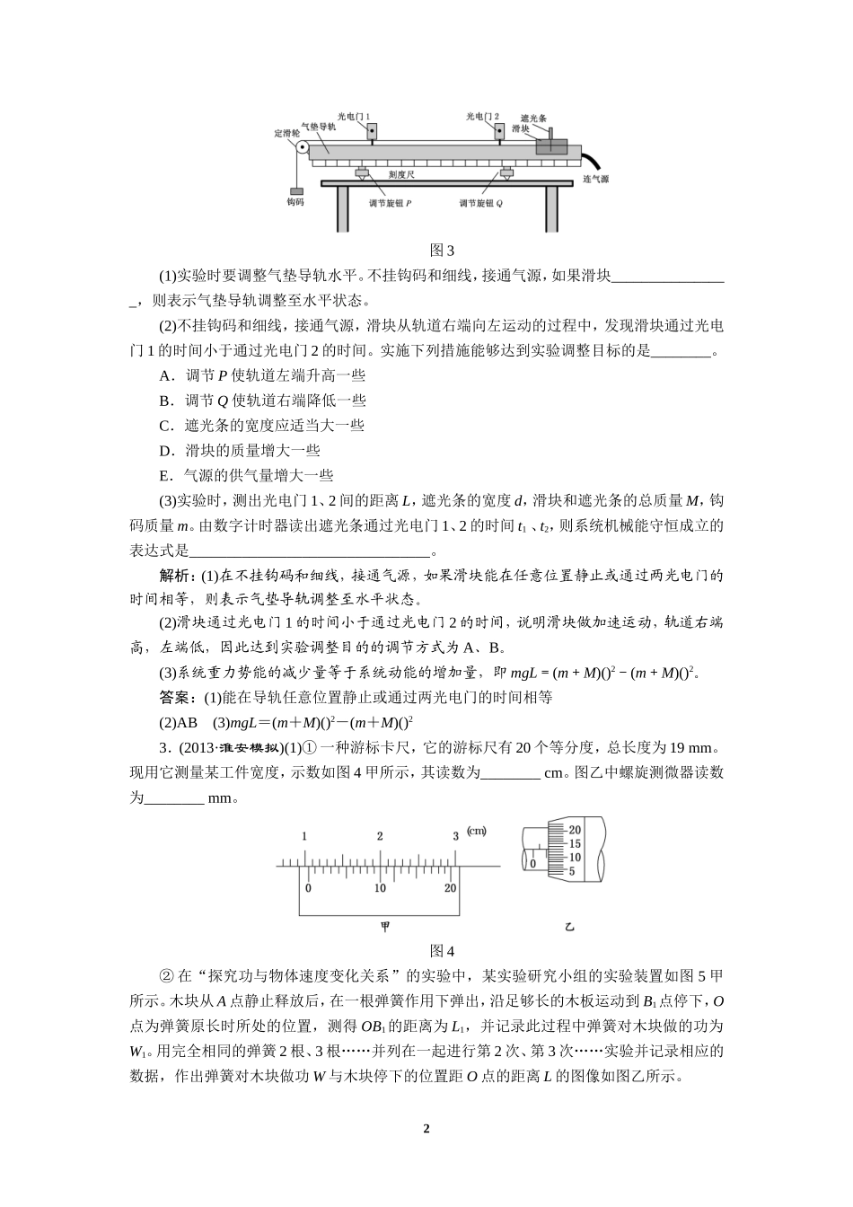
1.(2013·济南模拟)用图1所示的装置做“验证牛顿第二定律”的实验。图1(1)为了消除长木板与小车间摩擦力对实验的影响,必须在长木板远离滑轮的一端下面垫一块薄木板,反复移动薄木板的位置,直至不挂沙桶时小车能在长木板上做________运动。(2)挂上沙桶后,某同学只改变小车的质量进行测量。他根据实验得到的几组数据作出图2甲所示的am图像,请根据图甲在图乙中作出a图像。图2(3)根据图乙,可判断本次实验中小车受到的合外力大小为________N。解析:(1)要消除小车所受摩擦力的影响,在不挂沙桶时小车应能在长木板上做匀速直线运动。(2)a图像如图所示。(3)由F=ma得a=·F,故a图像的斜率即为小车所受合外力,由图可得:F=k=N=0.06N。答案:(1)匀速直线(2)见解析图(3)0.062.(2013·南京模拟)某同学利用如图3所示的气垫导轨装置验证机械能守恒定律。在气垫导轨上安装了两光电门1、2,滑块上固定一遮光条,滑块用细线绕过定滑轮与钩码相连。1图3(1)实验时要调整气垫导轨水平。不挂钩码和细线,接通气源,如果滑块________________,则表示气垫导轨调整至水平状态。(2)不挂钩码和细线,接通气源,滑块从轨道右端向左运动的过程中,发现滑块通过光电门1的时间小于通过光电门2的时间。实施下列措施能够达到实验调整目标的是________。A.调节P使轨道左端升高一些B.调节Q使轨道右端降低一些C.遮光条的宽度应适当大一些D.滑块的质量增大一些E.气源的供气量增大一些(3)实验时,测出光电门1、2间的距离L,遮光条的宽度d,滑块和遮光条的总质量M,钩码质量m。由数字计时器读出遮光条通过光电门1、2的时间t1、t2,则系统机械能守恒成立的表达式是________________________________。解析:(1)在不挂钩码和细线,接通气源,如果滑块能在任意位置静止或通过两光电门的时间相等,则表示气垫导轨调整至水平状态。(2)滑块通过光电门1的时间小于通过光电门2的时间,说明滑块做加速运动,轨道右端高,左端低,因此达到实验调整目的的调节方式为A、B。(3)系统重力势能的减少量等于系统动能的增加量,即mgL=(m+M)()2-(m+M)()2。答案:(1)能在导轨任意位置静止或通过两光电门的时间相等(2)AB(3)mgL=(m+M)()2-(m+M)()23.(2013·淮安模拟)(1)①一种游标卡尺,它的游标尺有20个等分度,总长度为19mm。现用它测量某工件宽度,示数如图4甲所示,其读数为________cm。图乙中螺旋测微器读数为________mm。图4②在“探究功与物体速度变化关系”的实验中,某实验研究小组的实验装置如图5甲所示。木块从A点静止释放后,在一根弹簧作用下弹出,沿足够长的木板运动到B1点停下,O点为弹簧原长时所处的位置,测得OB1的距离为L1,并记录此过程中弹簧对木块做的功为W1。用完全相同的弹簧2根、3根……并列在一起进行第2次、第3次……实验并记录相应的数据,作出弹簧对木块做功W与木块停下的位置距O点的距离L的图像如图乙所示。2图5请回答下列问题:(ⅰ)WL图线为什么不通过原点?________________________________________________________________________。(ⅱ)弹簧被压缩的长度LOA=________cm。(2)有一被测电压表V1量程3V,内阻RV约为3kΩ,现要较为准确的测量其阻值,除了该电压表外,实验室还配有下列器材。A.电流表A1:量程3A,内阻约0.02ΩB.电压表V:量程50V,内阻约100kΩC.滑动变阻器R:阻值约0~2kΩD.电阻箱R′:0~9999.9ΩE.电源:电动势约5V,内阻不计F.单刀单掷开关1个,导线若干①请在虚线框中画出测RV的原理图。②写出RV的表达式(用某些电表的测量值、已知量表示),并指明测量值是哪些仪器的示数。(ⅰ)RV=________________;(ⅱ)________________。解析:(1)①游标卡尺读数为10mm+0.05mm×10=10.50mm=1.050cm。螺旋测微器读数为1mm+0.01mm×13.0=1.130mm。②(ⅰ)由于弹簧对木块所做的功W应等于木块克服摩擦力做的功,即W=Ff(L+LOA),所以WL图线不过原点。(ⅱ)由图可知,W1=Ff(6+LOA),5W1=Ff(42+LOA),可解得:LOA=3cm。(2)①电压表V,量程为50V,电流表A1,量程为3A,量程太大,因此均不可直接应用,设计电路如下:②(ⅰ)由E=U1+·R1,E=U2+·R2可得:RV=(ⅱ...

1、当您付费下载文档后,您只拥有了使用权限,并不意味着购买了版权,文档只能用于自身使用,不得用于其他商业用途(如 [转卖]进行直接盈利或[编辑后售卖]进行间接盈利)。
2、本站所有内容均由合作方或网友上传,本站不对文档的完整性、权威性及其观点立场正确性做任何保证或承诺!文档内容仅供研究参考,付费前请自行鉴别。
3、如文档内容存在违规,或者侵犯商业秘密、侵犯著作权等,请点击“违规举报”。

碎片内容

第二部题型研究二题型专练

您可能关注的文档

百万精品文库+ 关注
实名认证
内容提供者

学习课件教案小学中学资料大全

确认删除?
VIP
微信客服
  • 扫码咨询
会员Q群
  • 会员专属群点击这里加入QQ群
客服邮箱
回到顶部