电脑桌面
添加小米粒文库到电脑桌面
安装后可以在桌面快捷访问

四川省理上学期期中试卷VIP专享VIP免费

四川省理上学期期中试卷_第1页
1/11
四川省理上学期期中试卷_第2页
2/11
四川省理上学期期中试卷_第3页
3/11
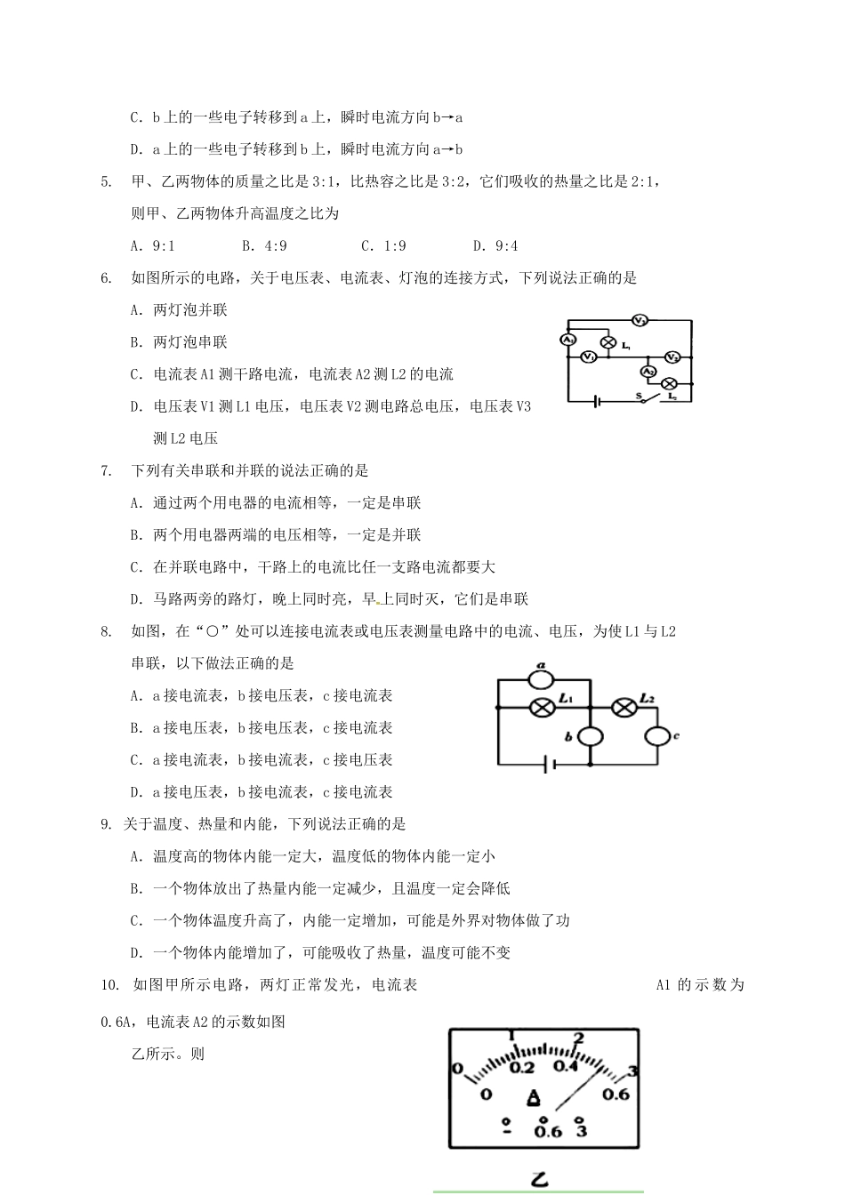
四川省2020届九年级物理上学期期中试题(总分:70分时间:70分钟)一、选择题(1-8题单选每小题2分,9-10多选,全部选对3分,部分选对2分,有选错的0分,共22分)1.关于分子动理论下列说法正确的是A.打扫教室,看到灰尘飞舞说明分子在永不停息地做无规则运动B.打开香水瓶满屋子能闻到香气,说明分子在永不停息地做无规则运动C.酒精和水混合体积减小的实验说明分子间有引力D.堆在墙角的煤会使墙体内部发黑说明分子间有引力2.关于物体内能和机械能说法正确的是A.一切物体都具有内能和机械能B.机械能为零的物体内能一定为零C.0℃的冰没有内能D.机械能是物体外部宏观表现,内能是物体内部所有分子动能与势能的总和3.如图是汽油机工作时的四个冲程,下列说法正确的是A.该车内燃机的四个冲程正确的工作顺序是乙→甲→丁→丙B.甲是压缩冲程是将内能转化为机械能,丁是做功冲程是将内能转化为机械能C.汽油机吸气冲程汽缸吸进物质是汽油,柴油机吸气冲程汽缸吸进物质是柴油D.活塞在汽缸内往复运动一次,该汽油机对外做功一次4.如图所示,用一个带负电的物体a去接触不带电的验电器的金属球b时,金属球b也带上了负电,则下列说法正确的是A.a上的一些电子转移到b上,瞬时电流方向b→aB.b上的一些电子转移到a上,瞬时电流方向a→bC.b上的一些电子转移到a上,瞬时电流方向b→aD.a上的一些电子转移到b上,瞬时电流方向a→b5.甲、乙两物体的质量之比是3:1,比热容之比是3:2,它们吸收的热量之比是2:1,则甲、乙两物体升高温度之比为A.9:1B.4:9C.1:9D.9:46.如图所示的电路,关于电压表、电流表、灯泡的连接方式,下列说法正确的是A.两灯泡并联B.两灯泡串联C.电流表A1测干路电流,电流表A2测L2的电流D.电压表V1测L1电压,电压表V2测电路总电压,电压表V3测L2电压7.下列有关串联和并联的说法正确的是A.通过两个用电器的电流相等,一定是串联B.两个用电器两端的电压相等,一定是并联C.在并联电路中,干路上的电流比任一支路电流都要大D.马路两旁的路灯,晚上同时亮,早上同时灭,它们是串联8.如图,在“○”处可以连接电流表或电压表测量电路中的电流、电压,为使L1与L2串联,以下做法正确的是A.a接电流表,b接电压表,c接电流表B.a接电压表,b接电压表,c接电流表C.a接电流表,b接电流表,c接电压表D.a接电压表,b接电流表,c接电流表9.关于温度、热量和内能,下列说法正确的是A.温度高的物体内能一定大,温度低的物体内能一定小B.一个物体放出了热量内能一定减少,且温度一定会降低C.一个物体温度升高了,内能一定增加,可能是外界对物体做了功D.一个物体内能增加了,可能吸收了热量,温度可能不变10.如图甲所示电路,两灯正常发光,电流表A1的示数为0.6A,电流表A2的示数如图乙所示。则A.两灯是串联连接的B.干路电流是2.6AC.流过L2的电流是2AD.流过L1的电流2.6A保宁中学、阆中中学2019年秋初2017级期中教学质量联合检测物理答题卷(总分:70分时间:70分钟命题教师:颜德江审题教师:陈春燕)一、选择题(1-8题单选每小题2分,9-10多选,全部选对3分,部分选对2分,有选错的0分,共22分)题号12345678910答案二、填空题(每空1分共16分)11.0.1A=mA320mV=V12.改变物体内能的方式有两种是和。13.物理学中,把电荷定向移动方向规定为电流的方向。按照这个规定,金属导体中的电流方向与自由电子定向移动方向。14.把凉牛奶放在热水中加热,经过一段较长时间,它们的温度随时间变化的图像如右图所示,且牛奶的质量与热水相同。(1)其中(选填“甲”或“乙”)代表牛奶温度变化的图像。(2)若忽略热量向空气的散失,从图像可以发现,甲的比热容比乙的比热容之比为。15.一台单缸四冲程柴油机,转速是800r/min,做功冲程中推动活塞一次做功1200J,那么这台柴油机1分钟做的功为J,功率为W。16.在“用电流表测电流”的实验中,某同学接成下图(a)所示的电路;当开关闭合后,两灯都发光,两个电流表的指针所指位置均为图(b)所示,则灯L2的电流为A,灯L1的电流为A。17.如右图所示电路中,当开关闭合时,L1、L2串联;当闭合时,Ll、考号最后两位数shshuL2并联。17题...

1、当您付费下载文档后,您只拥有了使用权限,并不意味着购买了版权,文档只能用于自身使用,不得用于其他商业用途(如 [转卖]进行直接盈利或[编辑后售卖]进行间接盈利)。
2、本站所有内容均由合作方或网友上传,本站不对文档的完整性、权威性及其观点立场正确性做任何保证或承诺!文档内容仅供研究参考,付费前请自行鉴别。
3、如文档内容存在违规,或者侵犯商业秘密、侵犯著作权等,请点击“违规举报”。

碎片内容

四川省理上学期期中试卷

确认删除?
VIP
微信客服
  • 扫码咨询
会员Q群
  • 会员专属群点击这里加入QQ群
客服邮箱
回到顶部