电脑桌面
添加小米粒文库到电脑桌面
安装后可以在桌面快捷访问

浪涌保护器和避雷器的区别VIP免费

浪涌保护器和避雷器的区别_第1页
1/9
浪涌保护器和避雷器的区别_第2页
2/9
浪涌保护器和避雷器的区别_第3页
3/9
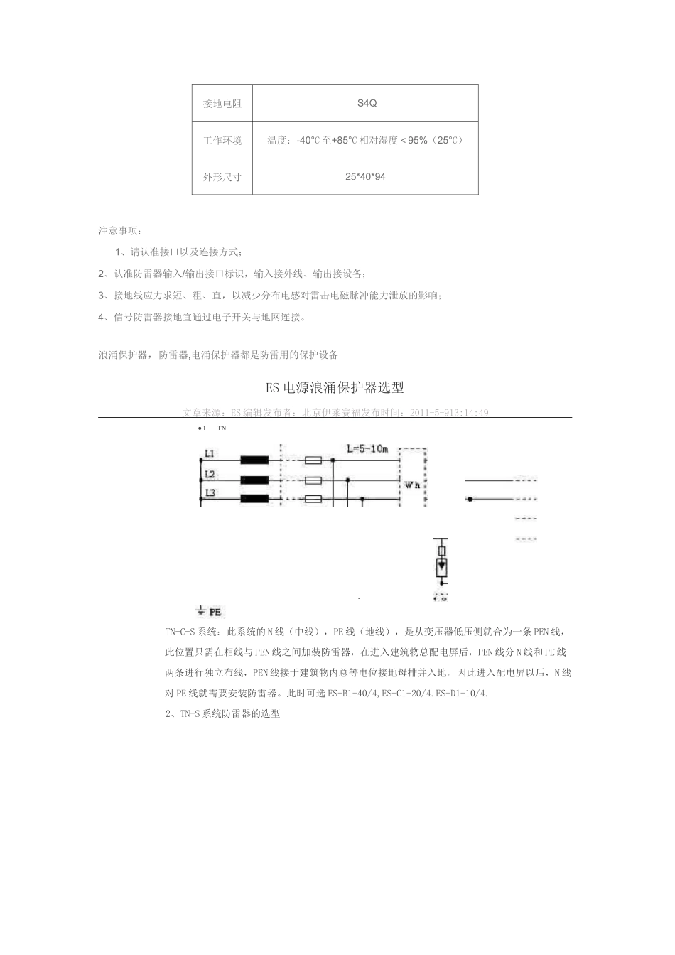
浪涌保护器和避雷器的区别1、避雷器有多个电压等级,从0.38KV低压到500KV特高压均有,而浪涌保护器一般只有低压产品;2、避雷器多安装在一次系统上,防止雷电波的直接侵入,而浪涌保护器大多安装在二次系统上,是在避雷器消除了雷电波的直接侵入后,或避雷器没有将雷电波消除干净时的补充措施;3、避雷器避雷器是保护电气设备的,而浪涌保护器大多是为保护电子仪器或仪表的;4、避雷器由于接于电气一次系统上,要有足够的外绝缘性能,外观尺寸比较大,而浪涌保护器由于接于低压,尺寸制作的可以很小。浪涌保护器1、变频控制柜必须加2、使用真空断路器的控制柜必须加3、供电系统的进线开关必须加4、其它控制柜可以不加,当然如果为了保险起见有预算空间的话可以都加上浪涌保护器总体分为两类:电机保护型、电站保护型在选择时必须注意!1•主要结构及工作原理电涌保护器的工作原避雷器理见示意图,两个电极分别与L(或者N)和PE线相联,两个电极之间形成一个电气间隙。电网在不超过最大持续运行电压的情况下运行时,两个电极之间呈高阻状态。女口果电网因雷击或者操作过电压使两个电极之间的电压超过点火电压时,间隙被击穿,通过弧光放电将过电压能量释放。冲击波过后,电弧将被由分弧片和灭弧室组成的灭弧系统熄灭,恢复到高阻状态。图1原理示意图2•作用BY系列电涌保护器采用了一种非线性特性极好的压敏电阻,在正常情况下,电涌保护器外于极高的电阻状态,漏流几乎为零,保证电源系统避雷器正常供电。当电源系统出现上述情况的过电压时,不锈钢装饰,电涌保护器立即在纳秒级的时间内迅速导通,将该过电压的幅值限止在设备的安全工作范围内。同时把该过电压的能量释放掉。随后,保护器又迅速的变为高阻状态,因而不影响电源系统的正常供电。电涌保护器(SurgeprotectionDevice)是电子设备雷电防护中不可缺少的一种装置,过去常称为"避雷器"或“过电压保护器”英文简写为SPD。电涌保护器的作用是把窜入电力线、信号传输线的瞬时过电压限制在设备或系统所能承受的电压范围内,或将强大的雷电流泄流入地,保护被保护的设备或系统不受冲击而损坏。电涌保护器的类型和结构按不同的用途有所不同,但它至少应包含一个非线性电压限制元件。用于电涌保护器的基本元器件有:放电间隙、充气放电管、压敏电阻、抑制二极管和扼流线圈等。一、SPD的分类:1.按工作原理分:(1)开关型:其工作原理是当没有瞬时过电压时呈现为高阻抗,但一旦响应雷电瞬时过电压时,其阻抗就突变为低值,允许雷电流通过。用作此类装置时器件有:放电间隙、气体放电管、闸流晶体管等。(2)限压型:其工作原理是当没有瞬时过电压时为高阻扰,但随电涌电流和电压的增加其阻抗会不断减小,其电流电压特性为强烈非线性。用作此类装置的器件有:氧化锌、压敏电阻、抑制二极管、雪崩二极管等。(3)分流型或扼流型分流型:与被保护的设备并联,对雷电脉冲呈现为低阻抗,而对正常工作频率呈现为高阻抗。扼流型:与被保护的设备串联,对雷电脉冲呈现为高阻抗,而对正常的工作频率呈现为低阻抗。用作此类装置的器件有:扼流线圈、高通滤波器、低通滤波器、1/4波长短路器等。2•按用途分:(1)电源保护器:交流电源保护器、直流电源保护器、开关电源保护器等。(2)信号保护器:低频信号保护器、高频信号保护器、天馈保护器等。二、SPD的基本元器件及其工作原理:1•放电间隙(又称保护间隙):2•气体放电管:3•压敏电阻:4•抑制二极管:5•扼流线圈:产品特点:1•多级保护,流通容量大;2•核心元件均经过严格筛选,且选用国际名牌产品,性能优越;3•内置快速半导体保护器件,响应速度快;4•低电容、电感设计,传输性能优越;5•高传输频率(10-155Mbps),插入损耗小;6•极低的在线电阻减少了信号强度不必要的衰减,使信号传输的距离增至最大;7•限制电压极低;8•生产工艺先进,外形美观;9•安装方便。技术参数:型号KBT-C100工作电压6/12接口RJ45通流容量10KA(8/20us)限制电压<100钳位电压18传输速率Mbps155插入损耗db0.3特性阻抗100响应时间<10A-12ns■接地电阻S4Q工作环境温度:-40°C至+85°C相对湿度<95%(25°C)外形尺寸25...

1、当您付费下载文档后,您只拥有了使用权限,并不意味着购买了版权,文档只能用于自身使用,不得用于其他商业用途(如 [转卖]进行直接盈利或[编辑后售卖]进行间接盈利)。
2、本站所有内容均由合作方或网友上传,本站不对文档的完整性、权威性及其观点立场正确性做任何保证或承诺!文档内容仅供研究参考,付费前请自行鉴别。
3、如文档内容存在违规,或者侵犯商业秘密、侵犯著作权等,请点击“违规举报”。

碎片内容

浪涌保护器和避雷器的区别

您可能关注的文档

确认删除?
VIP
微信客服
  • 扫码咨询
会员Q群
  • 会员专属群点击这里加入QQ群
客服邮箱
回到顶部