电脑桌面
添加小米粒文库到电脑桌面
安装后可以在桌面快捷访问

钢结构识图大全VIP免费

钢结构识图大全_第1页
1/49
钢结构识图大全_第2页
2/49
钢结构识图大全_第3页
3/49
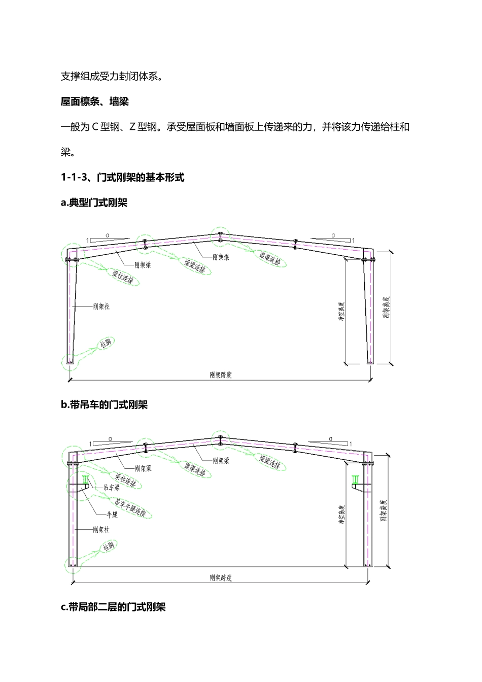
1、建筑体系1-1、门式刚架体系1-1-1、基本构件图1-1-2、说明力学原理门式刚架结构以柱、梁组成的横向刚架为主受力结构,刚架为平面受力体系。为保证纵向稳定,设置柱间支撑和屋面支撑。刚架刚架柱和梁均采用截面H型钢制作,各种荷载通过柱和梁传给基础。支撑、系杆刚性支撑采用热轧型钢制作,一般为角钢。柔性支撑为圆钢。系杆为受压圆钢管,与支撑组成受力封闭体系。屋面檩条、墙梁一般为C型钢、Z型钢。承受屋面板和墙面板上传递来的力,并将该力传递给柱和梁。1-1-3、门式刚架的基本形式a.典型门式刚架6s#]8P,H'})e5y!X8Yb.带吊车的门式刚架2K5J%N#x'p:p2Rc.带局部二层的门式刚架1-1-4、基本节点a.柱脚节点"O;`!^4Q#r1@5j8L#n*Xb.梁、柱节点+@.r:U'X"R)g5l'@4I%m!D;?1n%R■局部二层节点参照多层框架体系。1-1-5、刚架衍生形式*t!z-I3P.F&J!`;T*E:y/\■吊车和局部二层可在衍生形式刚架中布置。■山墙刚架其本质也是多连跨刚架,不过中间柱与刚架柱比截面旋转了90度。1-2、多层框架体系1-2-1、框架图示6V)u$B5o1v3J1-2-2、说明力学模型a.纯刚接框架:纵横两个方向均采用刚接的框架。b.刚接-支撑框架:横向采用刚接,纵向采用铰接,并在纵向设置支撑,以传递水平力。c.支撑式框架:纵横向均采用铰接,两向均设置支撑传递水平力。d.有时为保证足够的刚度,在刚接框架中亦设置支撑。框架柱框架柱可采用H型截面、箱形截面、十字形截面、圆管形截面等。所有上部结构的力都通过框架柱传递给基础。框架梁框架梁一般采用H型截面。楼盖和屋盖上的力通过框架梁传递给框架柱。支撑支撑采用一般采用热轧型钢制作,其功能是传递层间水平力和保证结构的刚度。1-2-3、基本节点a.柱脚节点■柱脚节点同门式刚架体系。b.柱、梁节点-W1k!f.v#|4F0j/[+i-n#\%m5|+r&@;N.k/^9w+W8@:c,A1w7c2、支撑、系杆2-1、图示柱间柔性支撑柱间刚性支撑2-2、说明■支撑分为柔性支撑和刚性支撑两种。柔性支撑由圆钢制作,安装时必须张紧,主要用于门式刚架结构。刚性支撑由型钢制作,用于多层框架、吊车梁下段支撑等刚度要求高的结构中。■系杆和支撑联合作用,形成封闭的受力体系。在支撑端头有刚性构件和传递压力的情况下,不需设置系杆。■屋面水平支撑做法同柱间支撑。■根据需要,支撑还有人字形、八字形、K形、V型、门形、L形、Y形、单斜杆等形式。3、隅撑3-1、图示3-2、说明■隅撑的设置在于梁或柱受压翼缘的平面外计算长度。隅撑可用角钢制作或扁钢压制成型。■在多层框架体系中,梁柱刚接的位置常设置水平隅撑。4、吊车梁4-1、图示吊车梁边跨构造吊车梁中间跨构造标准吊车梁图4-1、说明■吊车梁为吊车荷载的承载构件,由钢板焊接成型。■变形缝位置处理参照边跨构造。■吊车吨位大时设置制动桁架或制动梁来抵抗横向水平荷载。5、雨蓬+_/^#Q%w0g$?+m#T)U蓬用压型钢板采用HV-197TD-788板和HV-205TD-820板。6、檩条、墙梁6-1、C型冷弯薄壁型钢6-1-1、型钢截面特性.i*d)U&d%c2GB#}6-1-2、安装节点图6-2、Z型冷弯薄壁型钢6-2-1、型钢截面特性6-2-2、安装节点图-N!~.n%O-\1}#u7、屋面、墙面压型钢板7-1、HV-203KL-406板7-1-1、板型图!m$g$g"e(`#D,r7-1-2、连接节点图Z8A,p(i-}$b5O6s7-2、HV-380SF-7607-2-1、板型图+s"{#U7Q8n5`/{+s4H7-2-2、连接节点图7l:Q;{4@6_6r/p8m2q)`/y1K!s+UG'r1|.e%^:H&D$`-^7-3、HV-475SF-475板7-3-1、板型图4V1p0V6U4d+K$X7-3-2、连接节点图7-4、HV-197TD-788板7-4-1、板型图.j6G6j'T#G.u!]$^8t%_&|7-4-2、连接节点说明:■防水空腔可以阻止因毛细现象而造成的渗水。■该板型可用于屋面板和墙面板,采用自攻螺钉和屋面檩条或墙梁连接。■用作屋面板时,螺钉穿过波峰与屋面檩条固定;用作墙面板时,螺钉在靠近波峰的波谷平直段与墙梁固定。7-4、HV-205TD-820板7-5-1、板型图7-5-2、连接节点图说明:■防水空腔可以阻止因毛细现象而造成的渗水。■该板型可用于屋面板和墙面板,采用自攻螺钉和屋面檩条或墙梁连接。■用作屋面板时,螺钉穿过波峰与屋面檩条固定;用作墙面板时,螺钉在靠近波峰的波谷平直段与墙梁固定。7-6、HV-225TD-900板7-6-1、板型图7-6-2、连接节点图8J%f&F#S8g*_6T8z6k5d...

1、当您付费下载文档后,您只拥有了使用权限,并不意味着购买了版权,文档只能用于自身使用,不得用于其他商业用途(如 [转卖]进行直接盈利或[编辑后售卖]进行间接盈利)。
2、本站所有内容均由合作方或网友上传,本站不对文档的完整性、权威性及其观点立场正确性做任何保证或承诺!文档内容仅供研究参考,付费前请自行鉴别。
3、如文档内容存在违规,或者侵犯商业秘密、侵犯著作权等,请点击“违规举报”。

碎片内容

钢结构识图大全

您可能关注的文档

确认删除?
VIP
微信客服
  • 扫码咨询
会员Q群
  • 会员专属群点击这里加入QQ群
客服邮箱
回到顶部