电脑桌面
添加小米粒文库到电脑桌面
安装后可以在桌面快捷访问

标准机箱机柜设计VIP免费

标准机箱机柜设计_第1页
1/13
标准机箱机柜设计_第2页
2/13
标准机箱机柜设计_第3页
3/13
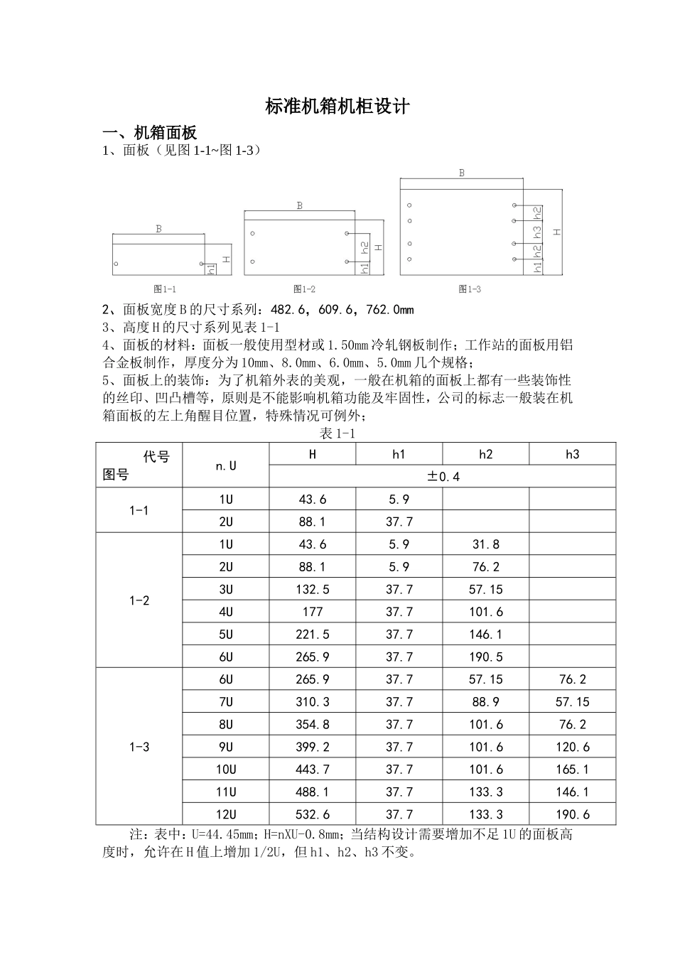
标准机箱机柜设计一、机箱面板1、面板(见图1-1~图1-3)2、面板宽度B的尺寸系列:482.6,609.6,762.0mm3、高度H的尺寸系列见表1-14、面板的材料:面板一般使用型材或1.50mm冷轧钢板制作;工作站的面板用铝合金板制作,厚度分为10mm、8.0mm、6.0mm、5.0mm几个规格;5、面板上的装饰:为了机箱外表的美观,一般在机箱的面板上都有一些装饰性的丝印、凹凸槽等,原则是不能影响机箱功能及牢固性,公司的标志一般装在机箱面板的左上角醒目位置,特殊情况可例外;表1-1代号图号n.UHh1h2h3±0.41-11U43.65.92U88.137.71-21U43.65.931.82U88.15.976.23U132.537.757.154U17737.7101.65U221.537.7146.16U265.937.7190.51-36U265.937.757.1576.27U310.337.788.957.158U354.837.7101.676.29U399.237.7101.6120.610U443.737.7101.6165.111U488.137.7133.3146.112U532.637.7133.3190.6注:表中:U=44.45mm;H=nXU-0.8mm;当结构设计需要增加不足1U的面板高度时,允许在H值上增加1/2U,但h1、h2、h3不变。6、面板安装槽口或安装孔的尺寸见图1-4:图1-47、面板的类型与机柜立柱的配合示意,见图1-5:图1-58、面板与机柜(或机架)在宽度方向上的安装尺寸(见图1-6、表1-2)图1-6表1-2BB1B’min482.6465450609.6592577762.0744.4729.49、挂耳:挂耳可与面板做成一体,也可单独做成一个零件,但挂耳上的上架孔以及挂耳与机箱面板整合后的外型尺寸必须符合GB/T3047.2-9210、把手:把手应优先选用《机械设计通用件标准库》中的把手,为了便于机箱上架后与机柜立柱贴平,机箱面板上固定把手的螺钉应选用沉头螺钉,面板也需在背面沉孔,把手装上后,不得影响上架螺钉的装配;新设计把手时,应符合以下标准:(1)4U(包含4U)以上的机箱,把手固定孔距为138mm,固定螺孔为2-M4;(2)2U机箱把手固定孔距为64mm,固定螺孔为2-M4;(3)1U机箱把手固定孔距为35mm,固定螺孔为2-M3;11、前框:前框是面板与箱体之间的过渡件,它和面板、箱体都要有良好的电接触,前框不光要支撑面板,还要支撑装在门板内的开关、灯板、防尘网组件等,前框上开关类的开孔可参照《机械设计标准库》,驱动器的开孔是在驱动器外型尺寸基础上周边放大0.3mm,前框与箱体之间的间隙单边留0.3mm比较合适;12、门组件:门组件一般由门、玻璃、门铰链几部份组成,因要监视门内指示灯的运行状态,一般在门上都开有能够看到灯的观察窗,在观察窗内嵌有门玻璃;门铰链是把门与箱体联接起来的一个重要部件,应优先选用《机械设计通用件标准库》中的标准门铰链,设计时应对门的开闭情况做模拟试验,包括锁在内的所有门上附件不得与面板有碰撞、卡滞现象,完全开启后的门也不能碰在面板上,以免蹭掉面板上的喷涂层;一般门与门框的间隙单边留0.3mm比较合适,靠近门铰链侧的间隙可适当放大,考虑到转动干涉及外表的美观,门铰链侧的边可铣成斜边,门框相应位置也需倒角。二、上(箱)盖1、箱盖:箱盖的外型尺寸:一般与箱体同宽,与箱体接触面有良好的电接触,单边间隙留0.3mm较适宜;2、箱盖压条:为便于箱盖与箱体固定,在箱盖内侧设计有压条,帮助箱盖卡在箱体上,一般压条与箱盖间的间隙等于前框的板厚加上0.3mm;三、箱体图1-7表1-3B482.6609.6B3(包含机箱两导轨)<449(推荐不含导轨425)<576(推荐不含导轨560)H见表1-1H3≦H(参照GB/T2822-2005选用标准尺寸)D3300、340、380、420、450、500、560、600、670、700箱体是整个机箱的重要组成部分之一,它不光承担机箱中电子元器件的“保卫”、屏蔽、固定的任务,还要在适当的位置对电子元器件的连接线加以固定;箱体与其它部件碰焊时,焊点间距不得大于50mm,对一些外露的窄长缝隙,需加以处理,方法有三种,a减小碰焊点间距,b缩小固定螺钉间距,c增加EMC弹片。附件GB/T2822-20051、范围本标准规定了0.01mm-20000mm范围内机械制造业中常用的标准尺寸(直径、长度、高度等)系列。本标准适用于有互换性或系列化要求的主要尺寸(如安装、连接尺寸,有公差要求的配合尺寸,决定产品系列的公称尺寸等)。其他结构尺寸也应尽可能采用。本标准不适用于由主要尺寸导出的因变量尺寸,工艺上工序间的...

1、当您付费下载文档后,您只拥有了使用权限,并不意味着购买了版权,文档只能用于自身使用,不得用于其他商业用途(如 [转卖]进行直接盈利或[编辑后售卖]进行间接盈利)。
2、本站所有内容均由合作方或网友上传,本站不对文档的完整性、权威性及其观点立场正确性做任何保证或承诺!文档内容仅供研究参考,付费前请自行鉴别。
3、如文档内容存在违规,或者侵犯商业秘密、侵犯著作权等,请点击“违规举报”。

碎片内容

标准机箱机柜设计

确认删除?
VIP
微信客服
  • 扫码咨询
会员Q群
  • 会员专属群点击这里加入QQ群
客服邮箱
回到顶部