电脑桌面
添加小米粒文库到电脑桌面
安装后可以在桌面快捷访问

LED屏钢结构计算书VIP免费

LED屏钢结构计算书_第1页
1/31
LED屏钢结构计算书_第2页
2/31
LED屏钢结构计算书_第3页
3/31
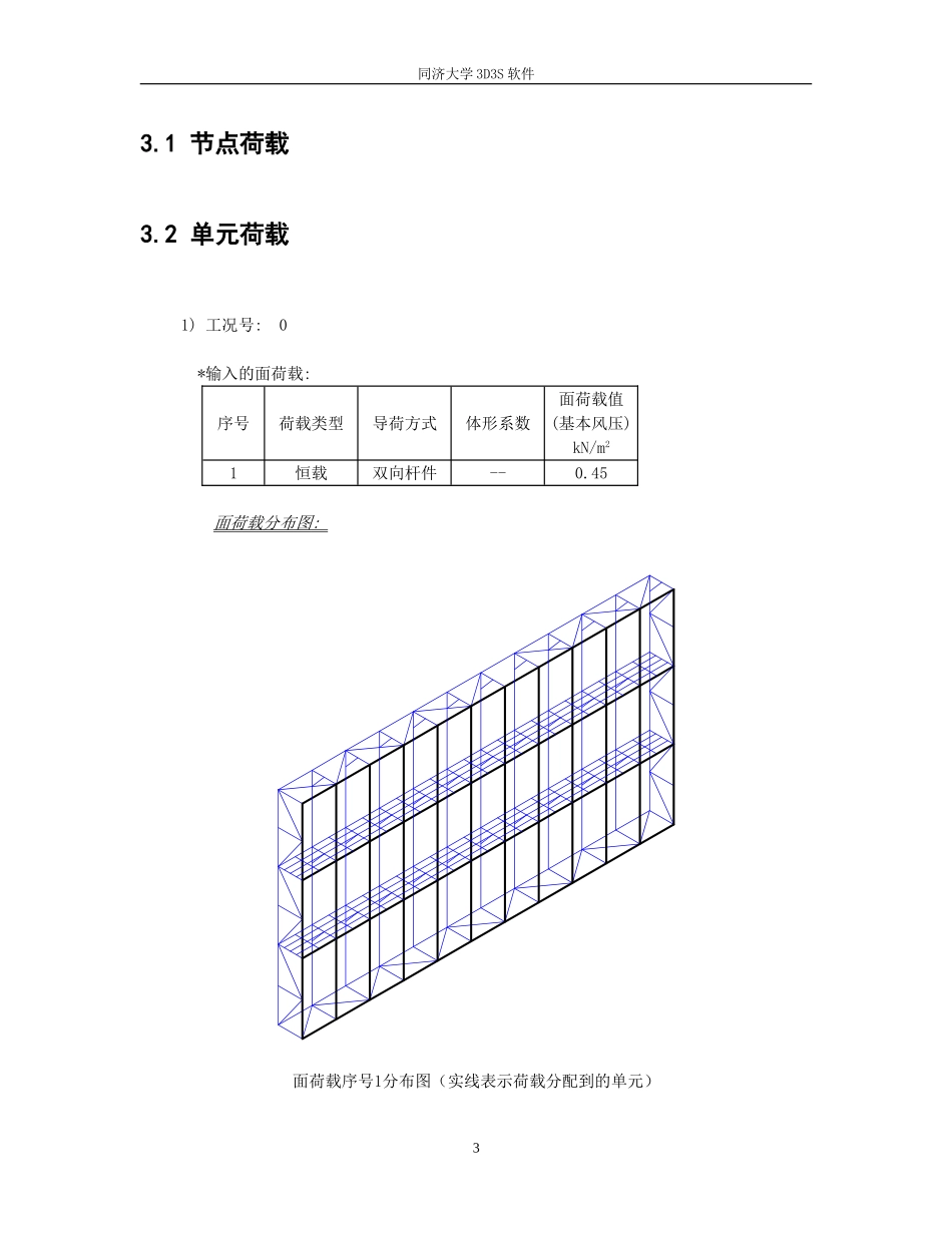
同济大学3D3S软件1设计依据《冷弯薄壁型钢结构技术规范》(GB50018-2002)《建筑结构荷载规范》(GB50009-2012)《建筑抗震设计规范》(GB50011-2010)《建筑地基基础设计规范》(GB50007-2011)《钢结构焊接规范》(GB50661-2011)《钢结构高强度螺栓连接技术规程》(JGJ82-2011)2计算简图1同济大学3D3S软件141618222834414243515456184207208227计算简图(圆表示支座,数字为节点号)3荷载与组合结构重要性系数:1.002同济大学3D3S软件3.1节点荷载3.2单元荷载1)工况号:0*输入的面荷载:序号荷载类型导荷方式体形系数面荷载值(基本风压)kN/m21恒载双向杆件--0.45面荷载分布图:面荷载序号1分布图(实线表示荷载分配到的单元)3同济大学3D3S软件2)工况号:1*输入的面荷载:序号荷载类型导荷方式体形系数面荷载值(基本风压)kN/m21活载双向杆件--0.75面荷载分布图:面荷载序号1分布图(实线表示荷载分配到的单元)3)工况号:2*输入的面荷载:4同济大学3D3S软件序号荷载类型导荷方式体形系数面荷载值(基本风压)kN/m21风载双向杆件1.000.30面荷载分布图:面荷载序号1分布图(实线表示荷载分配到的单元)3.3其它荷载(1).地震作用规范:《建筑抗震设计规范》(GB50011-2010)地震烈度:7度(0.15g)水平地震影响系数最大值:0.12计算振型数:9建筑结构阻尼比:0.040特征周期值:0.25地震影响:多遇地震5同济大学3D3S软件场地类别:Ⅰ1类地震分组:第一组周期折减系数:1.00地震力计算方法:振型分解法振型号周期(秒)10.062320.060930.058740.042450.039960.039370.034380.034190.0324(2).温度作用无温度作用。3.4荷载组合(1)1.20恒载+1.40活载工况1(2)1.20恒载+1.40风载工况2(3)1.20恒载+1.40活载工况1+1.40x0.60风载工况2(4)1.20恒载+1.40x0.70活载工况1+1.40风载工况2(5)1.00恒载+1.40风载工况24内力位移计算结果4.1内力4.1.1最不利内力6同济大学3D3S软件各效应组合下最大支座反力设计值(单位:kN、kN.m)节点号控制组合号组合序号NxNyNzMxMyMzNx最大511.81.81.00.00.00.0Ny最大511.81.81.00.00.00.0Nz最大11-0.1-0.01.50.00.00.014合力最大411.81.81.40.00.00.0Nx最小11-0.1-0.01.50.00.00.0Ny最小11-0.1-0.01.50.00.00.0Nz最小511.81.81.00.00.00.0Nx最大110.1-0.02.20.00.00.0Ny最大51-2.82.21.40.00.00.0Nz最大110.1-0.02.20.00.00.016合力最大41-2.82.12.00.00.00.0Nx最小51-2.82.21.40.00.00.0Ny最小110.1-0.02.20.00.00.0Nz最小51-2.82.21.40.00.00.0Nx最大510.0-0.10.50.00.00.0Ny最大510.0-0.10.50.00.00.0Nz最大11-0.2-0.50.70.00.00.018合力最大11-0.2-0.50.70.00.00.0Nx最小11-0.2-0.50.70.00.00.0Ny最小11-0.2-0.50.70.00.00.0Nz最小510.0-0.10.50.00.00.0Nx最大51-0.20.33.10.00.00.0Ny最大51-0.20.33.10.00.00.0Nz最大11-0.2-0.75.10.00.00.022合力最大11-0.2-0.75.10.00.00.0Nx最小31-0.2-0.24.90.00.00.0Ny最小11-0.2-0.75.10.00.00.0Nz最小51-0.20.33.10.00.00.0Nx最大110.0-0.92.30.00.00.0Ny最大51-0.00.21.40.00.00.0Nz最大110.0-0.92.30.00.00.028合力最大110.0-0.92.30.00.00.0Nx最小51-0.00.21.40.00.00.0Ny最小110.0-0.92.30.00.00.0Nz最小51-0.00.21.40.00.00.0Nx最大410.20.25.60.00.00.07同济大学3D3S软件节点号控制组合号组合序号NxNyNzMxMyMzNy最大510.20.43.80.00.00.0Nz最大110.1-0.96.20.00.00.034合力最大110.1-0.96.20.00.00.0Nx最小110.1-0.96.20.00.00.0Ny最小110.1-0.96.20.00.00.0Nz最小510.20.43.80.00.00.0Nx最大110.3-0.61.00.00.00.0Ny最大510.0-0.10.60.00.00.0Nz最大110.3-0.61.00.00.00.041合力最大110.3-0.61.00.00.00.0Nx最小510.0-0.10.60.00.00.0Ny最小110.3-0.61.00.00.00.0Nz最小510.0-0.10.60.00.00.0Nx最大11-0.40.71.10.00.00.0Ny最大41-0.81.41.10.00.00.0Nz最大31-0.71.11.10.00.00.042合力最大41-0.81.41.10.00.00.0Nx最小41-0.81.41.10.00.00.0Ny最小11-0.40.71.10.00.00.0Nz最小51-0.71.20.90.00.00.0Nx最大110.1-0.12.10.00.00.0Ny最大51-2.31.71.40.00.00.0Nz最大110.1-0.12.10.00.00.043合力最大41-2.31.72.00.00.00.0Nx最小51-2...

1、当您付费下载文档后,您只拥有了使用权限,并不意味着购买了版权,文档只能用于自身使用,不得用于其他商业用途(如 [转卖]进行直接盈利或[编辑后售卖]进行间接盈利)。
2、本站所有内容均由合作方或网友上传,本站不对文档的完整性、权威性及其观点立场正确性做任何保证或承诺!文档内容仅供研究参考,付费前请自行鉴别。
3、如文档内容存在违规,或者侵犯商业秘密、侵犯著作权等,请点击“违规举报”。

碎片内容

LED屏钢结构计算书

您可能关注的文档

金钥匙书屋+ 关注
实名认证
内容提供者

热爱教育事业,爱好互联网行业

确认删除?
VIP
微信客服
  • 扫码咨询
会员Q群
  • 会员专属群点击这里加入QQ群
客服邮箱
回到顶部