电脑桌面
添加小米粒文库到电脑桌面
安装后可以在桌面快捷访问

何献忠版PLC课后部分习题答案VIP免费

何献忠版PLC课后部分习题答案_第1页
1/13
何献忠版PLC课后部分习题答案_第2页
2/13
何献忠版PLC课后部分习题答案_第3页
3/13
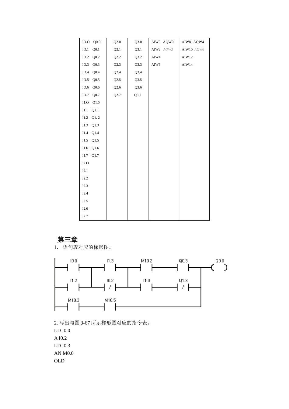
部分习题参考答案第二章1.一个控制系统需要12点数字量输入、30点数字量输出、7点模拟量输入和2点模拟量输出。试问:⑴室可以选用哪种主机型号?⑵如何选择扩展模块?⑶各模块按什么顺序连接到主机?请画出连接图。⑷按书中所举例画出的图形,其主机和各模块的地址如何分配?解:参考答案,方式有多种表2-2各模块编址主机I/O模块1I/O模块2I/O模块3I/O模块5I/OIO.OQ0.0IO.1Q0.1IO.2Q0.2IO.3Q0.3IO.4Q0.4IO.5Q0.5IO.6Q0.6IO.7Q0.7I1.OQ1.0I1.1Q1.1I1.2Q1.2I1.3Q1.3I1.4Q1.4I1.5Q1.5I1.6Q1.6I1.7Q1.7I2.OI2.1I2.2I2.3I2.4I2.5I2.6I2.7Q2.0Q2.1Q2.2Q2.3Q2.4Q2.5Q2.6Q2.7Q3.0Q3.1Q3.2Q3.3Q3.4Q3.5Q3.6Q3.7AIW0AQW0AIW2AQW2AIW4AIW6AIW8AQW4AIW10AQW6AIW12AIW14第三章1.语句表对应的梯形图。2.写出与图3-67所示梯形图对应的指令表。LDI0.0AI0.2LDI0.3ANM0.0OLDLDNI0.1OM0.1ALDOM0.3ANT37=Q0.0SQ0.1,3AM0.4TONT37,2003.写出与图3-68所示梯形图对应的指令表。Network1LDI0.0OQ0.0LPSANI0.1LPSAI0.2=Q0.0LPPAI0.3RQ0.1,2LPPLPSANM0.2=M0.0LPPAI0.4ENDNetwork2LDSM0.5EULDI0.5CTUC12,164.画出图3-69中Q0.1的波形。Q0.1为周期为2min的波形5.设计一个实现图3-70所示波形图功能的程序电路。6.用置位、复位指令设计一台电动机的起、停控制程序。7.试设计一个照明灯的控制程序。当按下接在I0.0上的按钮后,接在Q0.0上的照明灯可发光30s。如果在这段时间内又有人按下按钮,则时间间隔从头开始。这样可确保在最后一次按完按钮后,灯光可维持30s的照明。方法1:方法2:方法3:8.试设计一个抢答器程序电路。主持人提出问题宣布开始后,3个答题人按动按钮,仅仅有最先按下按钮的人面前的信号灯亮。一个题目终了时,主持人按动复位按钮,为下一轮抢答作出准备。设:3个答题人按钮为I0.1、I0.2、I0.3,主持人按钮为I0.03个答题人信号灯为Q0.1、Q0.2、Q0、310.设计一个对两台电机控制的程序。控制要求是:第1台电机运行30s后,第2台电机开始运行并且第一台电机停止运行;当第2台电机运行20s后两台电机同时运行。设启动按钮为I为0.0,停止按钮为I0.1,二台电机分别为:Q0.0、Q0.111.如图3-71所示,检测器检测是否有产品通过,若传送带上20s内无产品通过,则接通Q0.0报警。设输入:启动按钮为I0.0,停止按钮为I0.1,产品检测信号I0.2报警输出为:Q0.012.设输入:启动按钮为为I0.0,SQ1~SQ5分别为I0.1~I0.5,停止按钮为I0.6输出为:Q0.0第四章5.有三台电机M1,M2,M3按下启动按钮后M1启动,1min后M2启动,然后再过1min后M3启动。按下停止按钮后,逆序停止。即M3先停,30s后M2停,再30s后M1停。试用功能图方法编程。输入输出地址分配输入启动按钮I0.0停止按钮I0.1输出电机M1Q0.0电机M2Q0.1电机M3Q0.26.图4-21为一台分检大小球的机械臂装置。它的工作过程是:当机械臂处于原始位置时,即上限位开关LS1和左限位开关LS3压下,抓球电磁铁处于失电状态。这时按下启动按钮SB1后,机械臂下行,碰到下限位开关LS2后停止下行,且电磁铁得电吸球。如果吸住的是小球,则大小球检测开关SQ为ON;如果吸住的是大球,则SQ为OFF。1min后,机械臂上行,碰到上限位开关LS1后右行,它会根据大小球的不同,分别在LS4(小球)和LS5(大球)处停止右行,然后下行到下限位停止,电磁铁失电机械臂把球放在小球箱里,1min后返回。如果不按停止按钮SB2,则机械臂一直工作下去。如果按了停止按钮,则不管何时按,机械臂最终都要停止在原始位置。再次按动启动按钮后,系统可以再次从头开始循环工作。设:第五章4.用循环移位指令设计一个彩灯控制程序,8路彩灯串按H1→H2→H3…→H8的顺序依次点亮,且不断重复循环。各路彩灯之间的间隔时间为1s。c

1、当您付费下载文档后,您只拥有了使用权限,并不意味着购买了版权,文档只能用于自身使用,不得用于其他商业用途(如 [转卖]进行直接盈利或[编辑后售卖]进行间接盈利)。
2、本站所有内容均由合作方或网友上传,本站不对文档的完整性、权威性及其观点立场正确性做任何保证或承诺!文档内容仅供研究参考,付费前请自行鉴别。
3、如文档内容存在违规,或者侵犯商业秘密、侵犯著作权等,请点击“违规举报”。

碎片内容

何献忠版PLC课后部分习题答案

您可能关注的文档

确认删除?
VIP
微信客服
  • 扫码咨询
会员Q群
  • 会员专属群点击这里加入QQ群
客服邮箱
回到顶部