电脑桌面
添加小米粒文库到电脑桌面
安装后可以在桌面快捷访问

井下轨道铺设标准VIP专享VIP免费

井下轨道铺设标准_第1页
1/7
井下轨道铺设标准_第2页
2/7
井下轨道铺设标准_第3页
3/7
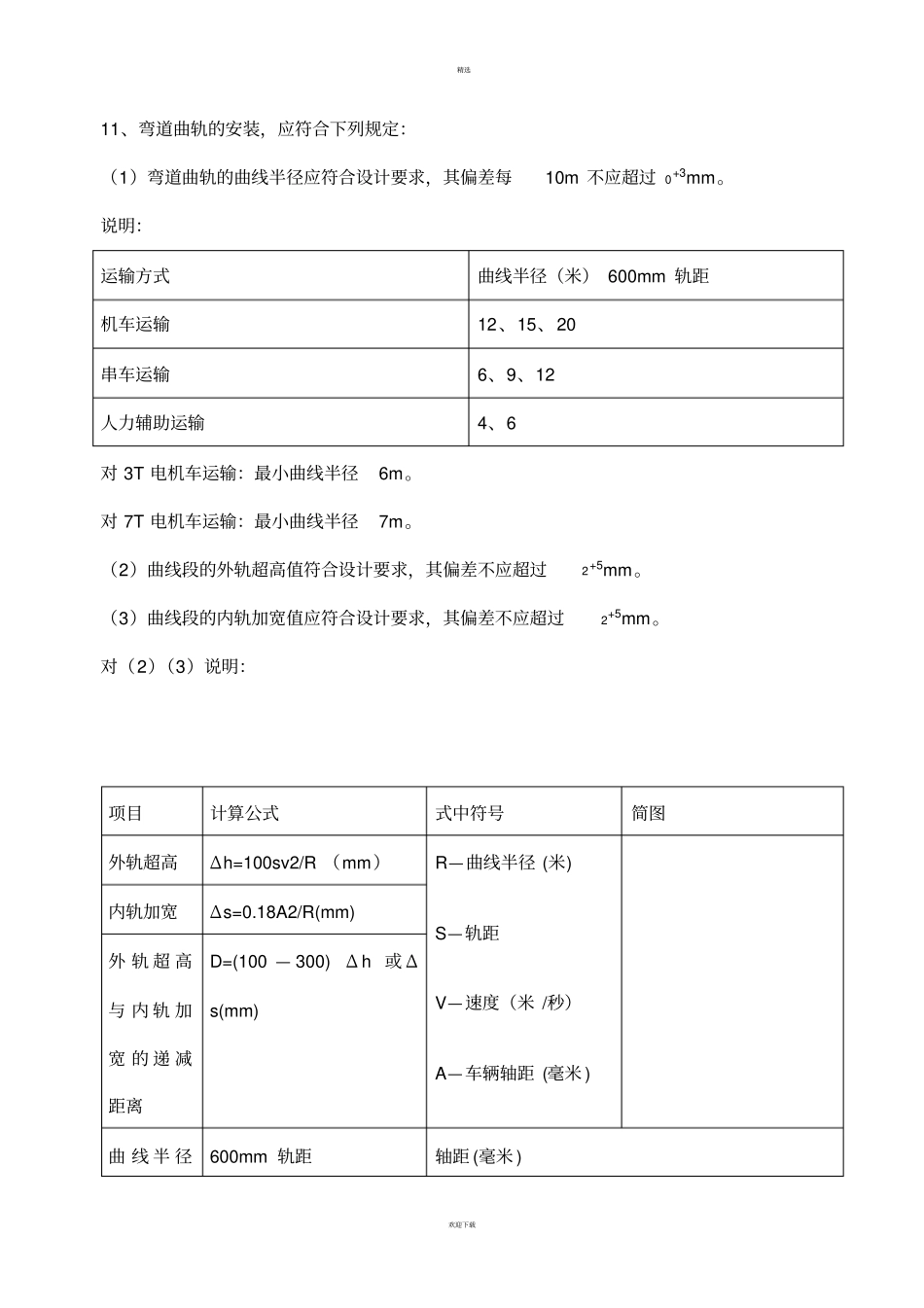
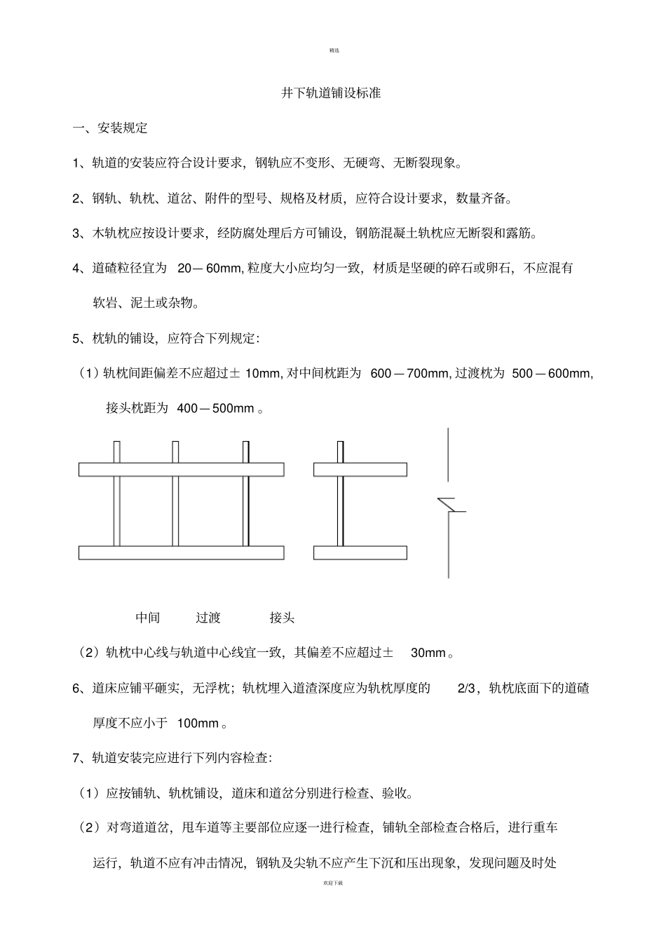
精选欢迎下载井下轨道铺设标准一、安装规定1、轨道的安装应符合设计要求,钢轨应不变形、无硬弯、无断裂现象。2、钢轨、轨枕、道岔、附件的型号、规格及材质,应符合设计要求,数量齐备。3、木轨枕应按设计要求,经防腐处理后方可铺设,钢筋混凝土轨枕应无断裂和露筋。4、道碴粒径宜为20—60mm,粒度大小应均匀一致,材质是坚硬的碎石或卵石,不应混有软岩、泥土或杂物。5、枕轨的铺设,应符合下列规定:(1)轨枕间距偏差不应超过±10mm,对中间枕距为600—700mm,过渡枕为500—600mm,接头枕距为400—500mm。中间过渡接头(2)轨枕中心线与轨道中心线宜一致,其偏差不应超过±30mm。6、道床应铺平砸实,无浮枕;轨枕埋入道渣深度应为轨枕厚度的2/3,轨枕底面下的道碴厚度不应小于100mm。7、轨道安装完应进行下列内容检查:(1)应按铺轨、轨枕铺设,道床和道岔分别进行检查、验收。(2)对弯道道岔,甩车道等主要部位应逐一进行检查,铺轨全部检查合格后,进行重车运行,轨道不应有冲击情况,钢轨及尖轨不应产生下沉和压出现象,发现问题及时处精选欢迎下载理。二、轨道铺设标准1、轨道中心线与设计中心线偏差不应超过±50mm,双线路轨道中心距离偏差不应超过0+20mm。2、直线段轨距偏差不应超过-2+5mm,两轨面的相对高差不应大于5mm。3、轨面坡度应符合设计要求,其局部偏差每50mm不应超过±1%,井下机车运输线路坡度一般为3—5‰。4、轨道的接头应平整,其轨面及内侧错位均不应大于2mm,螺栓、夹片必须齐全。直线段两侧钢轨的接头应对齐,在弯疲乏上两侧钢轨接头须错开,错开长度宜为轨长1/3—1/4。说明:错距不宜小于3m,使用的短轨最小长度不得小于2m。5、钢轨接头的间隙,直线段不应大于5mm,曲线段不应大于8mm,当采用焊接时,焊缝不应有裂纹。轨道接头必须采用对妆悬接,接头不应落在轨枕上。6、轨道按中腰线铺设平、直,单轨铺设时轨中偏巷中200mm(人行道对侧)。7、轨枕要求两端齐(长度不统一必须一端齐,人行道一端外露240mm)、间距匀垂直轨道,轨枕腐朽、损坏开裂不准使用,一块木轨枕只能砸4个道钉,更换轨枕时必须将旧轨枕抽出,道渣埋设轨枕2/3。轨道接头两侧间距150mm增设一块轨枕。8、斜巷上变坡点必须使用整体拱弯道,斜巷下变坡点时必须使用整体底弯道。9、地滚:数量齐全、转动灵活、地滚子之间的间距一般为15-20m,以轨枕、道档无明显磨痕为准。巷道内应在变坡处增加地滚。地滚有磨损深度超过10mm的沟槽时必须更换。10、弯道、变坡点按要求必须加设三道轨距拉杆,并安设同轨型的护轨,护轨长度不得小于3m。直线段每20m加设一道轨距拉杆。精选欢迎下载11、弯道曲轨的安装,应符合下列规定:(1)弯道曲轨的曲线半径应符合设计要求,其偏差每10m不应超过0+3mm。说明:运输方式曲线半径(米)600mm轨距机车运输12、15、20串车运输6、9、12人力辅助运输4、6对3T电机车运输:最小曲线半径6m。对7T电机车运输:最小曲线半径7m。(2)曲线段的外轨超高值符合设计要求,其偏差不应超过2+5mm。(3)曲线段的内轨加宽值应符合设计要求,其偏差不应超过2+5mm。对(2)(3)说明:项目计算公式式中符号简图外轨超高Δh=100sv2/R(mm)R—曲线半径(米)S—轨距V—速度(米/秒)A—车辆轴距(毫米)内轨加宽Δs=0.18A2/R(mm)外轨超高与内轨加宽的递减距离D=(100—300)Δh或Δs(mm)曲线半径600mm轨距轴距(毫米)精选欢迎下载R(米)平均运行速度(m/s)1.52.02.533.550055060065080081610001200468101215202530弯道外轨超高数值Δh(mm)弯道内加宽数值Δs(mm)252515151010555302520151010104030252015154535252020353025101055555151055555515101010555520151010555552515101010555151510105553020151010552020151010(4)曲线段的双线路中心距加宽值应符合设计要求,其偏差不应超过+200毫米.线路的双轨中心距运输设备轨距(毫米)双轨中心距离(毫米)巷道直线部分巷道曲线部分一吨及一吨以下矿车电机车(8吨以下)6008001100130013001600(5)曲线段的轨枕铺设应与曲线半径方向一致,弯道护轨应按设计铺设,护轨应与主线钢轨高度一致,弯道两轨之间应设拉杆固定。精选欢迎下载13、电机车轨道接头...

1、当您付费下载文档后,您只拥有了使用权限,并不意味着购买了版权,文档只能用于自身使用,不得用于其他商业用途(如 [转卖]进行直接盈利或[编辑后售卖]进行间接盈利)。
2、本站所有内容均由合作方或网友上传,本站不对文档的完整性、权威性及其观点立场正确性做任何保证或承诺!文档内容仅供研究参考,付费前请自行鉴别。
3、如文档内容存在违规,或者侵犯商业秘密、侵犯著作权等,请点击“违规举报”。

碎片内容

井下轨道铺设标准

确认删除?
VIP
微信客服
  • 扫码咨询
会员Q群
  • 会员专属群点击这里加入QQ群
客服邮箱
回到顶部