电脑桌面
添加小米粒文库到电脑桌面
安装后可以在桌面快捷访问

光缆的种类与结构VIP免费

光缆的种类与结构_第1页
1/8
光缆的种类与结构_第2页
2/8
光缆的种类与结构_第3页
3/8
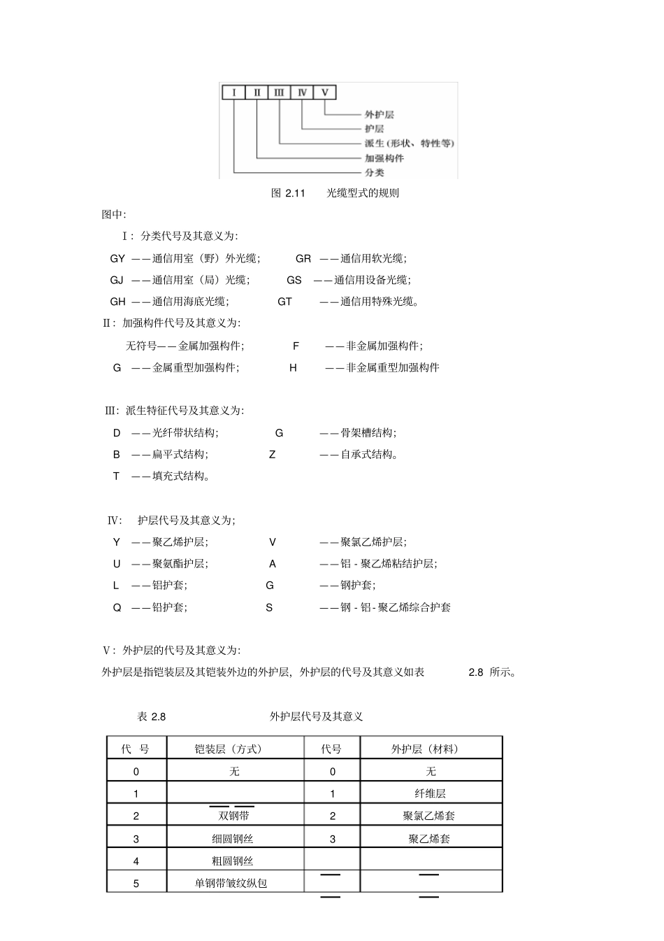
2.5光缆的种类与结构光缆是多根光纤或光纤束制成的符合光学、机械和环境特性的结构体。光缆的结构直接影响通信系统的传输质量。不同结构和性能的光缆在工程施工、维护中的操作方式也不相同,因此必须了解光缆的结构、性能,才能确保光缆的正常使用寿命。2.5.1光缆的种类光缆的种类很多,其分类的方法就更多,下面介绍一些常用的分类方法。1、按传输性能、距离和用途分类。可分为长途光缆、市话光缆、海底光缆和用户光缆。2、按光纤的种类分类。可分为多模光缆、单模光缆。3、按光纤套塑方法分类。可分为紧套光缆、松套光缆、束管式光缆和带状多芯单元光缆。4、按光纤芯数多少分类。可分为单芯光缆、双芯光缆、四芯光缆、六芯光缆、八芯光缆、十二芯光缆和二十四芯光缆等。5、按加强件配置方法分类光缆可分为中心加强构件光缆(如层绞式光缆、骨架式光缆等)、分散加强构件光缆(如束管两侧加强光缆和扁平光缆)、护层加强构件光缆(如束管钢丝铠装光缆)和PE外护层加一定数量的细钢丝的PE细钢丝综合外护层光缆。6、按敷设方式分类。光缆可分为管道光缆、直埋光缆、架空光缆和水底光缆。7、按护层材料性质分类。光缆可分为聚乙烯护层普通光缆、聚氯乙烯护层阻燃光缆和尼龙防蚁防鼠光缆。8、按传输导体、介质状况分类。光缆可分为无金属光缆、普通光缆和综合光缆。9、按结构方式分类光缆可分为扁平结构光缆、层绞式结构光缆、骨架式结构光缆、铠装结构光缆(包括单、双层铠装)和高密度用户光缆等。10、常用通信光缆按使用环境可分为(1)室(野)外光缆——用于室外直埋、管道、槽道、隧道、架空及水下敷设的光缆。(2)软光缆——具有优良的曲挠性能的可移动光缆。(3)室(局)光缆——适用于室布放的光缆。(4)设备光缆——用于设备布放的光缆。(5)海底光缆——用于跨海洋敷设的光缆。(6)特种光缆——除上述几类之外,作特殊用途的光缆2.5.2光缆的型号光缆型号由它的型式代号和规格代号构成,中间用一短横线分开。1、光缆型式由五个部分组成,如图2.11所示。图2.11光缆型式的规则图中:Ⅰ:分类代号及其意义为:GY——通信用室(野)外光缆;GR——通信用软光缆;GJ——通信用室(局)光缆;GS——通信用设备光缆;GH——通信用海底光缆;GT——通信用特殊光缆。Ⅱ:加强构件代号及其意义为:无符号——金属加强构件;F——非金属加强构件;G——金属重型加强构件;H——非金属重型加强构件Ⅲ:派生特征代号及其意义为:D——光纤带状结构;G——骨架槽结构;B——扁平式结构;Z——自承式结构。T——填充式结构。Ⅳ:护层代号及其意义为;Y——聚乙烯护层;V——聚氯乙烯护层;U——聚氨酯护层;A——铝-聚乙烯粘结护层;L——铝护套;G——钢护套;Q——铅护套;S——钢-铝-聚乙烯综合护套Ⅴ:外护层的代号及其意义为:外护层是指铠装层及其铠装外边的外护层,外护层的代号及其意义如表2.8所示。表2.8外护层代号及其意义——单钢带皱纹纵包5——粗圆钢丝4聚乙烯套3细圆钢丝3聚氯乙烯套2双钢带2纤维层1——1无0无0外护层(材料)代号铠装层(方式)代号2、光缆规格由五部分七项容组成,如图2.12所示:图2.12光缆的规格组成部分图中:Ⅰ:光纤数目用1、2、⋯⋯,表示光缆光纤的实际数目。Ⅱ:光纤类别的代号及其意义。J——二氧化硅系多模渐变型光纤;T——二氧化硅系多模突变型光纤;Z——二氧化硅系多模准突变型光纤;D——二氧化硅系单模光纤;X——二氧化硅纤芯塑料包层光纤;S——塑料光纤。Ⅲ:光纤主要尺寸参数用阿拉伯数(含小数点数)及以μm为单位表示多模光纤的芯径及包层直径,单模光纤的模场直径及包层直径。Ⅳ:带宽、损耗、波长表示光纤传输特性的代号由a、bb及cc三组数字代号构成。a——表示使用波长的代号,其数字代号规定如下:1——波长在0.85μm区域;2——波长在1.31μm区域;3——波长在1.55μm区域。注意,同一光缆适用于两种及以上波长,并具有不同传输特性时,应同时列出各波长上的规格代号,并用“/”划开。bb——表示损耗常数的代号。两位数字依次为光缆中光纤损耗常数值(dB/km)的个位和十位数字。cc——表示模式带宽的代号。两位数字依次为光缆...

1、当您付费下载文档后,您只拥有了使用权限,并不意味着购买了版权,文档只能用于自身使用,不得用于其他商业用途(如 [转卖]进行直接盈利或[编辑后售卖]进行间接盈利)。
2、本站所有内容均由合作方或网友上传,本站不对文档的完整性、权威性及其观点立场正确性做任何保证或承诺!文档内容仅供研究参考,付费前请自行鉴别。
3、如文档内容存在违规,或者侵犯商业秘密、侵犯著作权等,请点击“违规举报”。

碎片内容

光缆的种类与结构

爱的疯狂+ 关注
实名认证
内容提供者

该用户很懒,什么也没介绍

确认删除?
VIP
微信客服
  • 扫码咨询
会员Q群
  • 会员专属群点击这里加入QQ群
客服邮箱
回到顶部