电脑桌面
添加小米粒文库到电脑桌面
安装后可以在桌面快捷访问

全部钢筋与焊接内容内容比较全VIP专享VIP免费

全部钢筋与焊接内容内容比较全_第1页
1/17
全部钢筋与焊接内容内容比较全_第2页
2/17
全部钢筋与焊接内容内容比较全_第3页
3/17
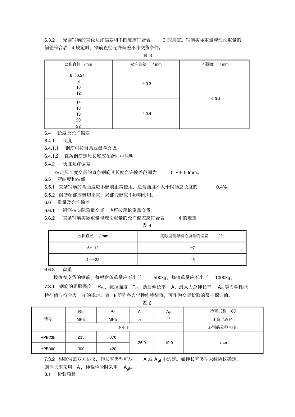
光圆钢筋6尺寸、外形、重量及允许偏差6.1公称直径范围及推荐直径钢筋的公称直径范围为6mm~22mm,本部分推荐的钢筋公称直径为6mm、8mm、10mm、12mm、16mm、20mm。6.2公称横截面面积与理论重量钢筋的公称横截面面积与理论重量列于表2。表2公称直径/mm公称横截面面积/mm2理论重量/kg/m6(6.5)81012141618202228.27(33.18)50.2778.54113.1153.9201.1254.5314.2380.10.222(0.260)0.3950.6170.8881.211.582.002.472.98注:表2中理论重量按密度为7.85g/cm3计算。公称直径6.5的产品为过渡性产品6.3光圆钢筋的截面形状及尺寸允许偏差6.3.1光圆钢筋的截面形状如下图所示。d——钢筋直径图16.3.2光圆钢筋的直径允许偏差和不圆度应符合表3的规定。钢筋实际重量与理论重量的偏差符合表4规定时,钢筋直径允许偏差不作交货条件。表3公称直径/mm允许偏差/mm不圆度/mm6(6.5)81012±0.3≤0.41416182022±0.46.4长度及允许偏差6.4.1长度6.4.1.1钢筋可按直条或盘卷交货。6.4.1.2直条钢筋定尺长度应在合同中注明。6.4.2长度允许偏差按定尺长度交货的直条钢筋其长度允许偏差范围为0~+50mm。6.5弯曲度和端部6.5.1直条钢筋的弯曲度应不影响正常使用,总弯曲度不大于钢筋总长度的0.4%。6.5.2钢筋端部应剪切正直,局部变形应不影响使用。6.6重量及允许偏差6.6.1钢筋按实际重量交货,也可按理论重量交货。6.6.2直条钢筋实际重量与理论重量的允许偏差应符合表4的规定。表4公称直径/mm实际重量与理论重量的偏差/%6~12±714~22±56.6.3盘重按盘卷交货的钢筋,每根盘条重量应不小于500kg,每盘重量应不小于1000kg。7.3.1钢筋的屈服强度ReL、抗拉强度Rm、断后伸长率A、最大力总伸长率Agt等力学性能特征值应符合表6的规定。表6所列各力学性能特征值,可作为交货检验的最小保证值。表6牌号ReLMPaRmMPaA%Agt%冷弯试验180°d-弯芯直径a-钢筋公称直径不小于HPB23523537025.010.0d=aHPB3003004207.3.2根据供需双方协议,伸长率类型可从A或Agt中选定。如伸长率类型未经协议确定,则伸长率采用A,仲裁检验时采用Agt。8.1检验项目每批钢筋的检验项目,取样方法和试验方法应符合表7的规定。表7序号检验项目取样数量取样方法试验方法1化学成分(熔炼分析)1GB/T20066GB/T223GB/T43362拉伸2任选两根钢筋切取GB/T228、本标准8.23弯曲2任选两根钢筋切取GB/T232、本标准8.24尺寸逐支(盘)本标准8.35表面逐支(盘)目视6重量偏差本标准8.4本标准8.4注:对化学分析和拉伸试验结果有争议时,仲裁试验分别按GB/T223、GB/T228进行。5.1一般规定5.1.1钢筋焊接接头或焊接制品(焊接骨架、焊接网)应按检验批进行质量检验与验收。检验批的划分应符合本章第5.2节~第5.8节的有关规定。质量检验与检收应包括外观质量检查和力学性能检验,并划分为主控项目和一般项目两类。5.1.2纵向受力钢筋焊接接头验收中,闪光对焊接头、箍筋闪光对焊接头、电弧焊接头、电渣压力焊接头、气压焊接头、预埋件钢筋T形接头的连接方式检查和接头力学性能检验应为主控项目,焊接接头的外观质量检查应为一般项目。主控项目的质量应符合本规程的有关规定。5.1.3非纵向受力钢筋焊接接头的质量检验与验收,包括焊接骨架、焊接网交叉钢筋电阻点焊焊点、钢筋与钢板电弧搭接焊接头为一般项目。5.1.4纵向受力钢筋焊接接头的连接方式应符合设计要求,并应全数检查,检验方法为目视观察。5.1.5纵向受力钢筋焊接接头的外观质量检查应符合下列规定:1每一检验批中应随机抽取10%的焊接接头;箍筋闪光对焊接头应随机抽取5%。检查结果,当外观质量各小项不合格数均小于或等于抽检数的10%,则该批焊接接头外观质量评为合格。2当某一小项不合格数超过抽检数的10%时,应对该批焊接接头该小项逐个进行复检,并剔出不合格接头:对外观检查不合格接头采取修整或焊补措施后,可提交二次验收。5.1.6焊接接头外观检查时,首先应由焊工对所焊接头或制品进行自检;然后由施工单位专业质量检查员检验;监理(建设)单位进行验收记录。5.1.7施工单位专业检查员应检查焊接材料产品合格证和焊接工艺试验时的接头力学性能试验报告。5.1.8钢筋焊接接头力学性能检验时,应在接头外观检...

1、当您付费下载文档后,您只拥有了使用权限,并不意味着购买了版权,文档只能用于自身使用,不得用于其他商业用途(如 [转卖]进行直接盈利或[编辑后售卖]进行间接盈利)。
2、本站所有内容均由合作方或网友上传,本站不对文档的完整性、权威性及其观点立场正确性做任何保证或承诺!文档内容仅供研究参考,付费前请自行鉴别。
3、如文档内容存在违规,或者侵犯商业秘密、侵犯著作权等,请点击“违规举报”。

碎片内容

全部钢筋与焊接内容内容比较全

确认删除?
VIP
微信客服
  • 扫码咨询
会员Q群
  • 会员专属群点击这里加入QQ群
客服邮箱
回到顶部