电脑桌面
添加小米粒文库到电脑桌面
安装后可以在桌面快捷访问

电力线路施工安全工作票[1]VIP免费

电力线路施工安全工作票[1]_第1页
1/29
电力线路施工安全工作票[1]_第2页
2/29
电力线路施工安全工作票[1]_第3页
3/29
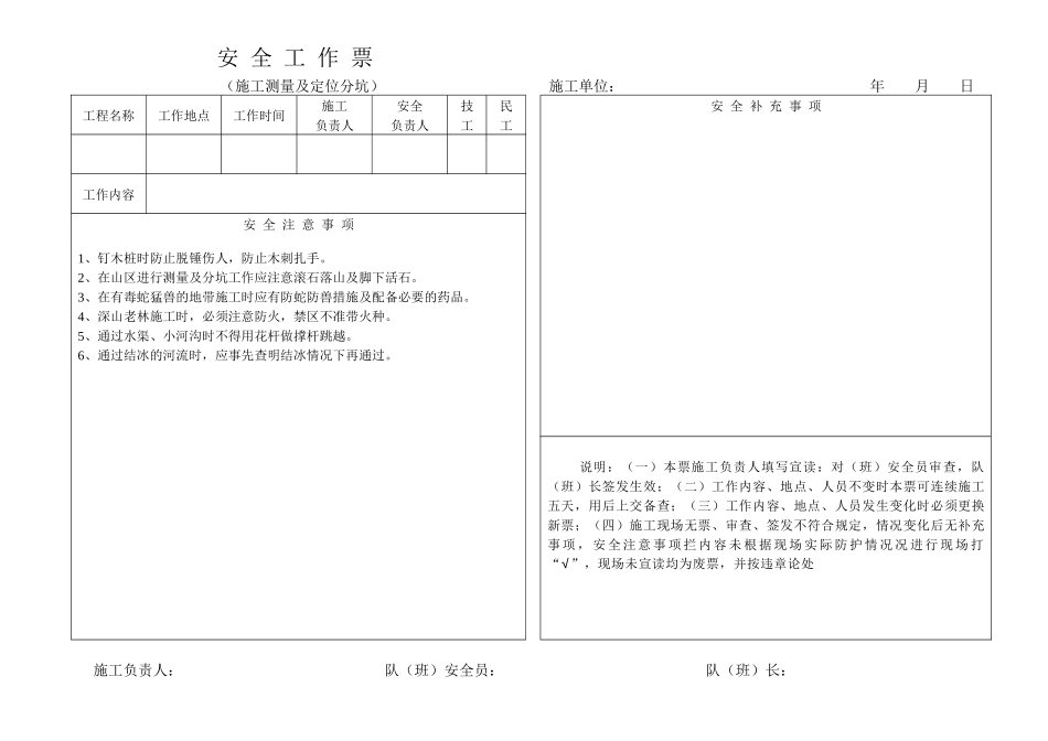
安全工作票(施工测量及定位分坑)施工单位:年月日工程名称工作地点工作时间施工负责人安全负责人技工民工安全补充事项工作内容安全注意事项1、钉木桩时防止脱锤伤人,防止木刺扎手。2、在山区进行测量及分坑工作应注意滚石落山及脚下活石。3、在有毒蛇猛兽的地带施工时应有防蛇防兽措施及配备必要的药品。4、深山老林施工时,必须注意防火,禁区不准带火种。5、通过水渠、小河沟时不得用花杆做撑杆跳越。6、通过结冰的河流时,应事先查明结冰情况下再通过。说明:(一)本票施工负责人填写宣读:对(班)安全员审查,队(班)长签发生效;(二)工作内容、地点、人员不变时本票可连续施工五天,用后上交备查;(三)工作内容、地点、人员发生变化时必须更换新票;(四)施工现场无票、审查、签发不符合规定,情况变化后无补充事项,安全注意事项拦内容未根据现场实际防护情况况进行现场打“√”,现场未宣读均为废票,并按违章论处施工负责人:队(班)安全员:队(班)长:安全工作票(桩式基础)施工单位:年月日工程名称工作地点工作时间施工负责人安全负责人技工民工安全补充事项工作内容安全注意事项1、作业前应全面检查机电设备,电器绝缘子和制动装置是否良好,传运部分是否有防护罩。2、钻机、打桩机运转时不准进行检查。3、打桩作业应注意安全事项:1)作业人员应听从统一指挥,按指挥起落桩锤;2)起落桩锤速度应均匀,桩锤下方严禁站人;3)打桩时如发现异常应停止工作,检查处理后方可继续作业;4)暂停作业或移动桩架时,桩锤必须放至最低位置。4、灌注桩施工安全注意事项:1)潜水钻机的电钻应使用封闭式防水电机,接电机的电缆必须绝缘良好;2)不得超负进钻,接钻杆时应先停止电钻转动,后提升钻杆;3)严禁作业人员进入没有护筒或其他防护设施的钻孔内进行工作;4)移动钻架和抱杆时,应设置临时拉线并有专人进行操作,作业时应由统一指挥。说明:(一)本票施工负责人填写宣读:对(班)安全员审查,队(班)长签发生效;(二)工作内容、地点、人员不变时本票可连续施工五天,用后上交备查;(三)工作内容、地点、人员发生变化时必须更换新票;(四)施工现场无票、审查、签发不符合规定,情况变化后无补充事项,安全注意事项拦内容未根据现场实际防护情况况进行现场打“√”,现场未宣读均为废票,并按违章论处施工负责人:队(班)安全员:队(班)长:安全工作票(人力运输和装卸)施工单位:年月日工程名称工作地点工作时间施工负责人安全负责人技工民工安全补充事项工作内容安全注意事项1、工作前对工器具进行认真检查,对运输路线要进行了解并清楚障碍物。2、山区抬运较大物件所经过的道路其宽度不应小于1.2m,坡度不应大于1:4。3、重大物件不得直接用肩扛运,抬运时应投入一人指挥,步调一致,同起同落防止伤人。4、雨雪天过后抬运物件时,经过山坡或高低不平之处,应事先选择好行走路线并有防滑措施。5、用跳板或圆木装卸滚动物件时,应用绳索控制,滚物前不得有人。6、钢筋混凝土电杆装卸车时,车辆不得停在有坡度的路面上,每装卸一根,其余电杆应掩牢,每卸完一处,剩余电杆帮扎牢固后方可连续运输。7、卸到桩位的电杆要确认放妥后方可离人。说明:(一)本票施工负责人填写宣读:对(班)安全员审查,队(班)长签发生效;(二)工作内容、地点、人员不变时本票可连续施工五天,用后上交备查;(三)工作内容、地点、人员发生变化时必须更换新票;(四)施工现场无票、审查、签发不符合规定,情况变化后无补充事项,安全注意事项拦内容未根据现场实际防护情况况进行现场打“√”,现场未宣读均为废票,并按违章论处施工负责人:队(班)安全员:队(班)长:安全工作票(土石方开挖)施工单位:年月日工程名称工作地点工作时间施工负责人安全负责人技工民工安全补充事项工作内容安全注意事项1、人工开挖坑所使用的工器具必须牢固。2、坑上要设安全监护人,坑深超过1.5m时,上下坑应有攀登措施如设梯子等。3、坑底面积超过2m2时可由两人同时挖掘,但不得面对面或互相靠近工作,向坑外抛土时,应防止土石块回落伤人。4、严禁采用采用掏洞的方法掏...

1、当您付费下载文档后,您只拥有了使用权限,并不意味着购买了版权,文档只能用于自身使用,不得用于其他商业用途(如 [转卖]进行直接盈利或[编辑后售卖]进行间接盈利)。
2、本站所有内容均由合作方或网友上传,本站不对文档的完整性、权威性及其观点立场正确性做任何保证或承诺!文档内容仅供研究参考,付费前请自行鉴别。
3、如文档内容存在违规,或者侵犯商业秘密、侵犯著作权等,请点击“违规举报”。

碎片内容

电力线路施工安全工作票[1]

您可能关注的文档

确认删除?
VIP
微信客服
  • 扫码咨询
会员Q群
  • 会员专属群点击这里加入QQ群
客服邮箱
回到顶部