电脑桌面
添加小米粒文库到电脑桌面
安装后可以在桌面快捷访问

煤矿测量规程大全VIP专享VIP免费

煤矿测量规程大全_第1页
1/36
煤矿测量规程大全_第2页
2/36
煤矿测量规程大全_第3页
3/36
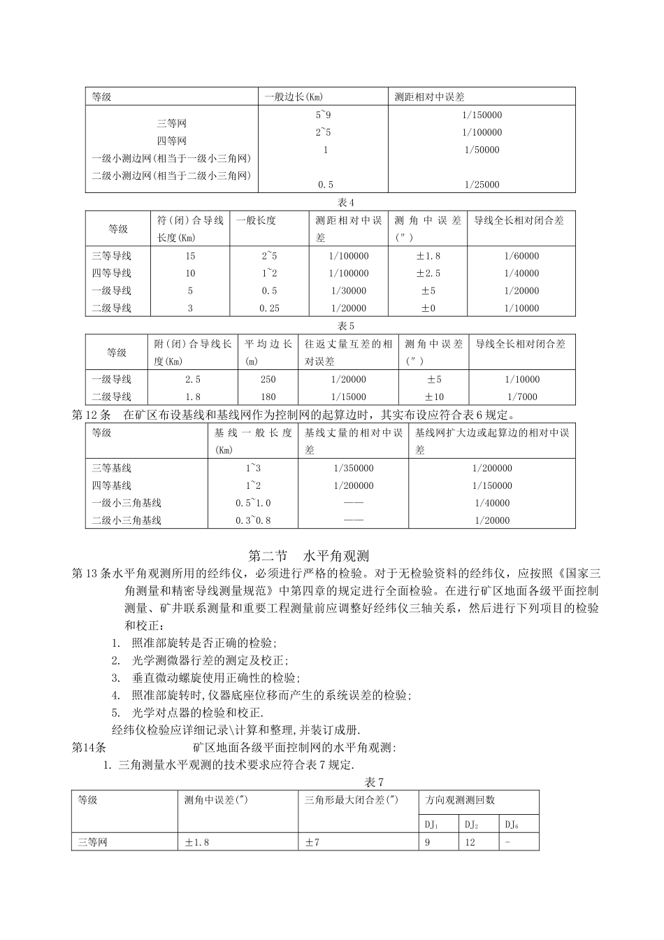
煤矿测量规程第一篇总则第1条煤矿测量工作是矿山生产建设的重要要环节,也是矿山建设、生产、改造和编制长远发展规划等各项工作的基础。为了实现煤矿测量工作标准化,进一步提高工作质量,使煤矿测量更好地为煤矿安全生产和合理开采煤炭资源服务,不断提高煤矿企业的经济效益和社会效益,特制定本规程。第2条煤矿测量工作的主要任务是:1.建立矿区地面和井下(露天坑)测量控制系统,为煤矿各项测量工作提供起算数据:2.依据设计文件,进行采掘(剥)、土建、管线和机电安装等工程测量工作,并在煤矿基本建设和生产各个阶段,对采掘(剥)工程是否按设计施工进行检查和监督;3.利用测绘资料,解决煤矿生产、建设和改造中提出的各种测绘问题,并为煤矿灾害的预防、救护提供有关的测绘资料;4.测绘各种煤矿测量图,满足煤矿生产、建设和规划各阶段的需要;5.定期进行矿井“三量”(开拓煤量、准备煤量和回采煤量)、露天矿“二量”(开拓煤量、回采煤量)和露天矿采剥量的统计分析;正确反映煤矿采掘(剥)关系现状。按《产矿井储量管理规定》的要求;对煤矿各级储量动态及损失量进行统计个管理工作,对煤炭资源的合理开采进行业务监督。6.建立地表、岩层和建(构)筑物变形观测站,开展矿区地表与岩层移动规律、采矿或非采矿沉陷综合治理以及环境保护工作的研究;7.根据矿区地表和岩层移动变形参数,设计和修改各类煤柱。参与“三下”(铁路下、水柱下和建筑物下)采煤和塌陷区综合治理以及土地征用和村庄搬迁的方案设计和实施。8.进行矿区范围内的地籍测量;9.参与本矿区(矿)月度、季度、年度生产计划和长远发展规划的编制工作。第3条测量工作开始前,应根据任务要求,收集和分析有关测量资料,进行必要的现场勘踏,制定经济合理的技术方案,编写技术设计书,在施册过程中,外业观测工作本身须有校核。对起算数据、外业记录和计算成果均需经过严格的检查或对算。对磁性介质存储的软件和数据,在使用前必须进行考机。重要测量工作必须独立地进行两次或两次以上的观测和计算,工程结束后要编写技术总结(或说明)并做好资料整理归档工作。第4条为了保证测绘成果的质量,对测绘仪器、工具应加强管理,精心使用。定期检验、校正和维修。在进行重要测量工作前,对使用的仪器、工具亦必须检验和校正。第5条一个矿区应采用统一的坐标和高程系统。为了便于成果、成图的相互利用,应尽可能采用国家3。带高斯平面坐标系统。在特殊情况下,可采用任意中央子午线或矿区平均高程面的矿区坐标系统。矿区面积小于50平方公里且无发展可能时,可采用独立坐标系统。矿区高程尽可能采用1985国家高程基准,当无此条件时,方可采用假定高程系统。第6条本规程地面控制测量部分未规定的其它技术要求和地形测量部分,按国家测绘颁发的现行规范执行。第7条本规程以中误差与允许误差作为评定测量精度的标准,允许误差一般采用中误差的两倍。各煤矿应经常对实测成果进行总结分析,以求得各种测量误差的参数。第8条所有的矿区都应积极创造条件,引进先进仪器和先进设备,推广电子计算技术,逐步建立煤矿测绘资料和储量动态数据库,实现数据采集、存储、处理和绘图的自动化,不断提高煤矿测绘技术的现代化管理水平。第9条在符合本规程精度要求的前提下,应提倡采用经过鉴定、行之有效的技术革新成果。第二篇矿区地面控制测量第一章矿区地面平面筐子测量第一节基本要求第10条矿区地面平面控制网可采用三角网、边角网、测边网和导线网等布网方法建立。矿区首级平面控制网必须考虑矿区远景发展的需要。一般在国家一、二等平面控制网基础上布设,其等级应依矿区走向长度,参照表1选定。表1矿区走向长度Km)首级控制加密控制26~1005~25<5三等四等一、二级(小三角、小测边或导线)四等,一级(小三角,小测边或导线)一级(小三角、小测边或导线)在满足当前生产建设的前提下,加密网可以采用越级加密控制网的方法.第11条矿区地面各级平面控制网的布设:1.三角网的布设应符合表2规定.2.测边网的布设应符合表3规定.3.光电测距导线的布设应符合表4规定.4.钢尺量距导线的布设应符合表5规定.表2等级一般边长(Km)测角中误差(...

1、当您付费下载文档后,您只拥有了使用权限,并不意味着购买了版权,文档只能用于自身使用,不得用于其他商业用途(如 [转卖]进行直接盈利或[编辑后售卖]进行间接盈利)。
2、本站所有内容均由合作方或网友上传,本站不对文档的完整性、权威性及其观点立场正确性做任何保证或承诺!文档内容仅供研究参考,付费前请自行鉴别。
3、如文档内容存在违规,或者侵犯商业秘密、侵犯著作权等,请点击“违规举报”。

碎片内容

煤矿测量规程大全

确认删除?
VIP
微信客服
  • 扫码咨询
会员Q群
  • 会员专属群点击这里加入QQ群
客服邮箱
回到顶部