电脑桌面
添加小米粒文库到电脑桌面
安装后可以在桌面快捷访问

水利工程安全技术交底VIP免费

水利工程安全技术交底_第1页
1/51
水利工程安全技术交底_第2页
2/51
水利工程安全技术交底_第3页
3/51
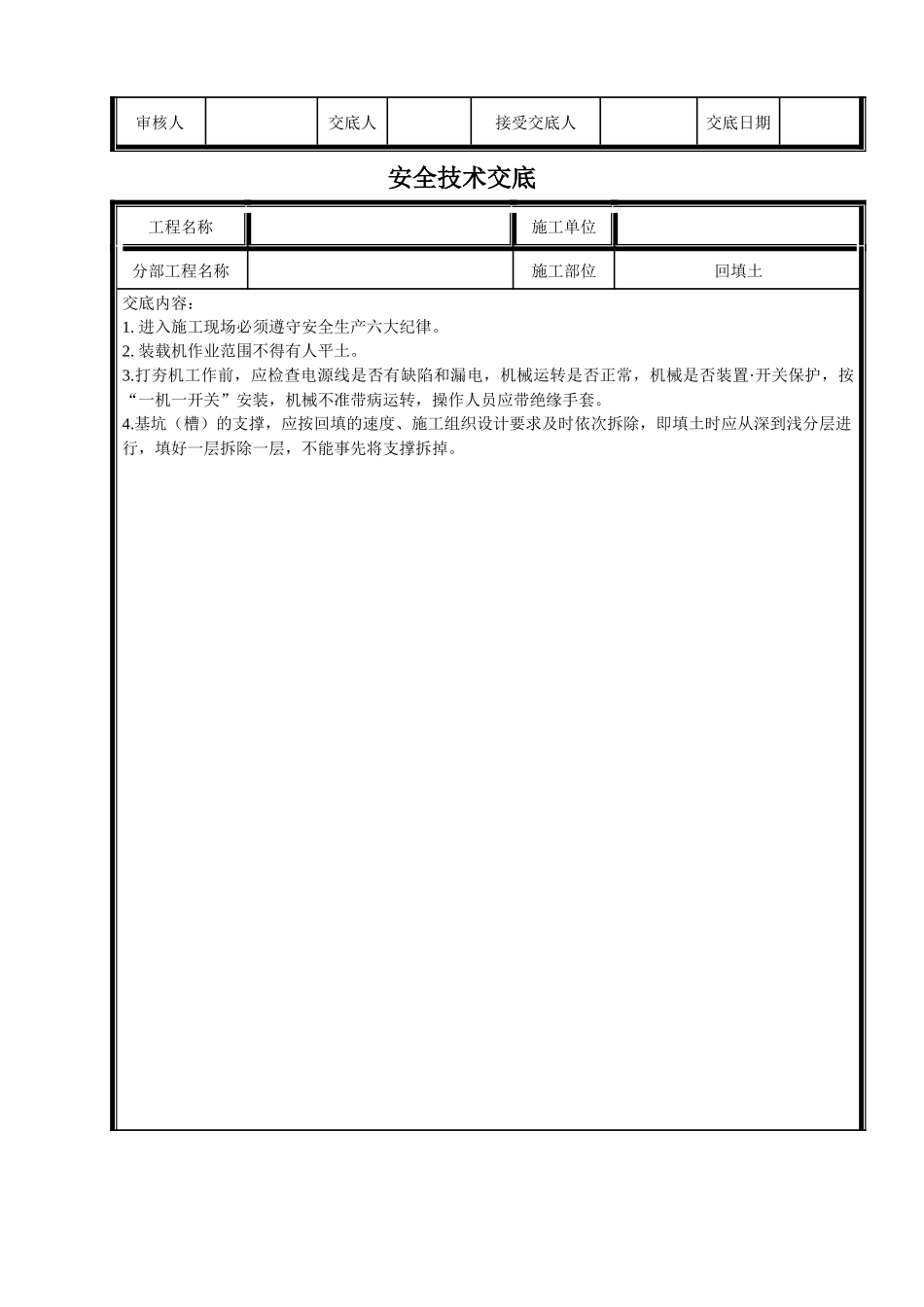
安全技术交底工程名称施工单位分部工程名称施工部位交底内容:1.进入施工现场必须遵守安全生产六大纪律。2.挖土中发现管道、电缆及其他埋设物应及时报告,不得擅自处理。3.挖土时要注意土壁的稳定性,发现有裂缝及倾坍可能时,人员应立即离开并及时处理。4.人工挖土,前后操作人员间距离不得小于2~3m,堆土要在1m以外,并且高度不得超过1.5m。5.每日或雨后必须检查土壁及支撑的稳定情况,在确保安全的情况下继续工作,并且不得将土和其他物件堆在支撑上,不得在支撑下行走或站立。6.机械挖土,启动前应检查离合器、钢丝绳等,经空车试运转正常后再开始作业。7.机械操作中进铲不得过深。8.机械不得在输电线路下工作,应该输电线路一侧工作,不论在任何情况下,机械的任何部位与架空输电线路的最近距离应符合安全操作规程要求。9.机械应停在坚实的地基上,如基础过差,应采取走道板等加固措施,不得将挖掘机履带与挖空的基坑平行2m停、驶。运土汽车不宜靠近基坑平行行驶,防止坍方翻车。10.电缆两侧1m范围内应采用人工挖掘。11.配合拉铲的清坡、清底工人,不准在机械回转半径下工作。12.向汽车上卸土应在车子停稳定后进行。禁止铲斗从汽车驾驶室上空越过。13.基坑四周设置护栏,要设置一定数量临时上下施工楼梯。14.场内道路应及时整修,确保车辆安全畅通,各种车辆应有专人负责指挥引导。15.车辆进出门口的人行道下,如有地下管线(道)必须铺设后钢板,或浇捣混凝土加固。16.在开挖杯基坑时,必须设有切实可行的排水措施,以免基坑积水,影响基坑土壤结构。17.基坑开挖前,必须摸清基坑下的管线排列和地质开采资料,以利考虑开挖过程中的以外应急措施(流砂等特殊情况)。18.清坡清底人员必须根据设计标高做好清底工作,不得超挖。如果超挖不得将松土回填,以免影响基础的质量。19.开挖出的土方,要严格按照施工组织设计堆放,不得堆于基坑外侧,以免引起地面堆载超荷引起土体位移、板桩位移或支撑破坏。20.挖土机械不得在施工中碰撞支撑,以免引起支撑破坏或拉损。补充内容:审核人交底人接受交底人交底日期安全技术交底工程名称施工单位分部工程名称施工部位回填土交底内容:1.进入施工现场必须遵守安全生产六大纪律。2.装载机作业范围不得有人平土。3.打夯机工作前,应检查电源线是否有缺陷和漏电,机械运转是否正常,机械是否装置·开关保护,按“一机一开关”安装,机械不准带病运转,操作人员应带绝缘手套。4.基坑(槽)的支撑,应按回填的速度、施工组织设计要求及时依次拆除,即填土时应从深到浅分层进行,填好一层拆除一层,不能事先将支撑拆掉。补充内容:审核人交底人接受交底人交底日期安全技术交底工程名称施工单位分部工程名称施工部位砌筑工程交底内容:1.进入施工现场必须戴好安全帽,扣好帽带,并正确使用个人劳动防护用具。2.操作人员必须身体健康,并经过专业培训考试合格,在取得有关部门颁发的操作证或特殊工种操作证后,方可独立操作。学员必须在师傅的指导下进行操作。3.悬空作业应有牢靠的立足处,并必须视具体情况,配置防护网、栏杆、或其他安全设施4.悬空作业所用的锁具、脚手板等设备,均需经过技术鉴定或检证方可使用。5.在操作之前必须检查操作环境是否符合安全要求,道路是否畅通,机具是否完好牢固,安全设施和防护用品是否齐全,经检查符合要求后才可施工。6.砌基础时,应检查和经常注意基坑土质变化情况,有无崩裂现象,堆放石料、砖块材料应离开坑边1m以上,当深基坑装设挡板支撑时,操作人员应设梯子上下,不得攀跳,运料不得碰撞支撑,也不得踩踏砌体和支撑上下。7.墙身砌体高度超过地坪1.2m以上时,应搭设脚手架,在一层以上或高度超过4m时,采用立交手机必须支搭安全网,采用外脚手架应设护身栏杆和挡脚板后方可砌筑。8.脚手架上堆料量不得超过规定的荷载,堆砖高度不得超过3皮侧砖,同一块脚手板上的操作人员不得超过2人。9.不得站在墙顶上做划线、刮缝和清扫墙面或检查大角垂直等工作。10.不准用不稳固的工具或物体在脚手板上垫高操作,更不准在未经过加固的情况下,在一层脚手架上随意再叠加一层,脚手板不允许有空头现象,不准用2”×...

1、当您付费下载文档后,您只拥有了使用权限,并不意味着购买了版权,文档只能用于自身使用,不得用于其他商业用途(如 [转卖]进行直接盈利或[编辑后售卖]进行间接盈利)。
2、本站所有内容均由合作方或网友上传,本站不对文档的完整性、权威性及其观点立场正确性做任何保证或承诺!文档内容仅供研究参考,付费前请自行鉴别。
3、如文档内容存在违规,或者侵犯商业秘密、侵犯著作权等,请点击“违规举报”。

碎片内容

水利工程安全技术交底

您可能关注的文档

确认删除?
VIP
微信客服
  • 扫码咨询
会员Q群
  • 会员专属群点击这里加入QQ群
客服邮箱
回到顶部