电脑桌面
添加小米粒文库到电脑桌面
安装后可以在桌面快捷访问

交通配套设施(标线、标志、交通信号灯)工程VIP免费

交通配套设施(标线、标志、交通信号灯)工程_第1页
1/23
交通配套设施(标线、标志、交通信号灯)工程_第2页
2/23
交通配套设施(标线、标志、交通信号灯)工程_第3页
3/23
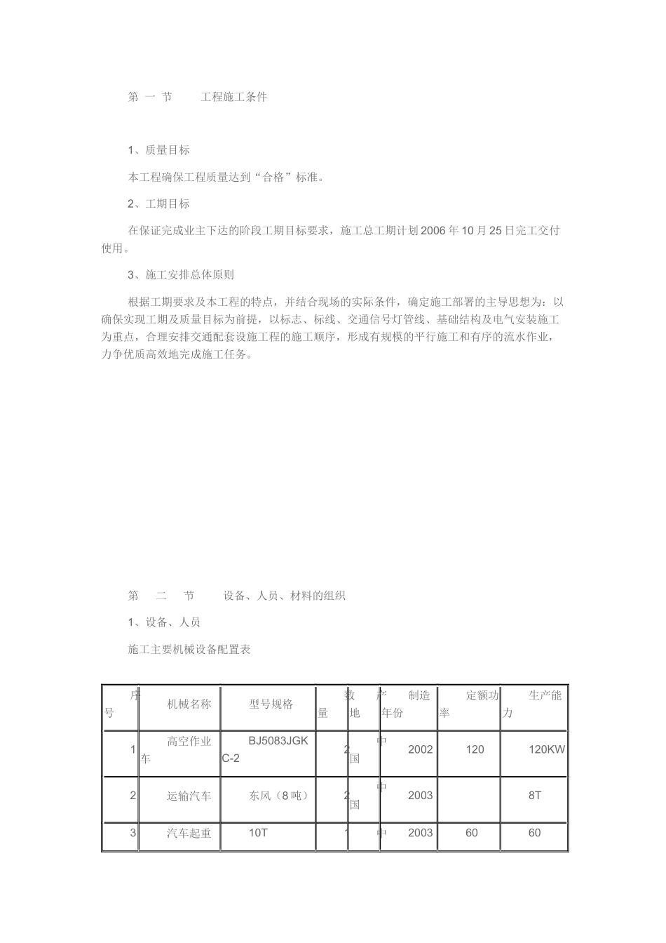
第一章综合说明第一节编制说明1.1、本《施组》的编制力求做到详细,具有可操作性和实施性,尽量做到能用于指导实际施工。针对本工程的施工特点,从施工组织、技术方案、质量保证措施、工期控制、成本控制、安全、环保和文明施工等方面进行具体说明。1.2、我公司将按照业主的要求,高效、优质、安全、文明完成合同文件中规定的工程任务。我们将全力以赴,做好施工前期准备和施工现场的总体规划部署,发挥我公司的技术、管理优势,以完整的管理组织机构,严格的岗位责任制度,扎实的工作作风,对劳动力、设备、材料、技术等方面进行全面的优化,确保在合同工期内优质、高效的完成本工程。1.3、按照业主、监理的要求,做好各方面的协调工作,调动全公司的力量,确保达到合同文件中对工程目标所作出的承诺。第二节编制原则施工组织设计按照业主提出的要求,以及合同文件的规定,即将该项目工程建设成合格质量的原则编制,具体体现在以下几个方面:1、严格执行国家有关技术规范、操作规程和质量检验评定标准。2、严格执行国家法令、法规、政策、办法和制度。3、确保招标文件对施工组织设计的具体要求。针对本合同段的施工特点、难点着重考虑相应的施工方案和措施。采用我单位近年来在类似工程建设中使用的先进施工方法、工艺设备。3.1、施工进度计划满足施工工期要求,并充分考虑气候、环境对施工的影响。3.2、施工方案优化,工艺先进合理、措施切实可行,保证工期,保证质量,保证安全。充分考虑各种不利施工进度和质量的因素,在工期安排、人员设备配置、施工方法等方面综合考虑时留有余地。3.3、设置合理的项目机构,派遣精干的施工队伍和最雄厚的技术力量,并组成一个强有力的交通配套设施工程施工队伍。专业技术管理人员数量和资历满足招标文件的要求。3.4、施工机械设备配备齐全合理,并配有备用的设备,满足施工方案的工艺要求。3.5、劳动力安排和主要材料的供应计划满足施工方案和进度要求。3.6、保证质量、工期、安全、环保、季节性施工、文明施工等施工组织和技术保证措施切实可行。3.7、树立视优良工程为合格工程的标准。第三节编制依据3.1、佛山市季华路东延线道路工程DYS-02标段招标文件、投标文件、施工合同、交通配套设施工程两阶段施工图设计、变更图纸、图纸会审纪要等。3.2、我公司施工类似工程所积累的工法成果、工艺方案以及所拥有的施工技术力量和机械设备。3.3、国家相关法律、法规及以及国家交通部、建设部及地方颁布的最新的市政工程施工及验收规范,本工程拟采用的主要规范、规程及标准(规程)《电气装置安装工程低压电器施工及验收规范》(GB50254-96)《电气装置安装工程电缆线路施工及验收规范》(GB50168-92)《电气装置安装工程接地装置施工及验收规范》(GB50169-92)《高速公路交通安全设施设计及施工技术规范》JTJ074-94《道路交通标志和标线》GB5768-1999《交通信号机技术要求与测试方法》(GA/T47-93)《道路交通信号灯安装规范》(GB14886-1994)《道路交通信号灯》(GB14887-2003)《LED道路交通诱导可变标示》(GA/T484-2004)《发光二极管空白详细规范》(GB/T12561-1990)《LED电子显示屏检测方法》中相关技术要求达C级以上《LED显示屏检测方法》(试行)《LED显示屏通用规范》(SJ/T11141-1997)《信息技术设备(包括电气事务设备)的安全》(GB4943-95)第四节编制范围佛山市季华路东延线道路工程DYS-02合同段,施工内容包含K0+700~K1+363.37桩号范围的交通配套设施(标线、标志、交通信号灯)工程。第二章施工总体部署第一节工程施工条件1、质量目标本工程确保工程质量达到“合格”标准。2、工期目标在保证完成业主下达的阶段工期目标要求,施工总工期计划2006年10月25日完工交付使用。3、施工安排总体原则根据工期要求及本工程的特点,并结合现场的实际条件,确定施工部署的主导思想为:以确保实现工期及质量目标为前提,以标志、标线、交通信号灯管线、基础结构及电气安装施工为重点,合理安排交通配套设施工程的施工顺序,形成有规模的平行施工和有序的流水作业,力争优质高效地完成施工任务。第二节设备、人员、材料的组织1、设备、人...

1、当您付费下载文档后,您只拥有了使用权限,并不意味着购买了版权,文档只能用于自身使用,不得用于其他商业用途(如 [转卖]进行直接盈利或[编辑后售卖]进行间接盈利)。
2、本站所有内容均由合作方或网友上传,本站不对文档的完整性、权威性及其观点立场正确性做任何保证或承诺!文档内容仅供研究参考,付费前请自行鉴别。
3、如文档内容存在违规,或者侵犯商业秘密、侵犯著作权等,请点击“违规举报”。

碎片内容

交通配套设施(标线、标志、交通信号灯)工程

您可能关注的文档

确认删除?
VIP
微信客服
  • 扫码咨询
会员Q群
  • 会员专属群点击这里加入QQ群
客服邮箱
回到顶部