电脑桌面
添加小米粒文库到电脑桌面
安装后可以在桌面快捷访问

职业健康安全环境保护专项施工方案(DOC78页)VIP免费

职业健康安全环境保护专项施工方案(DOC78页)_第1页
1/78
职业健康安全环境保护专项施工方案(DOC78页)_第2页
2/78
职业健康安全环境保护专项施工方案(DOC78页)_第3页
3/78
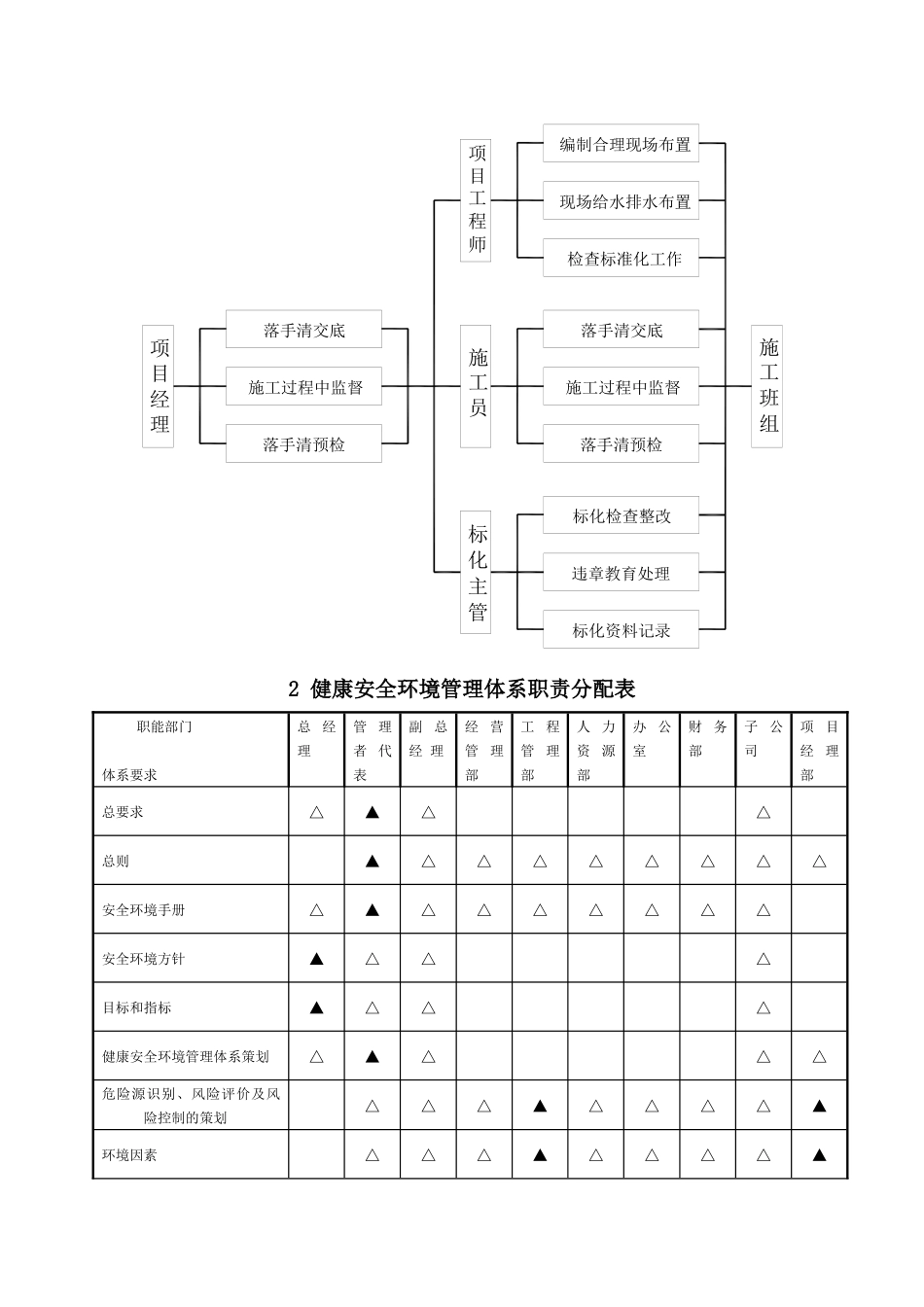
目 录1 健康安全环境管理体系组织机构图..........................12 健康安全环境管理体系职责分配表..........................23 管理职责................................................44 环境因素识别与评价程序..................................95 危险源辨识、风险评价和风险控制程序.....................116 安全防护控制程序.......................................157 环境保护控制程序.......................................178 节能降耗控制程序.......................................198 应急准备和响应控制程序.................................209 事故报告、调查处理程序.................................2310 环境管理方案..........................................2811 健康管理方案..........................................3512 安全管理方案..........................................36附录 1 以过程为基础的健康安全环境管理体系模式.............52附录 2 健康安全环境管理体系过程分解图.....................53附录 3 环境因素评价表.....................................54附录 4 危险源辨识与评价调查表.............................641 健康安全环境管理体系组织机构图施工单位文明施工保证体系2 健康安全环境管理体系职责分配表 职能部门 体系要求总 经理管理者代表副总经 理经营管理部工 程管 理部人力资源部办公室财务部子 公司项目经理部总要求△▲△△总则▲△△△△△△△△安全环境手册△▲△△△△△△△安全环境方针▲△△△目标和指标▲△△△健康安全环境管理体系策划△▲△△△危险源识别、风险评价及风险控制的策划△△△▲△△△△▲环境因素△△△▲△△△△▲编制合理现场布置现场给水排水布置检查标准化工作落手清交底施工过程中监督落手清预检标化资料记录违章教育处理标化检查整改落手清预检施工过程中监督落手清交底项目工程师施工员标化主管施工班组项目经理文明施工保证体系法律、法规及其他要求△△△▲△△△△▲工作环境△▲△▲△△▲产品防护▲▲▲监视和测量装置控制▲△▲运行控制△△▲△△△▲▲应急准备和响应△△▲△△△▲▲过程的监视和测量△△▲△△△△▲产品的监视和测量△▲△▲职业健康安全及环境的监视和测量△△▲△△△△▲3 管理职责3.1 管理承诺为保证管理体系的有效运行,总经理做出以下承诺:a) 制订批准...

1、当您付费下载文档后,您只拥有了使用权限,并不意味着购买了版权,文档只能用于自身使用,不得用于其他商业用途(如 [转卖]进行直接盈利或[编辑后售卖]进行间接盈利)。
2、本站所有内容均由合作方或网友上传,本站不对文档的完整性、权威性及其观点立场正确性做任何保证或承诺!文档内容仅供研究参考,付费前请自行鉴别。
3、如文档内容存在违规,或者侵犯商业秘密、侵犯著作权等,请点击“违规举报”。

碎片内容

职业健康安全环境保护专项施工方案(DOC78页)

您可能关注的文档

确认删除?
VIP
微信客服
  • 扫码咨询
会员Q群
  • 会员专属群点击这里加入QQ群
客服邮箱
回到顶部