电脑桌面
添加小米粒文库到电脑桌面
安装后可以在桌面快捷访问

某公司通信网络工程验收规范VIP免费

某公司通信网络工程验收规范_第1页
1/109
某公司通信网络工程验收规范_第2页
2/109
某公司通信网络工程验收规范_第3页
3/109
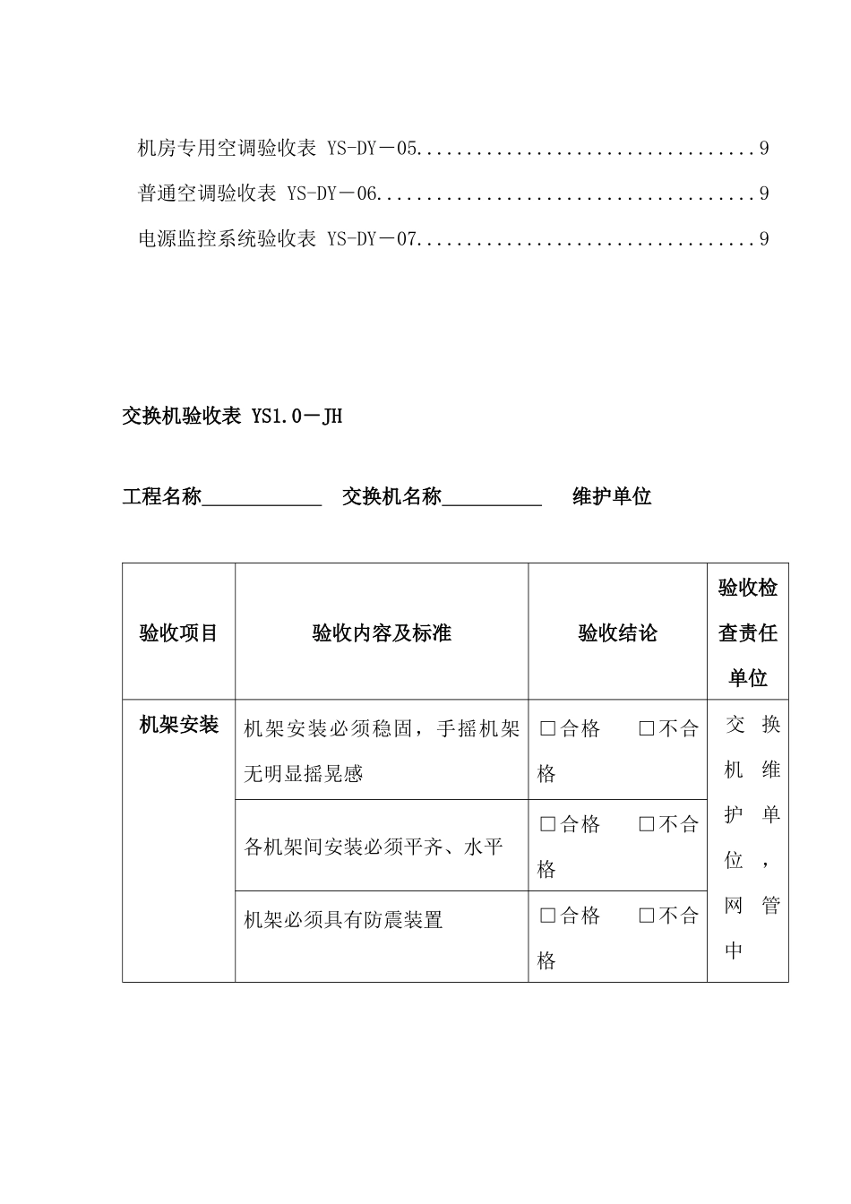
九.附表:<验收规范>重庆移动通信有限责任公司通信网络工程验收规范(V1.0)交换机验收表 YS-JH............................................2基站主设备室内安装验收表 YS-JZ-01.............................7基站天馈线设备安装验收表 YS-JZ-02.............................9基站硬件设备工作状态检查表 YS-JZ-03...........................9基站天馈线测试及工程资料检查表 YS-JZ-04.......................9铁塔验收表 YS-TT..............................................9室内覆盖工程验收表 YS-SNFG....................................9SDH 设备验收表 YS-CS-01......................................9微波设备验收表 YS-CS-02......................................9架空线路工程验收表 YS-CS-03..................................9管道工程验收表 YS-CS-04......................................9开关电源验收表 YS-DY-01......................................9柴油发电机验收表 YS-DY-02....................................9蓄电池验收表 YS-DY-03........................................9UPS 验收表 YS-DY-04..........................................9机房专用空调验收表 YS-DY-05..................................9普通空调验收表 YS-DY-06......................................9电源监控系统验收表 YS-DY-07..................................9交换机验收表 YS1.0-JH工程名称 交换机名称 维护单位 验收项目验收内容及标准验收结论验收检查责任单位机架安装机架安装必须稳固,手摇机架无明显摇晃感□合格 □不合格交 换机维护单位,网管中各机架间安装必须平齐、水平□合格 □不合格机架必须具有防震装置□合格 □不合格心,工程建设中心机架间必须可靠连接,机架间连接螺丝拎紧,相连机架应紧密靠拢,高度一致□合格 □不合格机架机架安装完毕后,水平、垂直度应符合厂家规定。各直列垂直倾斜误差应小于 3mm□合格 □不合格机柜前后门应开、关顺畅。机柜行、列标签应全部粘贴□合格 □不合格安装机架面板,架前应留有 1.5米空间,机架背面离墙距离应大于 0.8 米□合格 □不合格配线设备机架安装各直列垂直倾斜误差应小于 3毫米,底座水平误差每平方米应小于 2 毫米□合格 □不合格接线端子各种标志应齐全□合格 □不合格上走线桥架及槽道安装走线架横...

1、当您付费下载文档后,您只拥有了使用权限,并不意味着购买了版权,文档只能用于自身使用,不得用于其他商业用途(如 [转卖]进行直接盈利或[编辑后售卖]进行间接盈利)。
2、本站所有内容均由合作方或网友上传,本站不对文档的完整性、权威性及其观点立场正确性做任何保证或承诺!文档内容仅供研究参考,付费前请自行鉴别。
3、如文档内容存在违规,或者侵犯商业秘密、侵犯著作权等,请点击“违规举报”。

碎片内容

某公司通信网络工程验收规范

您可能关注的文档

确认删除?
VIP
微信客服
  • 扫码咨询
会员Q群
  • 会员专属群点击这里加入QQ群
客服邮箱
回到顶部