电脑桌面
添加小米粒文库到电脑桌面
安装后可以在桌面快捷访问

水电施工内业资料给排水与采暖全套验收资料VIP免费

水电施工内业资料给排水与采暖全套验收资料_第1页
1/44
水电施工内业资料给排水与采暖全套验收资料_第2页
2/44
水电施工内业资料给排水与采暖全套验收资料_第3页
3/44
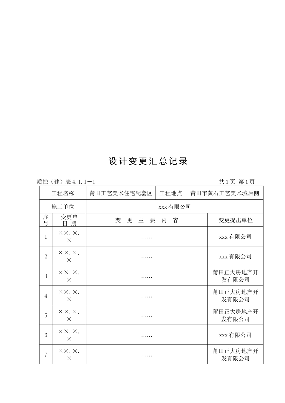
给排水与采暖内业资料目录(一)设 计 变 更 汇 总 记 录 ..............................................3(二)工 程 洽 商 记 录 ..................................................4(三)设 备 开 箱 检 查 记 录............................................5(四)材 料 进 场 抽 样 检 查 记 录.....................................6(五)设 备、材 料 合 格 证 汇 总 表....................................7(六)阀门强度及严密性试验记录........................................8(七)管道、设备强度及严密性试验记录..................................9(八)管道、设备强度及严密性试验记录.................................10(九)管道、设备强度及严密性试验记录.................................11(十)燃气管道强度及严密性试验记录...................................12(十一)隐 蔽 工 程 验 收 记 录 .............................................13(十二)系 统 清 洗 记 录...........................................14(十三)管道系统吹扫(脱脂)检验记录...................................15(十四)排(雨)水管道灌水试验记录.....................................16(十五)排(雨)水管道灌水试验记录.....................................17(十六)排水管道通水能力试验记录.......................................18(十七)排水管道通球试验记录............................................19(十八)水泵试运转测试检查记录.........................................20(十九)室内给水管道及配件安装工程检验批质量验收记录......................21(二十)室内消火栓系统安装工程检验批质量验收记录..........................22(二十一)室内排水管道及配件安装工程检验批质量验收记录......................23(二十二)雨水管道及配件安装工程检验批质量验收记录..........................24(二十三)卫生器具安装工程检验批质量验收记录................................25(二十四)卫生器具给水配件安装工程检验批质量验收记录.........................26(二十五)卫生器具排水管道安装工程检验批质量验收记录.........................27(二十六)分 项 工 程 质 量 验 收 记 录 ................

1、当您付费下载文档后,您只拥有了使用权限,并不意味着购买了版权,文档只能用于自身使用,不得用于其他商业用途(如 [转卖]进行直接盈利或[编辑后售卖]进行间接盈利)。
2、本站所有内容均由合作方或网友上传,本站不对文档的完整性、权威性及其观点立场正确性做任何保证或承诺!文档内容仅供研究参考,付费前请自行鉴别。
3、如文档内容存在违规,或者侵犯商业秘密、侵犯著作权等,请点击“违规举报”。

碎片内容

水电施工内业资料给排水与采暖全套验收资料

您可能关注的文档

确认删除?
VIP
微信客服
  • 扫码咨询
会员Q群
  • 会员专属群点击这里加入QQ群
客服邮箱
回到顶部