电脑桌面
添加小米粒文库到电脑桌面
安装后可以在桌面快捷访问

预应力管桩试桩工程技术交底VIP免费

预应力管桩试桩工程技术交底_第1页
1/11
预应力管桩试桩工程技术交底_第2页
2/11
预应力管桩试桩工程技术交底_第3页
3/11
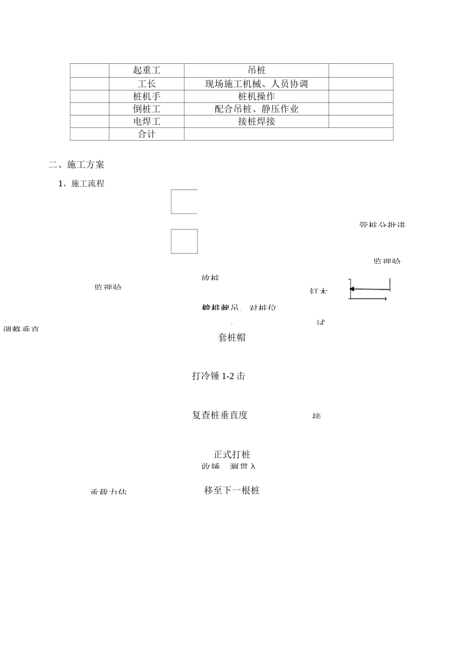
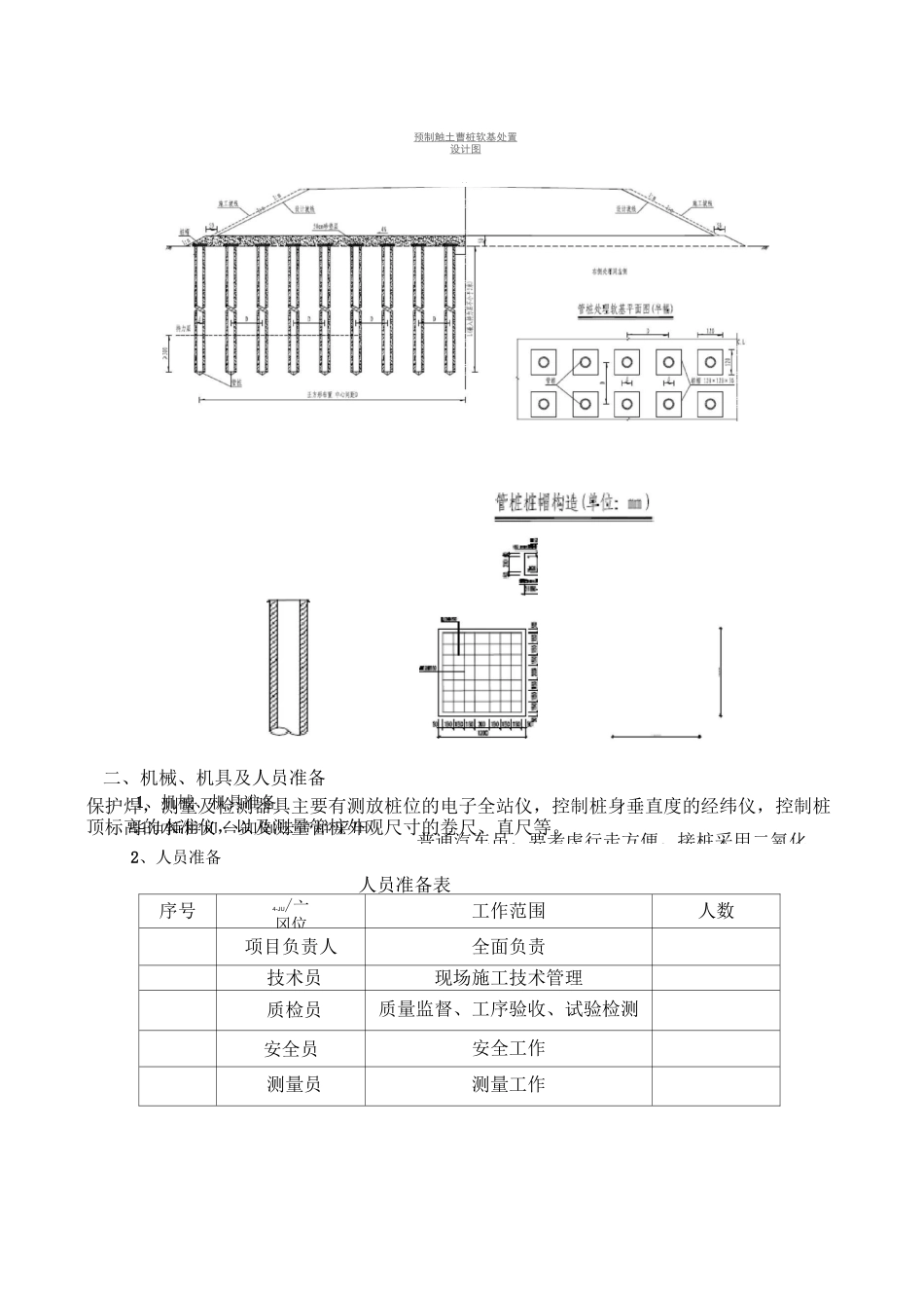
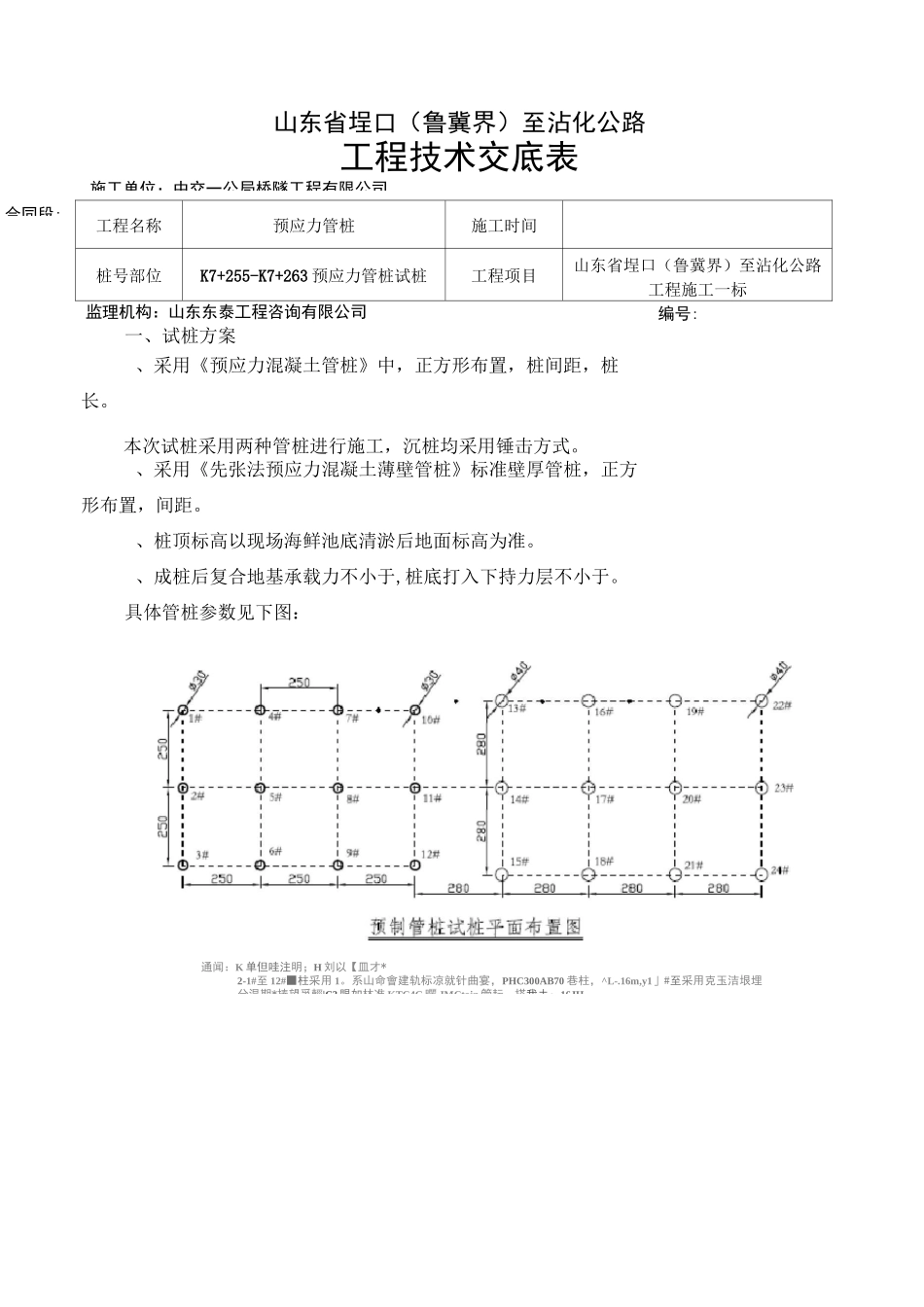
施工单位:中交一公局桥隧工程有限公司合同段:山东省埕口(鲁冀界)至沾化公路工程技术交底表工程名称预应力管桩施工时间桩号部位K7+255-K7+263 预应力管桩试桩工程项目山东省埕口(鲁冀界)至沾化公路工程施工一标一、试桩方案、采用《预应力混凝土管桩》中,正方形布置,桩间距,桩长。、采用《先张法预应力混凝土薄壁管桩》标准壁厚管桩,正方形布置,间距。、桩顶标高以现场海鲜池底清淤后地面标高为准。、成桩后复合地基承载力不小于,桩底打入下持力层不小于。具体管桩参数见下图:通闻:K 单但哇注明;H 刘以【皿才*2-1#至 12#■柱采用 1。系山命會建轨标凉就针曲宴,PHC300AB70 巷柱,^L-.16m,y1」#至采用克玉洁垠埋分混期*捧望爭輕|C3 眼如林准 KTC4G 曬 JMCtain 管耘,搭我±;16JH.监理机构:山东东泰工程咨询有限公司编号:本次试桩采用两种管桩进行施工,沉桩均采用锤击方式。1、机械、机具准备柴油锤桩机台卸倒运管桩采用普通汽车吊,要考虑行走方便。接桩采用二氧化二、机械、机具及人员准备保护焊,测量及检测器具主要有测放桩位的电子全站仪,控制桩身垂直度的经纬仪,控制桩顶标高的水准仪,以及测量管桩外观尺寸的卷尺、直尺等。2、人员准备人员准备表序号4-JU/亠冈位工作范围人数项目负责人全面负责技术员现场施工技术管理质检员质量监督、工序验收、试验检测安全员安全工作测量员测量工作预制触土曹桩软基处置设计图I.L监理验管桩分批进监理验桩机就试管桩起吊、对桩位调整垂直接承载力估收锤、测贯入起重工吊桩工长现场施工机械、人员协调桩机手桩机操作倒桩工配合吊桩、静压作业电焊工接桩焊接合计二、施工方案1、施工流程*套桩帽打冷锤 1-2 击复查桩垂直度正式打桩移至下一根桩放桩钉木、施工工艺)测量放线定桩位测量放线必须严格把关,反复校核,务求不出任何差错。首先要根据设计要求进行室内计算,对建设单位提供的水准点和控制点进行校对,然后利用全站仪进行精确测量放线,复核基准水准点和控制点,并根据施工现场的具体情况定出控制网。根据复核控制网计算出每条桩桩中坐标并利用经纬仪放出桩位。测量放出桩位后,用长中钢筋在桩位位置打入土中,钢筋中上部用两道红绳绑扎牢固,留出约长红绳在地面,施工时根据红绳即可找到精确的桩位,以防止错、漏施工。对将要施工的桩位用石灰粉按桩径大小划一个圆圈,桩位放线后的打桩过程中,考虑到土体的挤压移位,在打桩前需对桩位进行复核。)预制管桩的堆放与...

1、当您付费下载文档后,您只拥有了使用权限,并不意味着购买了版权,文档只能用于自身使用,不得用于其他商业用途(如 [转卖]进行直接盈利或[编辑后售卖]进行间接盈利)。
2、本站所有内容均由合作方或网友上传,本站不对文档的完整性、权威性及其观点立场正确性做任何保证或承诺!文档内容仅供研究参考,付费前请自行鉴别。
3、如文档内容存在违规,或者侵犯商业秘密、侵犯著作权等,请点击“违规举报”。

碎片内容

预应力管桩试桩工程技术交底

确认删除?
VIP
微信客服
  • 扫码咨询
会员Q群
  • 会员专属群点击这里加入QQ群
客服邮箱
回到顶部