电脑桌面
添加小米粒文库到电脑桌面
安装后可以在桌面快捷访问

1矿井空气及气候条件VIP免费

1矿井空气及气候条件_第1页
1/19
1矿井空气及气候条件_第2页
2/19
1矿井空气及气候条件_第3页
3/19
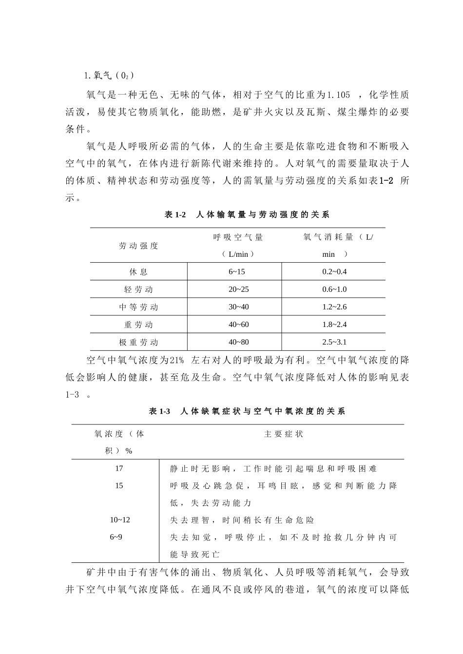
第 一 章 矿 井 空 气 及 气 候 条 件矿井生产过程中,必须持续不断地将地面空气输送到井下各个作业地点,以供给人员呼吸,并稀释和排除井下各种有害气体和矿尘,创造良好矿井气候条件,确保井下作业人员的身体健康和劳动安全。第一节 矿井空气成分一、 地面空气地面空气是由干空气和水蒸气组成的混合气体,亦称为湿空气。干空气是指完全不含有水蒸气的空气,由氧、氮、二氧化碳、氩、氖和其他一些微量气体所组成的混合气体。干空气的组成成分比较稳定,成分的数量基本不变。干空气成分的数量用体积浓度或质量浓度来表示,前者为某种气体的体积在干空气的总体积中所占的百分数;后者为某种气体的质量在干空气的总质量中所占的百分比。其主要成分如表 1-1所示。表 1-1 干 空 气 的 组 成 成 分 表气 体 成 分按 体 积 计 /%按 质 量 计 /%分 子 量氮 气 ( N2 )78.08875.52728.013氧 气 ( O2 )20.94923.14331.999二 氧 化 碳( CO2)0.0300.04644.010其 它 气 体0.9331.284备注:其它气体主要指的是氦、氖、氩、氪、氙等惰性稀有气体。工程计算中,干空气可近似地仅考虑氧气和氮气,组成按氧气(21%)、氮气(79%)来计算。干空气的物理参数如下:分子量 28.97气体常数 287.05 J/kg.K 空气密度(0℃,1atm) 1.293 kg/m3湿空气中含有水蒸气,其含量的变化会引起湿空气的物理性质和状态变化。地面空气中,水蒸气的浓度随地区和气候而变化,其体积浓度变化范围为 0~4%。此外,实际空气中还含有微量的污染气体和尘埃。二、矿井空气的主要成分及其基本性质矿井空气主要来源于地面空气,虽然发生了一系列变化,但其主要成分仍然是氧气和氮气。1.氧气(O2)氧气是一种无色、无味的气体,相对于空气的比重为1.105,化学性质活泼,易使其它物质氧化,能助燃,是矿井火灾以及瓦斯、煤尘爆炸的必要条件。 氧气是人呼吸所必需的气体,人的生命主要是依靠吃进食物和不断吸入空气中的氧气,在体内进行新陈代谢来维持的。人对氧气的需要量取决于人的体质、精神状态和劳动强度等,人的需氧量与劳动强度的关系如表1-2 所示。 表 1-2 人 体 输 氧 量 与 劳 动 强 度 的 关 系劳 动 强 度呼 吸 空 气 量( L/min )氧 气 消 耗 量 ( L/min)休 息6~150.2~0.4轻 劳 动20~250.6~1.0中 等 劳 动30~401.2~2.6重 劳 动40~601.8~2.4极 重 劳 动40~802.5~3.1空气...

1、当您付费下载文档后,您只拥有了使用权限,并不意味着购买了版权,文档只能用于自身使用,不得用于其他商业用途(如 [转卖]进行直接盈利或[编辑后售卖]进行间接盈利)。
2、本站所有内容均由合作方或网友上传,本站不对文档的完整性、权威性及其观点立场正确性做任何保证或承诺!文档内容仅供研究参考,付费前请自行鉴别。
3、如文档内容存在违规,或者侵犯商业秘密、侵犯著作权等,请点击“违规举报”。

碎片内容

1矿井空气及气候条件

黄金阁书苑+ 关注
实名认证
内容提供者

热爱教学事业,对互联网知识分享很感兴趣

相关文档

确认删除?
VIP
微信客服
  • 扫码咨询
会员Q群
  • 会员专属群点击这里加入QQ群
客服邮箱
回到顶部