电脑桌面
添加小米粒文库到电脑桌面
安装后可以在桌面快捷访问

路灯工程隐蔽资料(DOC65页)VIP免费

路灯工程隐蔽资料(DOC65页)_第1页
1/80
路灯工程隐蔽资料(DOC65页)_第2页
2/80
路灯工程隐蔽资料(DOC65页)_第3页
3/80
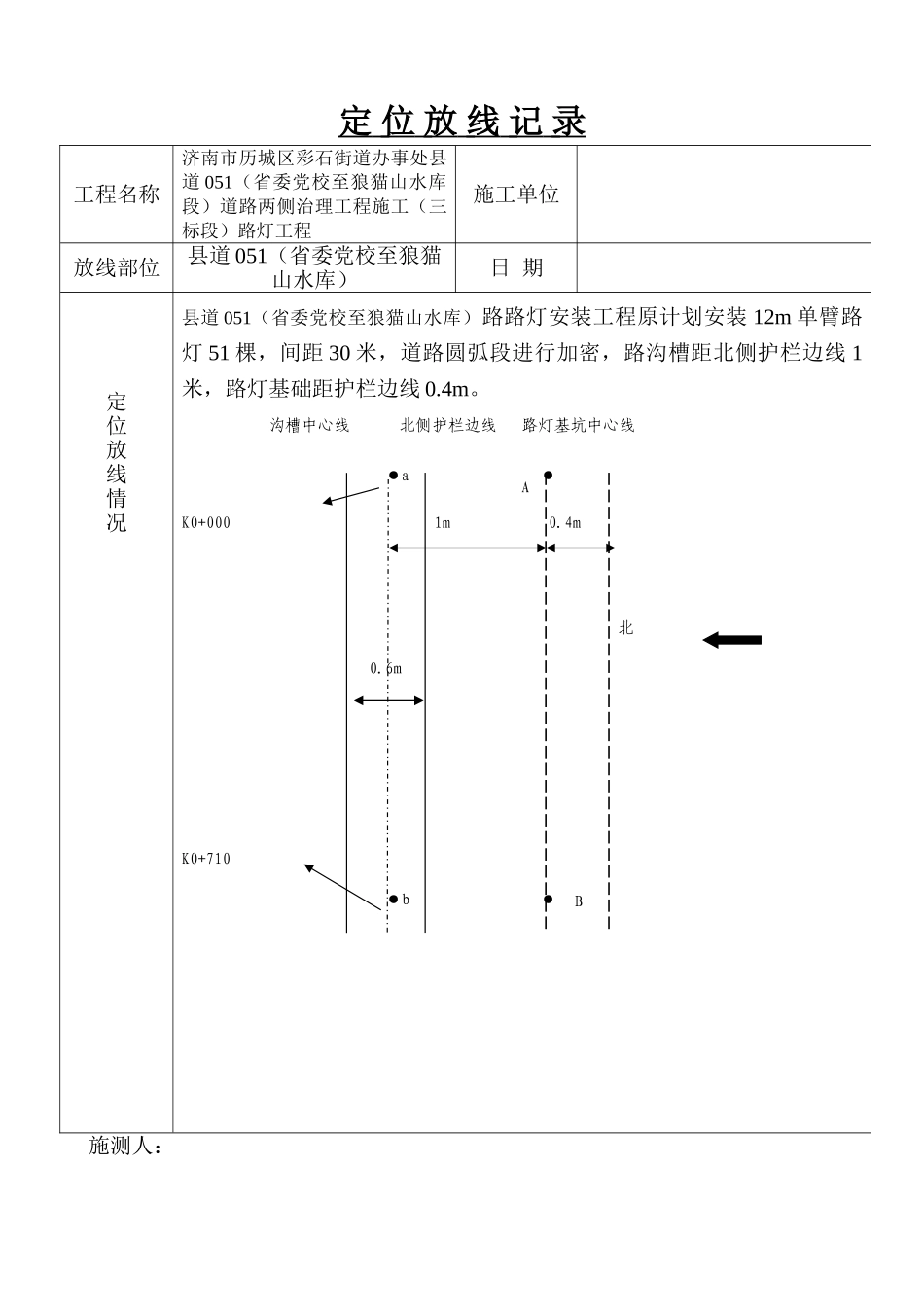
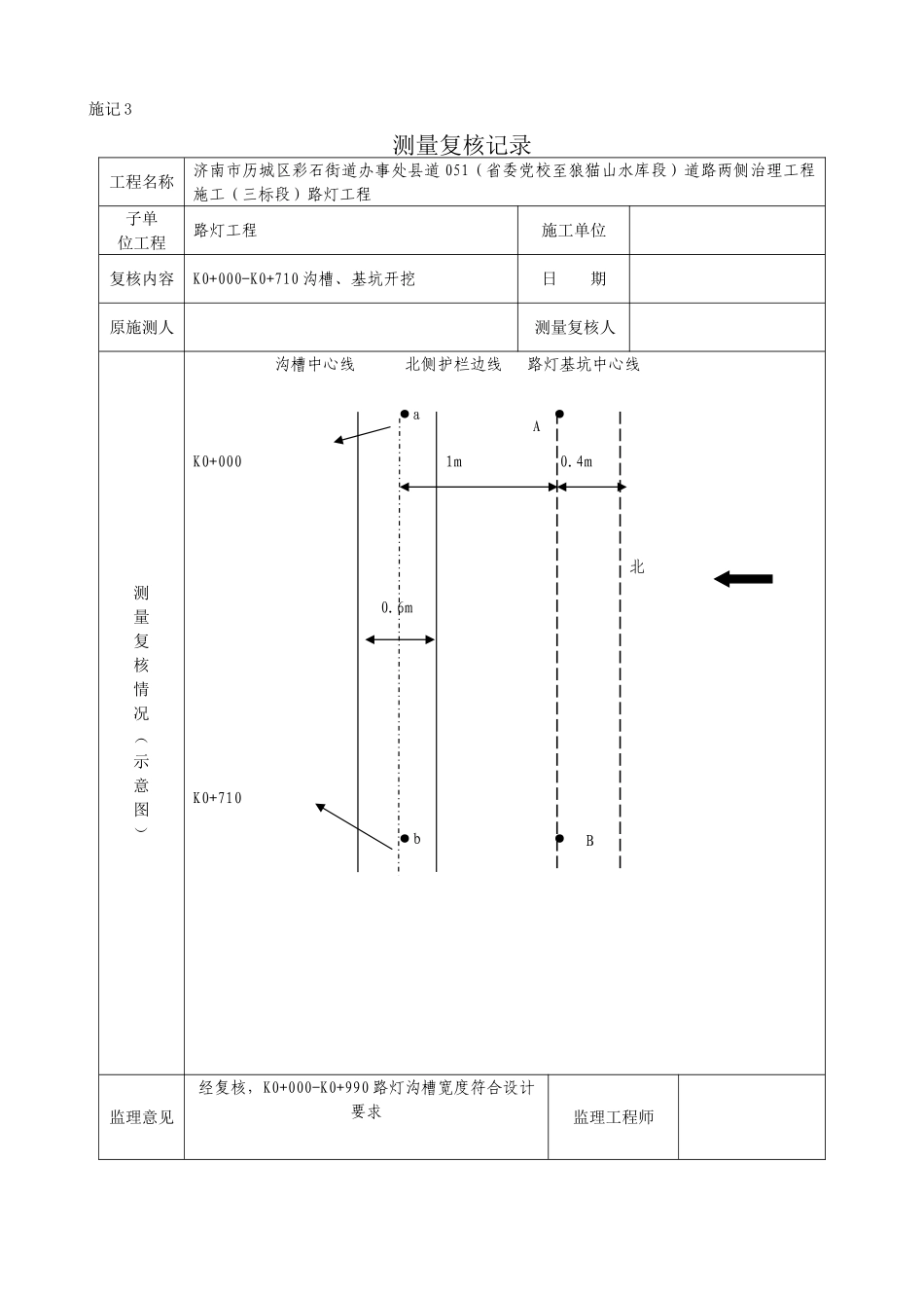
表 B.0.7 定位放线 报审、报验表工程名称: 编号:致:(监理单位)我方已完成 济南市历城区彩石街道办事处县道 051(省委党校至狼猫山水库段)道路两侧治理工程施工(三标段)路灯工程定位放线 工作,经自检合格,请予以审查或验收。附件:□隐蔽工程质量检验资料□检验批质量检验资料□分项工程质量检验资料□施工试验室证明资料þ 其他施工项目经理部(盖章)项目经理或项目技术负责人(签字)年 月 日审查或验收意见:项目监理机构(盖章)专业监理工程师(签字)年 月 日注:本表一式二份,项目监理机构、施工单位各一份定 位 放 线 记 录 工程名称济南市历城区彩石街道办事处县道 051(省委党校至狼猫山水库段)道路两侧治理工程施工(三标段)路灯工程施工单位放线部位县道 051(省委党校至狼猫山水库)日 期定位放线情况县道 051(省委党校至狼猫山水库)路路灯安装工程原计划安装 12m 单臂路灯 51 棵,间距 30 米,道路圆弧段进行加密,路沟槽距北侧护栏边线 1米,路灯基础距护栏边线 0.4m。 沟槽中心线 北侧护栏边线 路灯基坑中心线 ●a ● K0+000 1m 0.4m 北0.6m K0+710 ●b ● 施测人:AB施记 3测量复核记录工程名称济南市历城区彩石街道办事处县道 051(省委党校至狼猫山水库段)道路两侧治理工程施工(三标段)路灯工程子单位工程路灯工程施工单位复核内容K0+000-K0+710 沟槽、基坑开挖日 期原施测人测量复核人测量复核情况(示意图) 沟槽中心线 北侧护栏边线 路灯基坑中心线 ●a ● K0+000 1m 0.4m 北0.6m K0+710 ●b ● 监理意见经复核,K0+000-K0+990 路灯沟槽宽度符合设计要求监理工程师AB定 位 放 线 记 录工程名称济南市历城区彩石街道办事处县道 051(省委党校至狼猫山水库段)道路两侧治理工程施工(三标段)路灯工程施工单位放线部位县道 051(省委党校至狼猫山水库)日 期定位放线情况县道 051(省委党校至狼猫山水库)路路灯安装工程原计划安装 12m 单臂路灯 51 棵,间距 30 米,道路圆弧段进行加密,路沟槽距北侧护栏边线 1米,路灯基础距护栏边线 0.4m。 沟槽中心线 北侧护栏边线 路灯基坑中心线 ●a ● K0+710 1m 0.4m 北0.6m K0+1410 ●b ● 施测人:施记 3AB测量复核记录工程名称济南市历城区彩石街道办事处县道 051(省委党校至狼猫山水库段)道路两侧治理工程施工(三标段)路灯工程子单位工程路灯工程施工单位复核...

1、当您付费下载文档后,您只拥有了使用权限,并不意味着购买了版权,文档只能用于自身使用,不得用于其他商业用途(如 [转卖]进行直接盈利或[编辑后售卖]进行间接盈利)。
2、本站所有内容均由合作方或网友上传,本站不对文档的完整性、权威性及其观点立场正确性做任何保证或承诺!文档内容仅供研究参考,付费前请自行鉴别。
3、如文档内容存在违规,或者侵犯商业秘密、侵犯著作权等,请点击“违规举报”。

碎片内容

路灯工程隐蔽资料(DOC65页)

确认删除?
VIP
微信客服
  • 扫码咨询
会员Q群
  • 会员专属群点击这里加入QQ群
客服邮箱
回到顶部