电脑桌面
添加小米粒文库到电脑桌面
安装后可以在桌面快捷访问

某铸造厂总降压变电所及厂区设计VIP专享VIP免费

某铸造厂总降压变电所及厂区设计_第1页
1/43
某铸造厂总降压变电所及厂区设计_第2页
2/43
某铸造厂总降压变电所及厂区设计_第3页
3/43
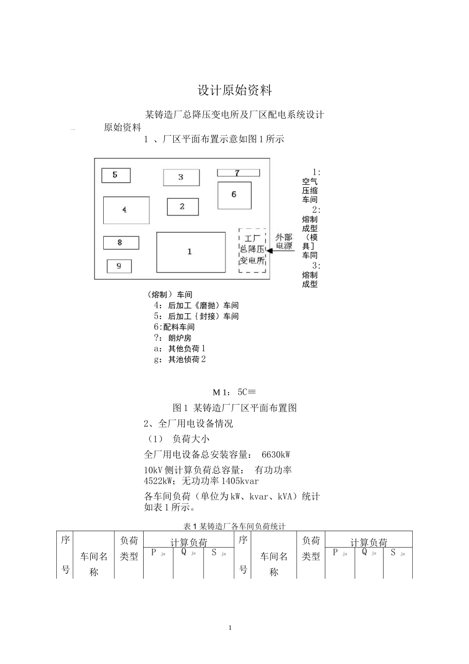
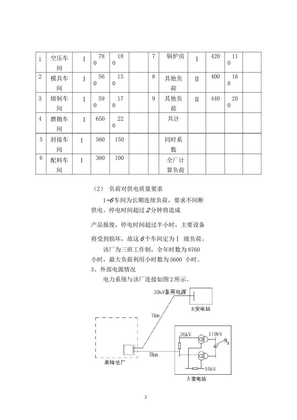
1设计原始资料某铸造厂总降压变电所及厂区配电系统设计1 、厂区平面布置示意如图 1 所示1:空气压缩车间2:熔制成型(模具]车同3:熔制成型(熔制)车间4:后加工《磨抛)车间5:后加工{封接)车间6:配料车间?:朗炉房a:其他负荷 1g:其池侦荷 2M 1: 5C≡图 1 某铸造厂厂区平面布置图2、全厂用电设备情况(1) 负荷大小全厂用电设备总安装容量: 6630kW10kV 侧计算负荷总容量: 有功功率4522kW;无功功率 1405kvar各车间负荷(单位为 kW、kvar、kVA)统计如表 1 所示。表 1 某铸造厂各车间负荷统计序 号车间名 称负荷 类型计算负荷序 号车间名 称负荷 类型计算负荷P jsQ jsS jsP jsQ jsS js一原始资料21空压车 间Ⅰ7801807锅炉房Ⅰ4201102模具车 间Ⅰ5601508其他负 荷Ⅱ4001683熔制车 间Ⅰ5901709其他负 荷Ⅱ4402004磨抛车 间Ⅰ650220共计5封接车 间Ⅰ560150同时系 数6配料车 间Ⅰ360100全厂计 算负荷(2) 负荷对供电质量要求1~6 车间为长期连续负荷,要求不间断供电。停电时间超过 2 分钟将造成产品报废,停电时间超过半小时,主要设备将受到损坏,故这 6 个车间定为Ⅰ 级负荷。该厂为三班工作制,全年时数为 8760小时,最大负荷利用小时数为 5600 小时。3、外部电源情况电力系统与该厂连接如图 2 所示。A 变电站3图 2 电力系统与某铸造厂连接示意图(1) 工作电源距该厂 5km 有一座 A 变电站,其主要技术参数如下:主变容量为 2×31.5MVA;型号为 SFSLZ1-31500kVA/110kV 三相三绕组变压 器;短路电压:U 高-中=10.5%; U 高-低=17%; U 低-中=6% ;110kV 母线三相短路容量:1918MVA;供电电压等级:可由用户选用 35kV 或 10kV 电压供电;最大运行方式:按 A 变电站两台变压器并列运行考虑;最小运行方式:按 A 变电站两台变压器分列运行考虑;35kV 线路:初选 LGJ-35,r0=0.85Ω/km, x0=0.35Ω/km。(2)备用电源拟由 B 变电站提供一回 10kV 架空线作为备电源。系统要求仅在工作电源停 止供电时,才允许使用备用电源供电。(3)功率因数要求供电部门对该厂功率因数要求为:•用 35kV 供电时,全厂总功率因数不低于 0.90;•用 IOkV 供电时,全厂总功率因数不低于 0.95。(4)电价实行两部电价:基本电价:工厂总降压变电所变压器总容量×10 元/kVA·月;电能电价:按同学们工作所在地工业电价计算。4(5)线路功率损耗在发电厂引起的附...

1、当您付费下载文档后,您只拥有了使用权限,并不意味着购买了版权,文档只能用于自身使用,不得用于其他商业用途(如 [转卖]进行直接盈利或[编辑后售卖]进行间接盈利)。
2、本站所有内容均由合作方或网友上传,本站不对文档的完整性、权威性及其观点立场正确性做任何保证或承诺!文档内容仅供研究参考,付费前请自行鉴别。
3、如文档内容存在违规,或者侵犯商业秘密、侵犯著作权等,请点击“违规举报”。

碎片内容

某铸造厂总降压变电所及厂区设计

确认删除?
VIP
微信客服
  • 扫码咨询
会员Q群
  • 会员专属群点击这里加入QQ群
客服邮箱
回到顶部