电脑桌面
添加小米粒文库到电脑桌面
安装后可以在桌面快捷访问

医院给排水设计及施工要点VIP免费

医院给排水设计及施工要点_第1页
1/13
医院给排水设计及施工要点_第2页
2/13
医院给排水设计及施工要点_第3页
3/13
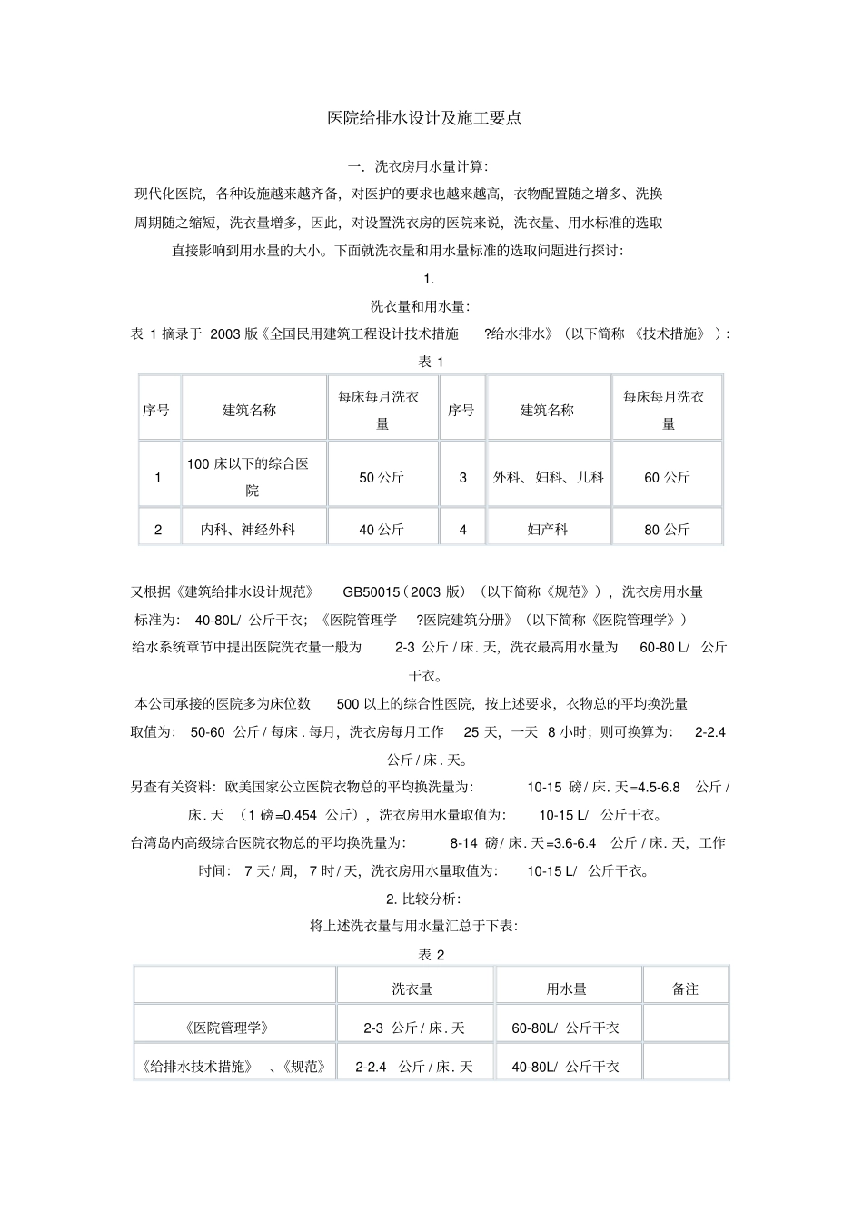
医院给排水设计及施工要点一.洗衣房用水量计算:现代化医院,各种设施越来越齐备,对医护的要求也越来越高,衣物配置随之增多、洗换周期随之缩短,洗衣量增多,因此,对设置洗衣房的医院来说,洗衣量、用水标准的选取直接影响到用水量的大小。下面就洗衣量和用水量标准的选取问题进行探讨:1. 洗衣量和用水量:表 1 摘录于 2003 版《全国民用建筑工程设计技术措施?给水排水》(以下简称 《技术措施》 ):表 1 序号建筑名称每床每月洗衣量序号建筑名称每床每月洗衣量1 100 床以下的综合医院50 公斤3 外科、妇科、儿科60 公斤2 内科、神经外科40 公斤4 妇产科80 公斤又根据《建筑给排水设计规范》GB50015(2003 版)(以下简称《规范》),洗衣房用水量标准为: 40-80L/ 公斤干衣;《医院管理学?医院建筑分册》(以下简称《医院管理学》)给水系统章节中提出医院洗衣量一般为2-3 公斤 / 床. 天,洗衣最高用水量为60-80 L/ 公斤干衣。本公司承接的医院多为床位数500 以上的综合性医院,按上述要求,衣物总的平均换洗量取值为: 50-60 公斤 / 每床 . 每月,洗衣房每月工作25 天,一天 8 小时;则可换算为:2-2.4公斤 / 床 . 天。另查有关资料:欧美国家公立医院衣物总的平均换洗量为:10-15 磅/ 床. 天=4.5-6.8公斤 /床. 天 (1 磅=0.454 公斤),洗衣房用水量取值为:10-15 L/公斤干衣。台湾岛内高级综合医院衣物总的平均换洗量为:8-14 磅/ 床. 天=3.6-6.4公斤 / 床. 天,工作时间: 7 天/ 周, 7 时/ 天,洗衣房用水量取值为:10-15 L/ 公斤干衣。2. 比较分析:将上述洗衣量与用水量汇总于下表:表 2 洗衣量用水量备注《医院管理学》2-3 公斤 / 床. 天60-80L/ 公斤干衣《给排水技术措施》、《规范》2-2.4公斤 / 床. 天40-80L/ 公斤干衣台湾综合医院3.6-6.4公斤 / 床. 天10-15 L/ 公斤干衣欧美国家公立医院4.5-6.8公斤 / 床. 天10-15 L/ 公斤干衣由上表可见,境外医院的平均洗衣量是国内医院平均洗衣量的2-3 倍,而每公斤干衣的平均用水量则是国内的 25%-20%。笔者就此,对国内几家大型知名工业洗衣机厂生产的医院常用规格的工业洗衣机产品进行分析对比,结果见表3.1 和表 3.2 ,表 3.1 生产商全自动洗衣机干衣量耗水量N干衣量耗水量N干衣量耗水量NA XG系列50Kg 180Kg 3.6 75Kg 370Kg 5 100Kg 450Kg 4.5 B XPG系列50Kg 316Kg 6.33 70...

1、当您付费下载文档后,您只拥有了使用权限,并不意味着购买了版权,文档只能用于自身使用,不得用于其他商业用途(如 [转卖]进行直接盈利或[编辑后售卖]进行间接盈利)。
2、本站所有内容均由合作方或网友上传,本站不对文档的完整性、权威性及其观点立场正确性做任何保证或承诺!文档内容仅供研究参考,付费前请自行鉴别。
3、如文档内容存在违规,或者侵犯商业秘密、侵犯著作权等,请点击“违规举报”。

碎片内容

医院给排水设计及施工要点

您可能关注的文档

确认删除?
VIP
微信客服
  • 扫码咨询
会员Q群
  • 会员专属群点击这里加入QQ群
客服邮箱
回到顶部