电脑桌面
添加小米粒文库到电脑桌面
安装后可以在桌面快捷访问

压力管道元件制造许可项目及其级别表VIP免费

压力管道元件制造许可项目及其级别表_第1页
1/4
压力管道元件制造许可项目及其级别表_第2页
2/4
压力管道元件制造许可项目及其级别表_第3页
3/4
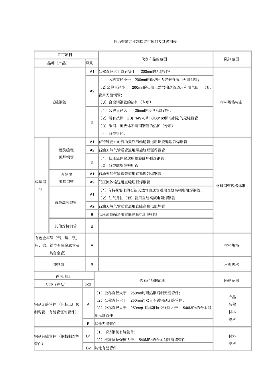
压力管道元件制造许可项目及其级别表许可项目代表产品的范围限制范围品种(产品)级别无缝钢管A1 公称直径大于或者等于200mm的无缝钢管材料规格标准A2 ( 1)公称直径小于200mm的锅炉压力容器气瓶用无缝钢管;( 2)公称直径小于200mm的石油天然气输送管道用和油气田(套)管用无缝钢管;( 3)合金钢钢管的热扩(专项)B ( 1)公称直径大于25mm的其他无缝钢管;( 2)所有按照GB|T14976和 GB8163标准制造的无缝钢管;( 3)碳钢、奥氏体不锈钢钢管的热扩(专项);( 4)各类管坯。焊接钢管螺旋缝埋弧焊钢管A1 有特殊要求的石油天然汽输送管道用螺旋缝埋弧焊钢管材料钢管规格标准A2 石油天然气输送管道用螺旋缝埋弧焊钢管B ( 1)低压流体输送用螺旋缝埋弧焊钢管;( 2)各类螺旋缝桩用管直缝埋弧焊钢管A1 石油天然气输送管道用直缝埋弧焊钢管A2 低压流体输送用直缝埋弧焊钢管直缝高频焊管A1 ( 1)有特殊要求的石油天然气输送管道用直缝高频电阻焊钢管;( 2)油气井油(套)管用直缝高频电阻焊钢管A2 石油天然气输送管道用直缝高频电阻焊管B 低压流体输送用直缝高频电阻焊钢管其他焊接钢管B 有色金属管(铝、铜、钛、铅、镍、锆等有色金属管及其合金管)A 材料规格铸铁管B 材料规格许可项目代表产品的范围限制范围品种(产品)级别钢制无缝管件 (包括工厂预制弯管、有缝管坯制管件)A (1)公称直径大于250mm的耐热钢钢制无缝管件;(2)公称直径大于250mm的双目不锈钢制无缝管件;(3)公称直径大于250mm,且标准抗拉强度大于540MPa的合金钢制无缝管件产品名称材料规格B 其他无缝管件钢制有缝管件 (钢板制对焊管件)B1 (1)不锈钢制有缝管件;(2)标准抗拉强度大于540MPa的合金钢制有缝管件材料规格B2 其他有缝管件有色金属及有色金属合金制管件A 材料规格锻制管件(限机械加工)B 规格铸造管件B 材料规格阀门A1 (1)设计温度大于425℃,且公称直径大于或者等于200mm的阀门;(2)公称压力大于10MPa,且公称直径大于或者等于200mm的阀门用途产品名称规格A2 (1)公称压力大于或者等于6.4 MPa ,且公称直径大于或者等于200mm的阀门;(2)设计温度低于 -46 ℃的阀门B1 除 A1、 A2 级之外的阀门B2 公称压力小于或者等于4.0 MPa 阀门锻制法兰及管接头 (限机械加工)B 产品名称规格金属波纹膨胀节A (1)公称压力大于或者等于4.0MPa,且公称直径大于或者等于500mm金属波纹膨胀节;(2)...

1、当您付费下载文档后,您只拥有了使用权限,并不意味着购买了版权,文档只能用于自身使用,不得用于其他商业用途(如 [转卖]进行直接盈利或[编辑后售卖]进行间接盈利)。
2、本站所有内容均由合作方或网友上传,本站不对文档的完整性、权威性及其观点立场正确性做任何保证或承诺!文档内容仅供研究参考,付费前请自行鉴别。
3、如文档内容存在违规,或者侵犯商业秘密、侵犯著作权等,请点击“违规举报”。

碎片内容

压力管道元件制造许可项目及其级别表

您可能关注的文档

文库当当响+ 关注
实名认证
内容提供者

该用户很懒,什么也没介绍

确认删除?
VIP
微信客服
  • 扫码咨询
会员Q群
  • 会员专属群点击这里加入QQ群
客服邮箱
回到顶部