电脑桌面
添加小米粒文库到电脑桌面
安装后可以在桌面快捷访问

压力管道系统表格74VIP免费

压力管道系统表格74_第1页
1/50
压力管道系统表格74_第2页
2/50
压力管道系统表格74_第3页
3/50
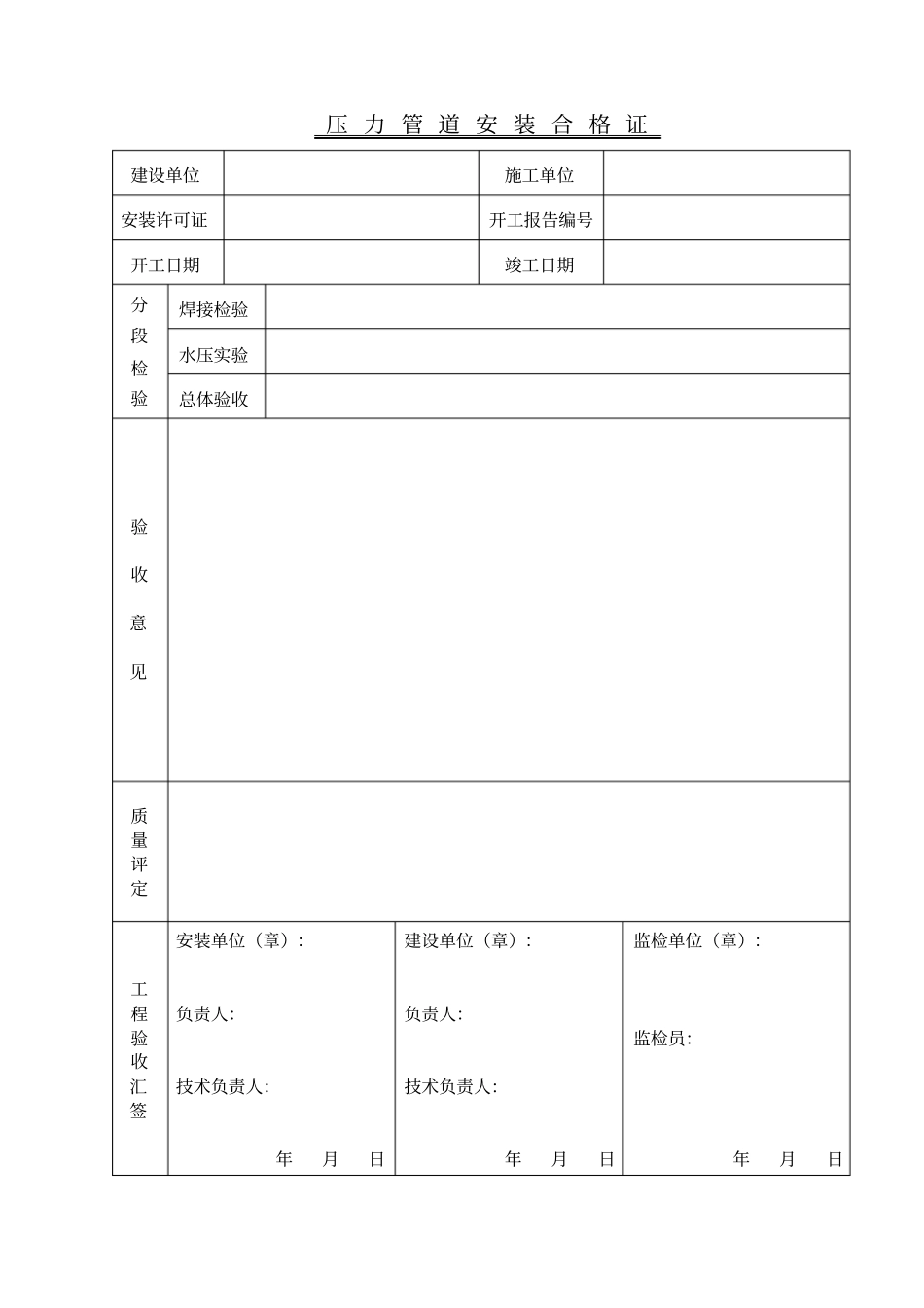
压力管道安装质量证明书工 程 名 称压力管道安装建 设 单 位济南宜和食品有限公司施 工 单 位山东国舜建设集团有限公司交工资料目录年月日建 设 单 位施 工 单 位工 程 名 称序号资料名称编号份数 每份页数备 注压 力 管 道 安 装 合 格 证建设单位施工单位安装许可证开工报告编号开工日期竣工日期分段检验焊接检验水压实验总体验收验收意见质量评定工程验收汇签安装单位(章):负责人:技术负责人:年月日建设单位(章):负责人:技术负责人:年月日监检单位(章):监检员:年月日山东国舜建设集团有限公司施工通知单建设单位施工单位工程名称工程编号开工日期年月日竣工日期年月日工程责任人员任命:工程内容及技术内容:备注:签发:年月日图纸会审记录建 设 单 位施 工 单 位工 程 名 称会 审 地 点单位工程名称会 审 日 期会审中发现的问题处理意见和解决办法主持单位及负责人工程负责人:年月日签字建设单位监理单位施工单位现场负责人:年月日监理工程师:年月日现场负责人:检验员:班组长:年月日设 计 变 更 申 请 单工程名称施工图号签字建设单位监理单位施工单位现场负责人:年月日监理工程师:年月日现场负责人:检验员:班组长:年月日技 术 交 底 记 录建 设 单 位施 工 单 位工 程 名 称交 底 日 期单位工程名称交 底 地 点技术交底简要内容及有关事项:签名交底人:年月日接受人:年月日安 全 交 底 记 录建 设 单 位施 工 单 位工 程 名 称交 底 日 期单位工程名称交 底 地 点安全交底简要内容及有关事项:签名交底人:年月日接受人:年月日材料计划表材料名称图号施工令号序号材 料 (附 件) 名 称规 格 型 号单 位数 量备 注制 表审 核压 力 管 道 材 料 采 购 申 请 表项目编号 : 序号材料名称材料编号规格型号单位计划数量技术标准及验证要求特 殊 要 求进货期限备 注编制 : 审核: 年月日材 料 进 场 明 细 表序号材料名称规格型号执行标准数量送货人进场日期收货人备注制表人:材料登记表序号材料名称质保书编号进场日期 生产厂家 规格尺寸重量 (T) 炉号批号检验结果材料移植号安装令号管道号备注设 备 开 箱 验 收 单建设单位施 工 单 位工程名称单位工程名称进场时间开 箱 时 间类别设 备 名 称设备材质规 格 型 号制 造 厂出 厂 时 间设备资料单位数量...

1、当您付费下载文档后,您只拥有了使用权限,并不意味着购买了版权,文档只能用于自身使用,不得用于其他商业用途(如 [转卖]进行直接盈利或[编辑后售卖]进行间接盈利)。
2、本站所有内容均由合作方或网友上传,本站不对文档的完整性、权威性及其观点立场正确性做任何保证或承诺!文档内容仅供研究参考,付费前请自行鉴别。
3、如文档内容存在违规,或者侵犯商业秘密、侵犯著作权等,请点击“违规举报”。

碎片内容

压力管道系统表格74

您可能关注的文档

文库响当当+ 关注
实名认证
内容提供者

该用户很懒,什么也没介绍

相关文档

确认删除?
VIP
微信客服
  • 扫码咨询
会员Q群
  • 会员专属群点击这里加入QQ群
客服邮箱
回到顶部