电脑桌面
添加小米粒文库到电脑桌面
安装后可以在桌面快捷访问

噪声测试数据分析报告VIP免费

噪声测试数据分析报告_第1页
1/20
噪声测试数据分析报告_第2页
2/20
噪声测试数据分析报告_第3页
3/20
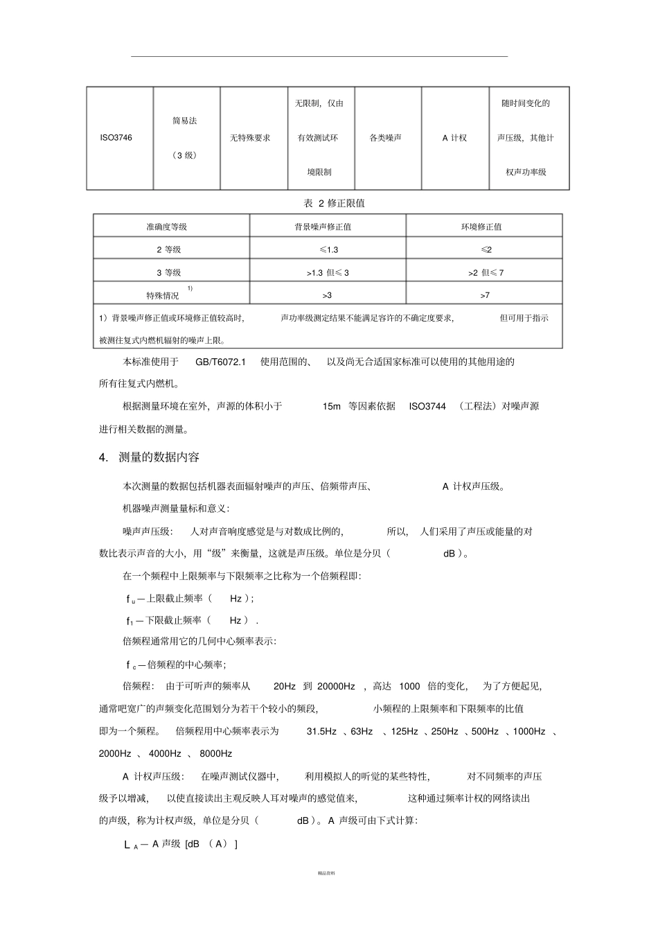
精品资料噪声分析报告1. 噪声测量仪器说明和仪器要求本次测量采用HS6280D 型噪声频谱分析仪是一种采用数字检波的便携式智能化噪声测量仪器,主要性能符合IEC6172 标准对Ⅱ型声级计的要求、可靠性强、广泛适用于环保、工厂、 学校、 科研等部门对噪声测量分析的需要。由主机 (声级计部分)与打印机两部分组成,具有大屏幕液晶显示、内置1/1 频谱分析、时钟设置、自动测量存储等效连续声级、统计声级等特点,配套打印机可自动打印出各种测量结果。HS6280D 测量范围为A 声级或C 声级 35 ~ 130dB ,本次测量采用A 声级,测量频率范围在20Hz ~10kHz 。2. 测量条件①除反射面(地面)外,不得有非被测声源部分的反射体位于包络测量表面之内。②适合工程法测量环境包括符合ISO3744 要求的室外平坦空地或房间。③在倍频带测量对中每一个频带上,传声器位置处背景噪声声压级,包括风的影响,应比声源运转时声压级至少底6dB ,最好底10dB 以上。④测量仪按制造厂推荐须加装防风罩,按其说明进行适当修正。⑤测量必在被测设备稳定运转工况下进行,测量环境中应无巨大的干扰。3. 测量标准本次测量根据ISO6798:1995 《往复式内燃机辐射的空气噪声测量工程法及简易法》要求,旨在获得2 级准确度等级(工程法) 的测量结果 (见表1 )。如背景噪声修正值大于1.3dB 但小于或等于3dB ,或环境噪声修正值大于2dB 但小于或等于7dB ,则获得3 级准确度等级(简易法)的测量结果(见表2)。表 1 往复式内燃机声功率级测定的基础国际标准国际标准方法类别测试环境声源体积噪声特征可获得的声功率级可获得的附加质料ISO3744 工程法( 2 级)室外或大的房间最大尺寸小于 15m 各类噪声A 计权和频带 或 1/3 倍频带指向性,随时间变化的声压级,其他计权声功率级精品资料无限制,仅由随时间变化的简易法ISO3746 无特殊要求有效测试环各类噪声A 计权声压级,其他计( 3 级)境限制权声功率级表 2 修正限值准确度等级背景噪声修正值环境修正值2 等级≤1.3 ≤23 等级>1.3 但≤ 3 >2 但≤ 7 特殊情况1) >3 >7 1)背景噪声修正值或环境修正值较高时,声功率级测定结果不能满足容许的不确定度要求,但可用于指示被测往复式内燃机辐射的噪声上限。本标准使用于GB/T6072.1 使用范围的、以及尚无合适国家标准可以使用的其他用途的所有往复式内燃机。根据测量环境在室外,声源的体积小于15m 等因素依据ISO3744 (工程...

1、当您付费下载文档后,您只拥有了使用权限,并不意味着购买了版权,文档只能用于自身使用,不得用于其他商业用途(如 [转卖]进行直接盈利或[编辑后售卖]进行间接盈利)。
2、本站所有内容均由合作方或网友上传,本站不对文档的完整性、权威性及其观点立场正确性做任何保证或承诺!文档内容仅供研究参考,付费前请自行鉴别。
3、如文档内容存在违规,或者侵犯商业秘密、侵犯著作权等,请点击“违规举报”。

碎片内容

噪声测试数据分析报告

您可能关注的文档

确认删除?
VIP
微信客服
  • 扫码咨询
会员Q群
  • 会员专属群点击这里加入QQ群
客服邮箱
回到顶部