上海市社会生活噪声污染防治办法(2012 年 12 月 5 日上海市人民政府令第 94 号公布) 第一条(目的和依据) 为了防治社会生活噪声...
低频噪声比我们熟识的普通噪声对人体有更大的危害。首先让我们了解一下低频噪声的特点。顾名思义,低频噪声就是频率很低的噪声,它波长长、...
第 3 节 声的利用一、噪声的来源1、从物理学的角度:发声体做无规则振动时发出的声音。2、从环境保护角度:凡是阻碍人们正常休息、学习...
职业噪声危害对策讨论现状过去几十年里,通过广泛的调查和讨论,我国建立起了职业噪声方面的法律法规,职业噪声相关法律法规以及标准的建立...
电源噪声滤波器电原理图电源噪声滤波器(PNF)是一种新型器件,它能有效地抑制沟通电网噪声,提高电子设备的抗干扰能力和系统的可靠性。其作...
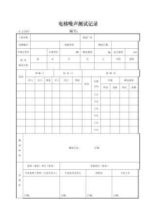
电梯噪声测试记录C 2.3.9.7 编号:工程名称制造厂家电梯编号电梯类型测试日期声级计型号计量单位dB额定载荷kg运行速度m/s机 房驱动主机...
湘质监统编施 2025-226电梯噪声测试记录工程名称:11编号:001安装单位 安装地点 声级计型号 计量单位 dB机房(驱动主机)轿厢内前后...
环境监测与质量评价课程设计郑州信息科技职业学院噪声监测与评价 专业名称 环境工程指导老师 李庆召学生姓名 学生学号 环境监测与质量...
城市区域噪声标准 GB 3096-93 本标准为贯彻《中华人民共和国环境保护法》及《中华人民共和国环境噪声污染防治条例》,保障城市居民的生...
噪声测量报告单项目名称: 单位:dBA测量仪器仪器编号 测量日期: 年 月 日 监测人:施工阶段监测地点监测方式机械名称A(空转)B(...
商用柴油发电机房噪声的治理措施商用柴油发电机房噪声的治理措施 摘要:柴油发电机被广泛用于备用供电设备,由此带来的噪声干扰应作治理。...
** 省 省 级 政 府 采 购货 物 和 服 务 项 目 竞争性谈判文件项目名称:**省中医院一体式低噪声油烟净化装置 项目编号:**...
GB 旋转电机噪声测定方法及限值噪声限值旋转电机噪声测定方法及限值 GB 10069.3-88噪声限值 代替 GB 2806-81Measurement of airbor...
GB旋转电机噪声测定方法及限值噪声工程测定方法旋转电机噪声测定方法及限值 GB 10069.1-88 噪 声 工 程 测 定 方 法 代替 GB ...
EMBCCD 的低噪声技术讨论EMBCCD(Electron Multiplying Back-illuminated Charge Coupled Device,电子倍增背照明 CCD)是探测领域内一...
87 城市区域环境噪声标准 GB 3096-82国务院环境爱护领导小组 1982-04-06 批准 1982-08-01 实施 本标准为贯彻《中华人民共和国环境...
职业性噪声聋诊断标准1 范围ﻫ 本标准规定了职业性噪声聋诊断标准及处理原则。 本标准适用于长期接触职业噪声所致劳动者听力下降得诊断...
电容器电气器噪声干扰选用 电气器噪声可以以许多不同的方式引起。在数字电路中,这些噪声主要由开关式集成电路,电源和调整器所产生,而在...
环保教案:减少噪声 活动目标: 现代的都市和城镇充满了噪声。噪声也是一种污染,让幼儿知道噪声会给人体健康带来危害,并萌发主动减少噪...
液压系统的振动、噪声诊断与排除液压系统的振动、噪声诊断与排除 液压系统的振动、噪声诊断与排除 倪元喜 马洪茹 李学良 摘 要:该文...

