施工现场噪声管理规定1 目的为防治和减少施工现场环境噪声污染,满足国家标准规定的要求,减少和防止对相关方的影响,保障人体健康,特制...
区委噪声管治制度为有效防治我区噪声污染,切实维护人民群众的环境权益,根据《环境噪声污染防治法》、《娱乐场所管理条例》和《环境保护行...
分体挂壁式空调器室外噪声的控制本文通过对挂壁式空调器室外机组噪声来源的分析,依靠不断摸索、反复试验的手段,提出了控制室外机组噪声的...
冷却塔噪声治理方案及实例Document number 【AA80KGB-AA98YT-AAT8CB- 2A6UT-A18GG 】南昌佳绿环保噪声治理工程项目泰豪集团冷却塔噪声...
典型建设工程噪声影响预测及防治对策措施1 工业噪声预测及防治措施1.1 固定声源分析a)主要声源确实定分析建设工程的设备类型、型号、数...
公路交通噪声的分析与防治1 噪声情况监测与分析,为了比较详细的了解公路沿线的交通噪声情况,我们于 2025 年 10~11 月,分别对 205...
产生噪声的施工作业目录序号产生噪声的施工作业具体说明1破裂、拆除作业作业时使用风镐、液压破裂机、 空气压缩机、电锤或电钻2夯实作业作...
目 录第一章 总 论............................................................................................1一、项目概况........
计算机辅助设计的简要历史 在我们讲述 CAD 的基本理论之前,先说说他的简史是比较合适的。CAD是计算机时代的产品.它从早期的计算机绘图系...
1.绪论1.1 课题的背景1.1.1 面铣削简介铣削是通过旋转多切削刃刀具沿着工件在设定方向进给运动,从而完成金属切削,形成已加工表面[1]。...
摘 要对称齿轮泵的工作原理:动力由花键轴传入,从而带动主动齿轮转动。多个从动齿轮与主动齿轮组成外啮合传动关系,相当于多组齿轮泵同时...
XXXXXXXXXXXXXXXXXXXXXXXXXXXXXXXX 系(院) XXXXXXXXXXXXXXX 专业题 目 环境噪声监测器(软件部分) 学 生 姓 名 XXXXX 班 级...
摘 要估量一个受到加性噪声污染的信号的通常方法,是让受污染的信号通过一个旨在抑制噪声而让信号相对不变的滤波器。然而,传统的固定滤波...
摘 要估量一个受到加性噪声污染的信号的通常方法,是让受污染的信号通过一个旨在抑制噪声而让信号相对不变的滤波器。然而,传统的固定滤波...
基于 LABVIEW 床头箱噪声监测系统设计 摘要 对于主传动链为齿轮传动的普通车床,主轴箱齿轮啮合噪声是导致车床噪声声压级超标的主要原...
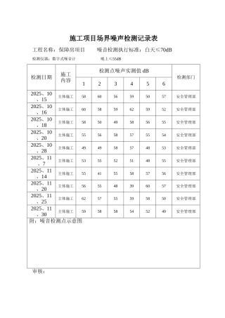
施工项目场界噪声检测记录表工程名称:保障房项目 噪音检测执行标准:白天≤70dB检测仪器:数字式噪音计 晚上≤55dB检测日期施工内容检测...
噪声系数测量得三种方法摘要:本文介绍了测量噪声系数得三种方法:增益法、Y 系数法与噪声系数测试仪法。这三种方法得比较以表格得形式给...
第四节噪声得危害和控制导学案 学习目标:1、了解噪声得危害和控制。2、了解防治噪声得途径,增强环保意识。学习重点:噪声得来源、危害及防...
第 1 页 共 3 页 中国环境报/2020 年/11 月/5 日/第 003 版 观点 关于编制“十四五”噪声污染防治规划的建议 生态环境部核与...
车间噪声防治措施 公司要对车间接触噪声的工人应定期进行健康检查,特别是听力检查,观察听力变化情况,以便早期发现听力损伤,及时实行适...

