电脑桌面
添加小米粒文库到电脑桌面
安装后可以在桌面快捷访问

噪声监测记录表

噪声监测记录表_第1页
1/4
噪声监测记录表_第2页
2/4
噪声监测记录表_第3页
3/4
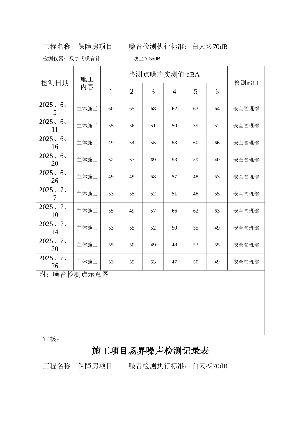
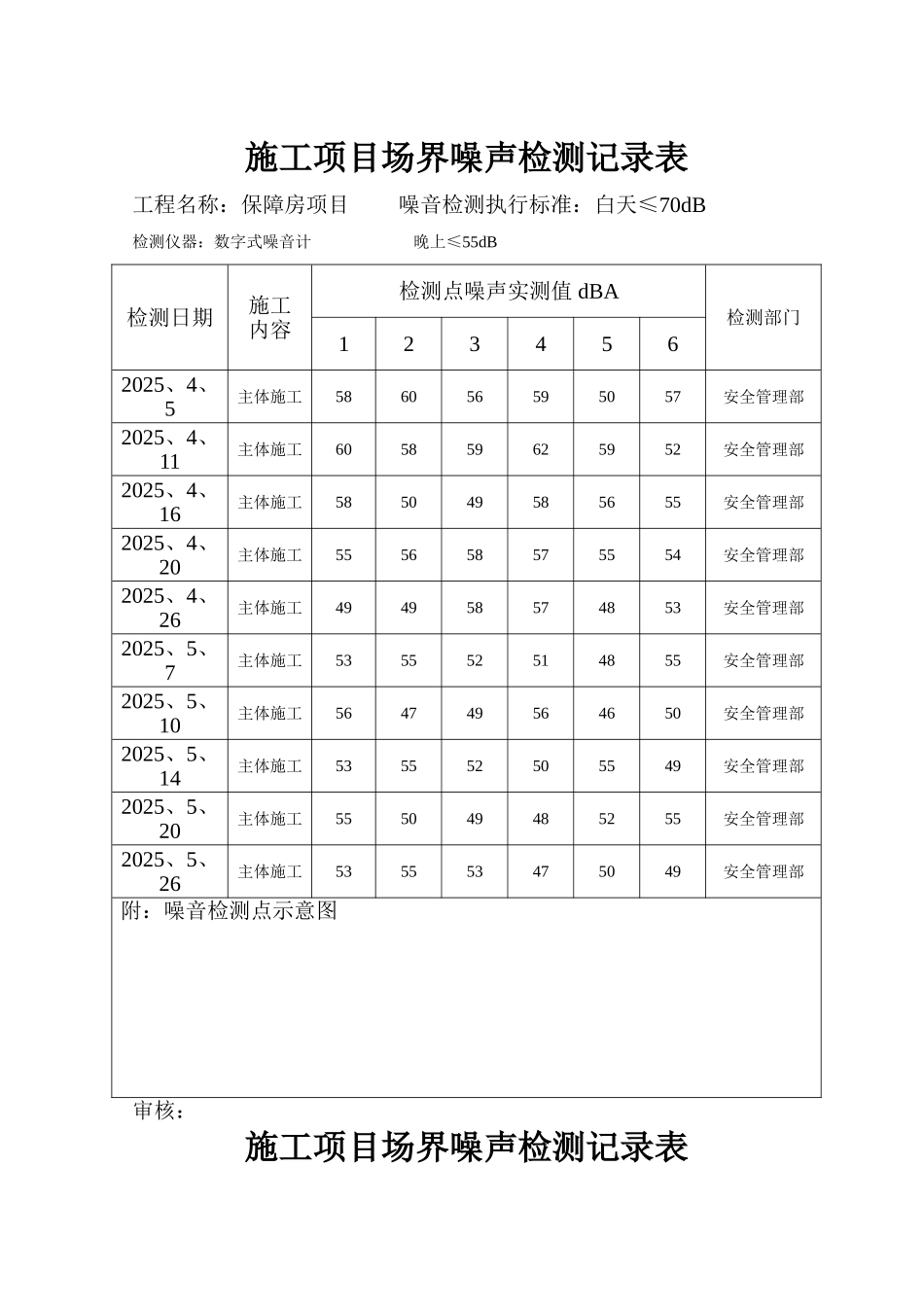
施工项目场界噪声检测记录表工程名称:保障房项目 噪音检测执行标准:白天≤70dB检测仪器:数字式噪音计 晚上≤55dB检测日期施工内容检测点噪声实测值 dB检测部门1234562025、10、15主体施工586056595057安全管理部2025、10、16主体施工605859625952安全管理部2025、10、18主体施工585049585655安全管理部2025、10、20主体施工555658575554安全管理部2025、10、28主体施工494958574853安全管理部2025、11、7主体施工535552514855安全管理部2025、11、14主体施工554155585756安全管理部2025、11、20主体施工565548396057安全管理部2025、11、25主体施工625755595850安全管理部2025、11、30主体施工595858545249安全管理部附:噪音检测点示意图审核:施工项目场界噪声检测记录表工程名称:保障房项目 噪音检测执行标准:白天≤70dB检测仪器:数字式噪音计 晚上≤55dB检测日期施工内容检测点噪声实测值 dBA检测部门1234562025、4、5主体施工586056595057安全管理部2025、4、11主体施工605859625952安全管理部2025、4、16主体施工585049585655安全管理部2025、4、20主体施工555658575554安全管理部2025、4、26主体施工494958574853安全管理部2025、5、7主体施工535552514855安全管理部2025、5、10主体施工564749564650安全管理部2025、5、14主体施工535552505549安全管理部2025、5、20主体施工555049485255安全管理部2025、5、26主体施工535553475049安全管理部附:噪音检测点示意图审核:施工项目场界噪声检测记录表工程名称:保障房项目 噪音检测执行标准:白天≤70dB检测仪器:数字式噪音计 晚上≤55dB检测日期施工内容检测点噪声实测值 dBA检测部门1234562025、6、5主体施工606568626364安全管理部2025、6、11主体施工555651505952安全管理部2025、6、16主体施工495455536066安全管理部2025、6、20主体施工626769535940安全管理部2025、6、26主体施工494958574853安全管理部2025、7、7主体施工535552514855安全管理部2025、7、10主体施工554957666263安全管理部2025、7、14主体施工535552505549安全管理部2025、7、20主体施工555049485255安全管理部2025、7、26主体施工535553475049安全管理部附:噪音检测点示意图审核:施工项目场界噪声检测记录表工程名称:保障房项目 噪音检测执行标准:白天≤70dB检测仪器:数字式噪音计 晚上≤55dB检测日期施工内容检测点噪声实测值 dB检测部门1234562025、8、10主体施工586056595057安全管理部2...

1、当您付费下载文档后,您只拥有了使用权限,并不意味着购买了版权,文档只能用于自身使用,不得用于其他商业用途(如 [转卖]进行直接盈利或[编辑后售卖]进行间接盈利)。
2、本站所有内容均由合作方或网友上传,本站不对文档的完整性、权威性及其观点立场正确性做任何保证或承诺!文档内容仅供研究参考,付费前请自行鉴别。
3、如文档内容存在违规,或者侵犯商业秘密、侵犯著作权等,请点击“违规举报”。

碎片内容

噪声监测记录表

您可能关注的文档

确认删除?
VIP
微信客服
  • 扫码咨询
会员Q群
  • 会员专属群点击这里加入QQ群
客服邮箱
回到顶部