电脑桌面
添加小米粒文库到电脑桌面
安装后可以在桌面快捷访问

冰箱电气知识VIP免费

冰箱电气知识_第1页
1/5
冰箱电气知识_第2页
2/5
冰箱电气知识_第3页
3/5
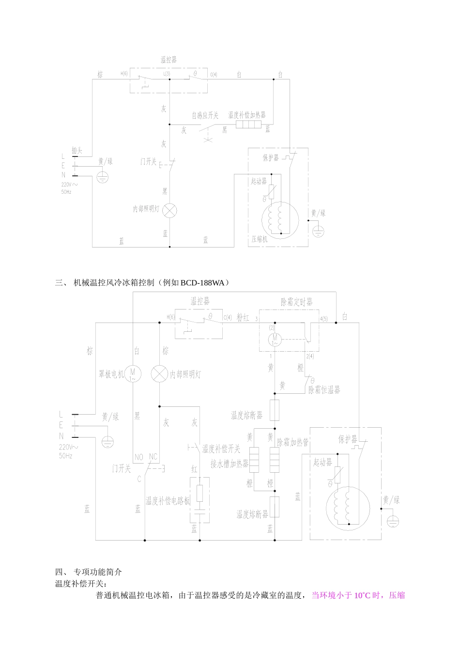
冰箱电气控制系统一、 基本知识从制冷方式分:(命名上区分)直冷冰箱(如 BCD-108、BCD-200BK、BCD-177YS)风冷冰箱(如 BCD-188WA/HC、BCD-230W/HC、BCD-348W/H)风直冷冰箱(如 BCD-166W/HC、BCD-199WAK)从控制方式分:机械温控冰箱(如 BCD-108、BCD-200BK、BCD-188WA/HC)电子温控冰箱(如 BC-145)电脑温控冰箱(如 BCD-172BY、BCD-196AY3、BCD-230W/HC、BCD-348W/H)直冷冰箱,自然对流制冷优点:噪音低、食物不易风干、省电,低噪音。缺点:要人工除霜。风冷冰箱,采用风扇强制对流制冷,加热器自动除霜。优点:无霜冰箱、箱内温度均匀。缺点:噪音大、冷藏食物易风干、耗电大。风直冷冰箱冷藏室直冷,冷冻室风冷。特点与风冷相似、但冷藏食物不易风干,同时无霜。机械温控利用温控器控温,感温导管装在冷藏室感受冷藏蒸发器温度,靠机械动作带动触点动作并控制压缩机开停,冷冻室温度通过制冷系统匹配保证(直冷冰箱)。风冷冰箱通过风道实现冷藏冷冻室冷量分配。电子温控利用电子电路控制压缩机工作,控温精确,但功能少,没有人工智能,且抗干扰能力差,已逐渐被电脑温控替代。电脑温控采用单片机控制,控温精确,功能强,具有人工智能。能够同时控制各个间室的温度,并实现各种附加功能。如:多间室温度独立控制、显示关门提示报警温度显示故障自动检测、处理智能速冻压缩机启动三分钟保护R600a 制冷剂R600a 制冷剂具有环保节能等优点,但在使用中由于 R600a 制冷剂为易燃易爆气体,相关电器件应考虑到防爆设计,即制冷剂泄漏可能存积的空间内的电气元件应通过相应的防爆认证。例如风冷冰箱中的门开关、风扇电机、除霜加热器、灯座、温控器、除霜恒温器等。二、 机械温控直冷冰箱控制电路冷冻箱(例如 BD-85)灯泡补偿冰箱(例如 BCD-108)温度自感应补偿冰箱(例如 BCD-200BK)三、 机械温控风冷冰箱控制(例如 BCD-188WA) 四、 专项功能简介温度补偿开关:普通机械温控电冰箱,由于温控器感受的是冷藏室的温度,当环境小于 10˚C 时,压缩机基本不开机,导致冷冻室温度不能下降。这时就要通过给冷藏室强制加热进行温度补偿。一般的冰箱在控制器上有补偿开关人为控制,温度自感应冰箱通过磁控开关自动感应环境温度进行控制。大部分出口冰箱由于出口国家的使用环境不会到 10˚C 以下时,所以取消了温度补偿电路及功能。温度补偿的加热方式有两种:灯泡加热和加热器加热。灯泡加热方式一般用在层架直冷冰箱及风冷箱。同时...

1、当您付费下载文档后,您只拥有了使用权限,并不意味着购买了版权,文档只能用于自身使用,不得用于其他商业用途(如 [转卖]进行直接盈利或[编辑后售卖]进行间接盈利)。
2、本站所有内容均由合作方或网友上传,本站不对文档的完整性、权威性及其观点立场正确性做任何保证或承诺!文档内容仅供研究参考,付费前请自行鉴别。
3、如文档内容存在违规,或者侵犯商业秘密、侵犯著作权等,请点击“违规举报”。

碎片内容

冰箱电气知识

您可能关注的文档

金钥匙书屋+ 关注
实名认证
内容提供者

热爱教育事业,爱好互联网行业

确认删除?
VIP
微信客服
  • 扫码咨询
会员Q群
  • 会员专属群点击这里加入QQ群
客服邮箱
回到顶部