电脑桌面
添加小米粒文库到电脑桌面
安装后可以在桌面快捷访问

浙江某服装公司采购部工作职责VIP免费

浙江某服装公司采购部工作职责_第1页
1/27
浙江某服装公司采购部工作职责_第2页
2/27
浙江某服装公司采购部工作职责_第3页
3/27
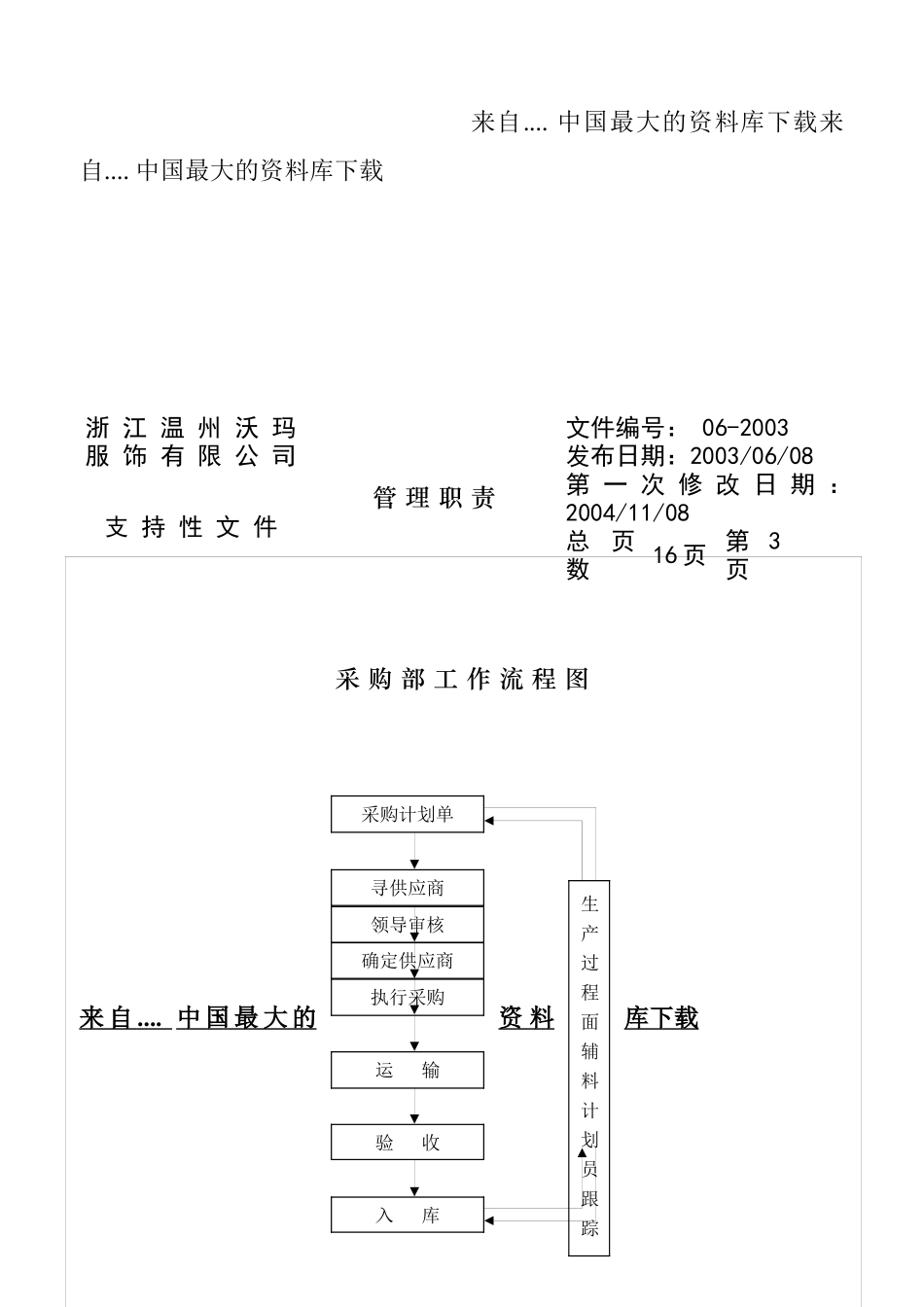
浙 江 温 州 沃 玛 服 饰 有 限 公 司管 理 职 责文件编号: 06-2003发布日期:2003/06/08支 持 性 文 件第 一 次 修 改 日 期 :2004/11/08总页数16 页第 1页采 购 部 职 能1、 质量方针、质量目标1.1 质量方针:1.1.1 量保证、时量结合,精选采购。1.2 质量目标:1.2.1 所有购置面辅料合格率 100%1.2.2 所有面辅料均在合格供方采购。2、 部门职能2.1 负责公司原材料、辅料、设备工具等物资按时、按质、按量采购及保管;2.2 坚持节约原则,积级处理呆滞物资和废品。2.3 组织物资市场调查,掌握市场资源、质量、价格等信息,做好市场物资供应预测,对紧缺物资做好储备;2.4 负责供应商的布点工作,会同质检、技术部门对供应商进行考察,确定合格供应商;2.5 负责物资供应合同的签订,并按合同组织采购;2.6 按储备定额和企业资金,会同财务部门制定物资储备资金定额;2.7 负责合同格供方的档案管理。来自.... 中国最大的资料库下载采 购 部 组 织 结 构采 购 经 理采购经理助理驾驶员仓库核算员面料仓管员辅料仓管员采购员浙 江 温 州 沃 玛 服 饰 有 限 公 司管 理 职 责文件编号: 06-2003发布日期:2003/06/08支 持 性 文 件第 一 次 修 改 日 期 :2004/11/08总页数16 页 第 2页来自.... 中国最大的资料库下载来自.... 中国最大的资料库下载采 购 部 工 作 流 程 图来 自 .... 中 国 最 大 的 资 料库下载采购计划单生产过程面辅料计划员跟踪确定供应商领导审核执行采购运 输验 收入 库寻供应商浙 江 温 州 沃 玛 服 饰 有 限 公 司管 理 职 责文件编号: 06-2003发布日期:2003/06/08支 持 性 文 件第 一 次 修 改 日 期 :2004/11/08总页数16 页 第 3页采 购 部 经 理 岗 位 职 责职务:采购部经理 定员:1 人 管理幅度 3-5人 所属部门:采购部直 接 上 级 : 总 经 理 职 务 分 析 人 : 批准人:工作概要:对材料采购的控制与管理本职工作:1、在总经理的领导下,负责公司原材料、辅料、设备、工具的采购和保管。2、对废旧、积压的物资进行回收利用或作其他处理。3、根据生产计划,编制物资采购计划并组织实施。4、 制定合理的物资储备定额,正确处理轻重缓急的关系,经济批量适时采购、调运,确保不脱节、不超储。5、 负责供应商的布点工作,会同质检、技术部门对供...

1、当您付费下载文档后,您只拥有了使用权限,并不意味着购买了版权,文档只能用于自身使用,不得用于其他商业用途(如 [转卖]进行直接盈利或[编辑后售卖]进行间接盈利)。
2、本站所有内容均由合作方或网友上传,本站不对文档的完整性、权威性及其观点立场正确性做任何保证或承诺!文档内容仅供研究参考,付费前请自行鉴别。
3、如文档内容存在违规,或者侵犯商业秘密、侵犯著作权等,请点击“违规举报”。

碎片内容

浙江某服装公司采购部工作职责

您可能关注的文档

知识面包店+ 关注
实名认证
内容提供者

热爱教学事业,对互联网知识分享很感兴趣

确认删除?
VIP
微信客服
  • 扫码咨询
会员Q群
  • 会员专属群点击这里加入QQ群
客服邮箱
回到顶部