电脑桌面
添加小米粒文库到电脑桌面
安装后可以在桌面快捷访问

电力工作票电子版VIP免费

电力工作票电子版_第1页
1/8
电力工作票电子版_第2页
2/8
电力工作票电子版_第3页
3/8
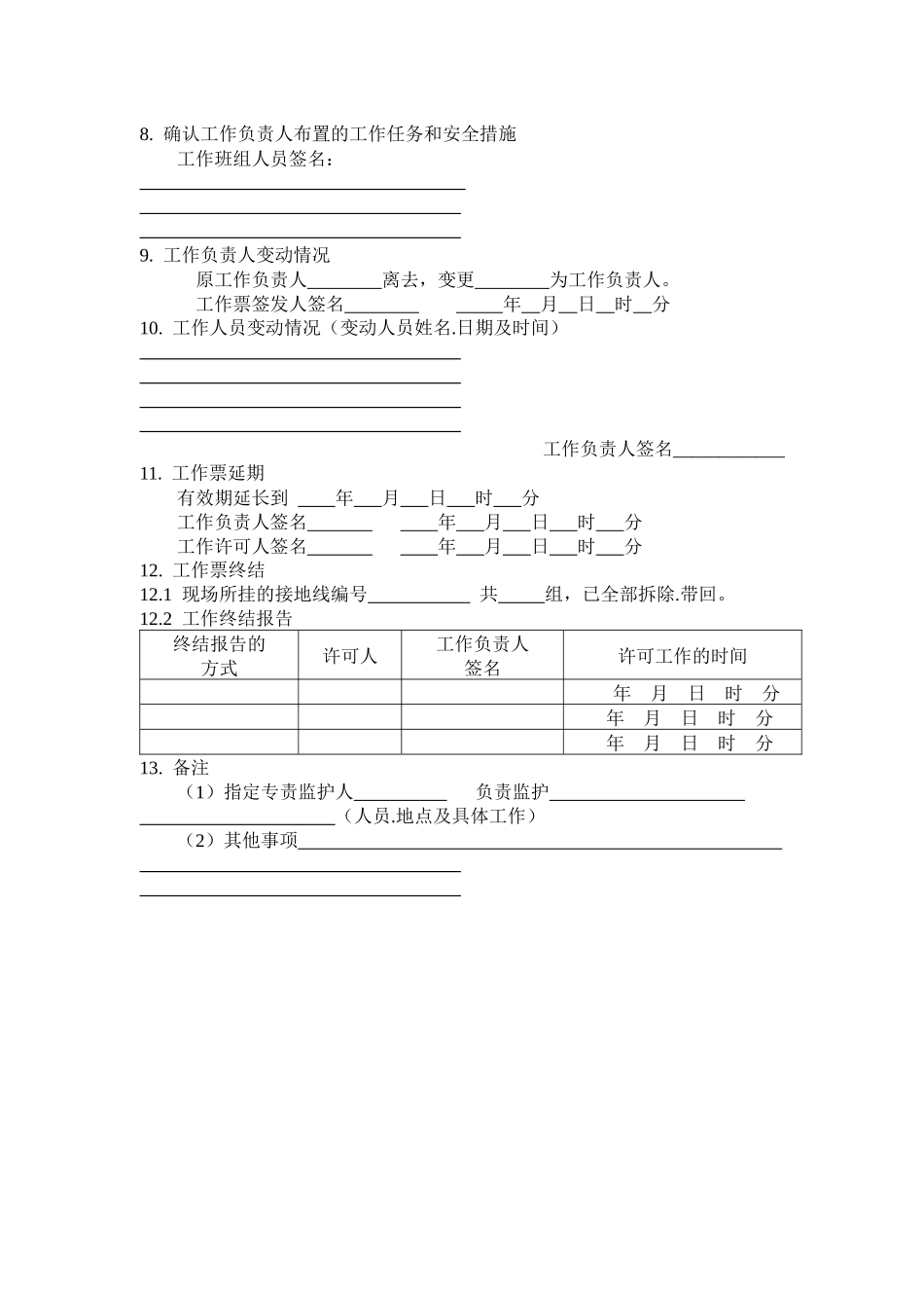
现 场 勘 察 记 录勘察单位 编号 勘察负责人 勘察人员 勘察的路线或设备的双重名称(多回应注明双重称号): 工作任务(工作地点或地段以及工作内容): 现场勘察内容1. 需要停电的范围:2. 保留的带电部位:3. 作业现场的条件.环境及其他危险点:4. 应采取的安全措施:5. 附图与说明:记录人: 勘察日期: 年 月 日 时 分至 日 时 分电力线路第一种工作标单位 编号 1. 工作负责人(监护人) 班组 2. 工作班人员(不包括工作负责人) 共 人3. 工作的线路或设备双重名称(多回路应注明双重称号) 4. 工作任务 工作地点或地段(注明分.支线路名称.线路的起止杆号)工 作 内 容5. 计划工作时间自 年 月 日 时 分至 年 月 日 时 分6. 安全措施(必要时可附页绘图说明)6.1 应改为检修状态的线路间隔名称和应拉开的断路器(开关).隔离开关(刀闸).熔断器(包括分支线.用户线路和配合停电线路): 6.2 保留或邻近的带电线路.设备: 6.3 其他安全措施和注意事项: 6.4 应挂的接地线线路名称及杆号接地线编号工作票签发人签名 年 月 日 时 分工作负责人签名 年 月 日 时 分收到工作票7. 确认本工作票 1~6 项,许可工作开始许可方式许可人工作负责人签名许可工作的时间年 月 日 时 分 年 月 日 时 分 年 月 日 时 分8. 确认工作负责人布置的工作任务和安全措施工作班组人员签名: 9. 工作负责人变动情况原工作负责人 离去,变更 为工作负责人。工作票签发人签名 年 月 日 时 分10. 工作人员变动情况(变动人员姓名.日期及时间) 工作负责人签名____________11. 工作票延期有效期延长到 年 月 日 时 分工作负责人签名 年 月 日 时 分工作许可人签名 年 月 日 时 分12. 工作票终结12.1 现场所挂的接地线编号 共 组,已全部拆除.带回。12.2 工作终结报告终结报告的方式许可人工作负责人签名许可工作的时间年 月 日 时 分 年 月 日 时 分 年 月 日 时 分13. 备注(1)指定专责监护人 负责监护 (人员.地点及具体工作)(2)其他事项 电力线路第一种工作标单位 编号 1. 工作负责人(监护人) 班组 2. 工作班人员(不包括工作负责人) 共 人3.工作任务线路或设备名称工作地点.范围工作内容4. 计划工作时间自 年 月 日 时 分自 年 月 日 时 分5. 注意事项(安全措施) 工作票签发人签名 年 ...

1、当您付费下载文档后,您只拥有了使用权限,并不意味着购买了版权,文档只能用于自身使用,不得用于其他商业用途(如 [转卖]进行直接盈利或[编辑后售卖]进行间接盈利)。
2、本站所有内容均由合作方或网友上传,本站不对文档的完整性、权威性及其观点立场正确性做任何保证或承诺!文档内容仅供研究参考,付费前请自行鉴别。
3、如文档内容存在违规,或者侵犯商业秘密、侵犯著作权等,请点击“违规举报”。

碎片内容

电力工作票电子版

您可能关注的文档

确认删除?
VIP
微信客服
  • 扫码咨询
会员Q群
  • 会员专属群点击这里加入QQ群
客服邮箱
回到顶部