电脑桌面
添加小米粒文库到电脑桌面
安装后可以在桌面快捷访问

离心式风机维护检修规程VIP免费

离心式风机维护检修规程_第1页
1/5
离心式风机维护检修规程_第2页
2/5
离心式风机维护检修规程_第3页
3/5
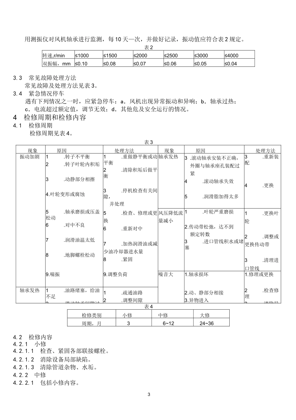
1目录1总则..................................................................................................21.1适用范围.......................................................................................21.2结构简述.......................................................................................21.3设备性能.......................................................................................22 设备完好标准............................................................................................22.1零、部件.......................................................................................22.2运行性能.......................................................................................22.3技术资料.......................................................................................22.4设备及环境.....................................................................................23 设备的维护..............................................................................................23.1日常维护.......................................................................................23.2定期检查内容...................................................................................23.3常见故障处理方法...............................................................................33.4紧急情况停车...................................................................................34检修周期和检修内容...................................................................................34.1检修周期.......................................................................................34.2检修内容.......................................................................................35检修方法及质量标准...................................................................................45.1 转子.............................................................................................45.1机壳.......................................................................

1、当您付费下载文档后,您只拥有了使用权限,并不意味着购买了版权,文档只能用于自身使用,不得用于其他商业用途(如 [转卖]进行直接盈利或[编辑后售卖]进行间接盈利)。
2、本站所有内容均由合作方或网友上传,本站不对文档的完整性、权威性及其观点立场正确性做任何保证或承诺!文档内容仅供研究参考,付费前请自行鉴别。
3、如文档内容存在违规,或者侵犯商业秘密、侵犯著作权等,请点击“违规举报”。

碎片内容

离心式风机维护检修规程

最好的沉淀+ 关注
实名认证
内容提供者

行业文档

确认删除?
VIP
微信客服
  • 扫码咨询
会员Q群
  • 会员专属群点击这里加入QQ群
客服邮箱
回到顶部