电脑桌面
添加小米粒文库到电脑桌面
安装后可以在桌面快捷访问

国开电大 可编程控制器应用实训 形考任务2实训报告VIP免费

国开电大 可编程控制器应用实训 形考任务2实训报告_第1页
1/6
国开电大 可编程控制器应用实训 形考任务2实训报告_第2页
2/6
国开电大 可编程控制器应用实训 形考任务2实训报告_第3页
3/6
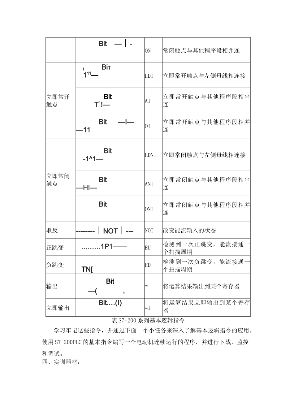
可编程控制器应用实训形考任务二实训报告基本逻辑指令实训一、实训目的:1.掌握基本逻辑指令的相关知识。2.进一步掌握编程软件中绘制含有基本逻辑指令的梯形图的方法。3.进一步熟悉编程软件的通信设置和程序下载。4.熟悉运用编程软件进行控制系统联机调试。二、实训要求:1.根据功能控制要求,编写 PLC 程序,并通过编程软件进行程序的编制、编译、调试相关的组态等工作;2.PLC 的基本逻辑指令是 PLC 编程的基础,是使用最多的指令,因此必须熟练掌握。三、实训内容:名称梯形图语句表功能常开触点lEitLD常开触点与左侧母线相连接BitT1-A常开触点与其他程序段相串连Bit]0常开触点与其他程序段相并连常闭触点Bit∣→∕∣—LDN常闭触点与左侧母线相连接BitT/l—AN常闭触点与其他程序段相串连Bit—∣-ON常闭触点与其他程序段相并连立即常开触点(Biτ111—LDI立即常开触点与左侧母线相连接BitT1!—AI立即常开触点与其他程序段相串连Bit—I——11OI立即常开触点与其他程序段相并连立即常闭触点Bit-1^1—LDNI立即常闭触点与左侧母线相连接Bit—HI—ANI立即常闭触点与其他程序段相串连BitONI立即常闭触点与其他程序段相并连取反--------∣NOT∣---NOT改变能流输入的状态正跳变.........1P1——EU检测到一次正跳变,能流接通一个扫描周期负跳变TN[ED检测到一次负跳变,能流接通一个扫描周期输出Bit—(,=将运算结果输出到某个寄存器立即输出Bit....(I)=I将运算结果立即输出到某个寄存器表 S7-200 系列基本逻辑指令学习牢记这些指令,并通过下面一个小任务来深入了解基本逻辑指令的应用。使用 S7-200PLC 的基本指令编写一个电动机连续运行的程序,并进行下载,监控和调试。四、实训器材:所需的工具、设备及材料(1)常用电工工具、万用表等。(2)PC 机。(3)所需设备、材料见表。序号 标准代号 器件名称型号规格数量备注1PLCS7-200CN CPU226AC/DC/RLA 16ES7216-28D23-0XB82PPI通信电缆 RS232-4851表设备、材料明细表五、实训步骤:(一)硬件连线操作实训本次任务涉及的内容极为简单,因此接线时主要将 PLC 的电源线和通信线连接上即可。PLC 电源线:连接 PLC 的 L 和 N 端,见图 1。图 1PLC 电源线PLC 通信线:一端连电脑串口,另外一端连 PLC 串口,见图 2 和图 3。(二)调试实训程序通信读取 PLC,下载程序并监控。仔细监控状态下触点和线圈的情况,观察程序是否正常运行,若有异常现象应马上断电,重新修整...

1、当您付费下载文档后,您只拥有了使用权限,并不意味着购买了版权,文档只能用于自身使用,不得用于其他商业用途(如 [转卖]进行直接盈利或[编辑后售卖]进行间接盈利)。
2、本站所有内容均由合作方或网友上传,本站不对文档的完整性、权威性及其观点立场正确性做任何保证或承诺!文档内容仅供研究参考,付费前请自行鉴别。
3、如文档内容存在违规,或者侵犯商业秘密、侵犯著作权等,请点击“违规举报”。

碎片内容

国开电大 可编程控制器应用实训 形考任务2实训报告

您可能关注的文档

最好的沉淀+ 关注
实名认证
内容提供者

行业文档

相关文档

确认删除?
VIP
微信客服
  • 扫码咨询
会员Q群
  • 会员专属群点击这里加入QQ群
客服邮箱
回到顶部