电脑桌面
添加小米粒文库到电脑桌面
安装后可以在桌面快捷访问

xps外保温施工方案(图、全面).docVIP免费

xps外保温施工方案(图、全面).doc_第1页
1/18
xps外保温施工方案(图、全面).doc_第2页
2/18
xps外保温施工方案(图、全面).doc_第3页
3/18
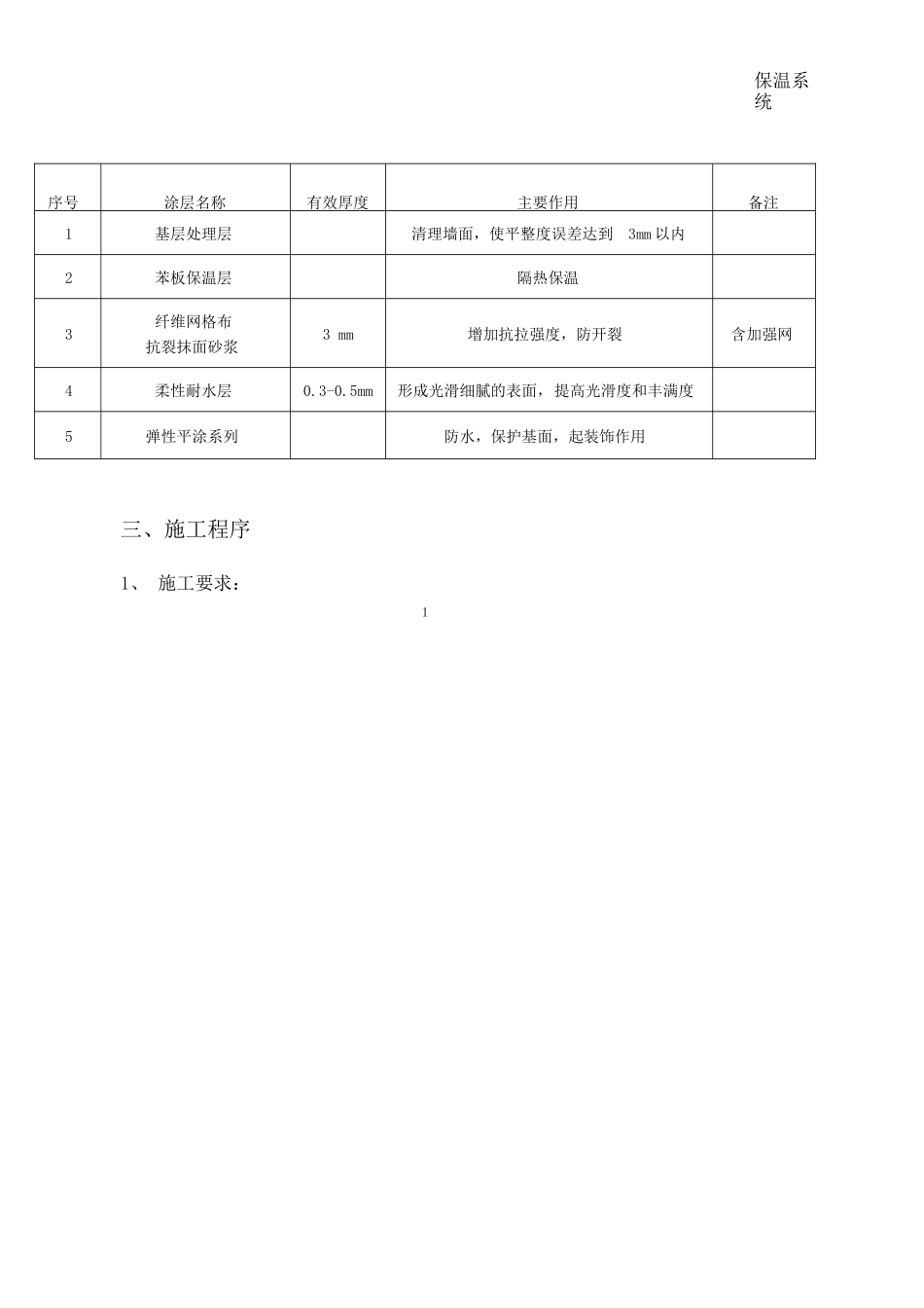
聚苯板保温系统施工方案目 录二、保温层结构设计………………………………………………1§三、施工程序 ………………………………………………………四、质量标准………………………………………………………10§五、成品保护措施…………………………………………………12§1§一、 设计方案………………………………………………………1§保温系统六、其他注意事项…………………………………………………12§一、设计方案1、设计要求(1)功能要求根据地区的气候特点、该工程所处的具体位置和功能以及业主的要求,涂装完成以后应具备以下功能:1)表面平整,无龟裂纹产生。2)具有防水防渗作用。3)具有一定的保洁性。4)达到设计要求的保温效果。5)达到设计要求的装饰效果。( 2)外观要求表面平整,色彩达到设计要求。二、保温层结构设计为达到上述功能,结合现有墙面基层状况,拟采用以下功能层结构□各功能层的作用及有效厚度保温系统序号涂层名称有效厚度主要作用备注1基层处理层清理墙面,使平整度误差达到3mm 以内2苯板保温层隔热保温3纤维网格布抗裂抹面砂浆3 mm增加抗拉强度,防开裂含加强网4柔性耐水层0.3-0.5mm形成光滑细腻的表面,提高光滑度和丰满度5弹性平涂系列防水,保护基面,起装饰作用三、施工程序1、 施工要求:12保温系统3保温系统1) 施工温度不应低于5oC,而且施工完成后,24 小时内气温高于5oC。夏季高温时,不宜在强光下2)3)4)5)施工。5 级以上或雨天禁止作业。找平层施工前,抹灰部位根据情况提前半个小时浇水。找平层用1: 3 水泥基柔性找平砂浆。窗口,窗膀水平角及垂直角要挂线施工。2、 基层处理:1) 做外墙保温系统的墙面应进行墙体抹灰,找平基层,墙面平整度用2m 靠尺检测,其平整度≤3mm,2)3)阴、阳角方正。局部不平整超限度部位用1:2 水泥砂浆找平。基层表面应光滑、坚固、干燥、无污染或其它有害的材料。墙外的消防梯、水落管、防盗窗预埋件或其它预埋件、进口线或其它预留洞口,应按设计图纸或施工验收规范要求提前施工。3、 施工工序基面检查或处理工具准备阴阳角、门窗膀挂线基层墙体湿润粘结剂,挑选保温板粘结保温板^^> 保温板塞缝,打磨、找平墙面保温板面批涂抗裂抹面腻子,粘结玻纤网4、施工流程图:工具准备4保温系统5、粘贴保温板1. 1 工具明细:1、 锯条或刀锯2、 打磨保温板的粗砂纸挫子或专用工具3、 小压子或铁勺4、 铝合金靠尺5、 铁卷尺6、 线绳、线坠7、...

1、当您付费下载文档后,您只拥有了使用权限,并不意味着购买了版权,文档只能用于自身使用,不得用于其他商业用途(如 [转卖]进行直接盈利或[编辑后售卖]进行间接盈利)。
2、本站所有内容均由合作方或网友上传,本站不对文档的完整性、权威性及其观点立场正确性做任何保证或承诺!文档内容仅供研究参考,付费前请自行鉴别。
3、如文档内容存在违规,或者侵犯商业秘密、侵犯著作权等,请点击“违规举报”。

碎片内容

xps外保温施工方案(图、全面).doc

您可能关注的文档

确认删除?
VIP
微信客服
  • 扫码咨询
会员Q群
  • 会员专属群点击这里加入QQ群
客服邮箱
回到顶部