电脑桌面
添加小米粒文库到电脑桌面
安装后可以在桌面快捷访问

阳光电源数据采集器V3 IEC104通信协议-V1.0.1.3VIP免费

阳光电源数据采集器V3 IEC104通信协议-V1.0.1.3_第1页
1/26
阳光电源数据采集器V3 IEC104通信协议-V1.0.1.3_第2页
2/26
阳光电源数据采集器V3 IEC104通信协议-V1.0.1.3_第3页
3/26
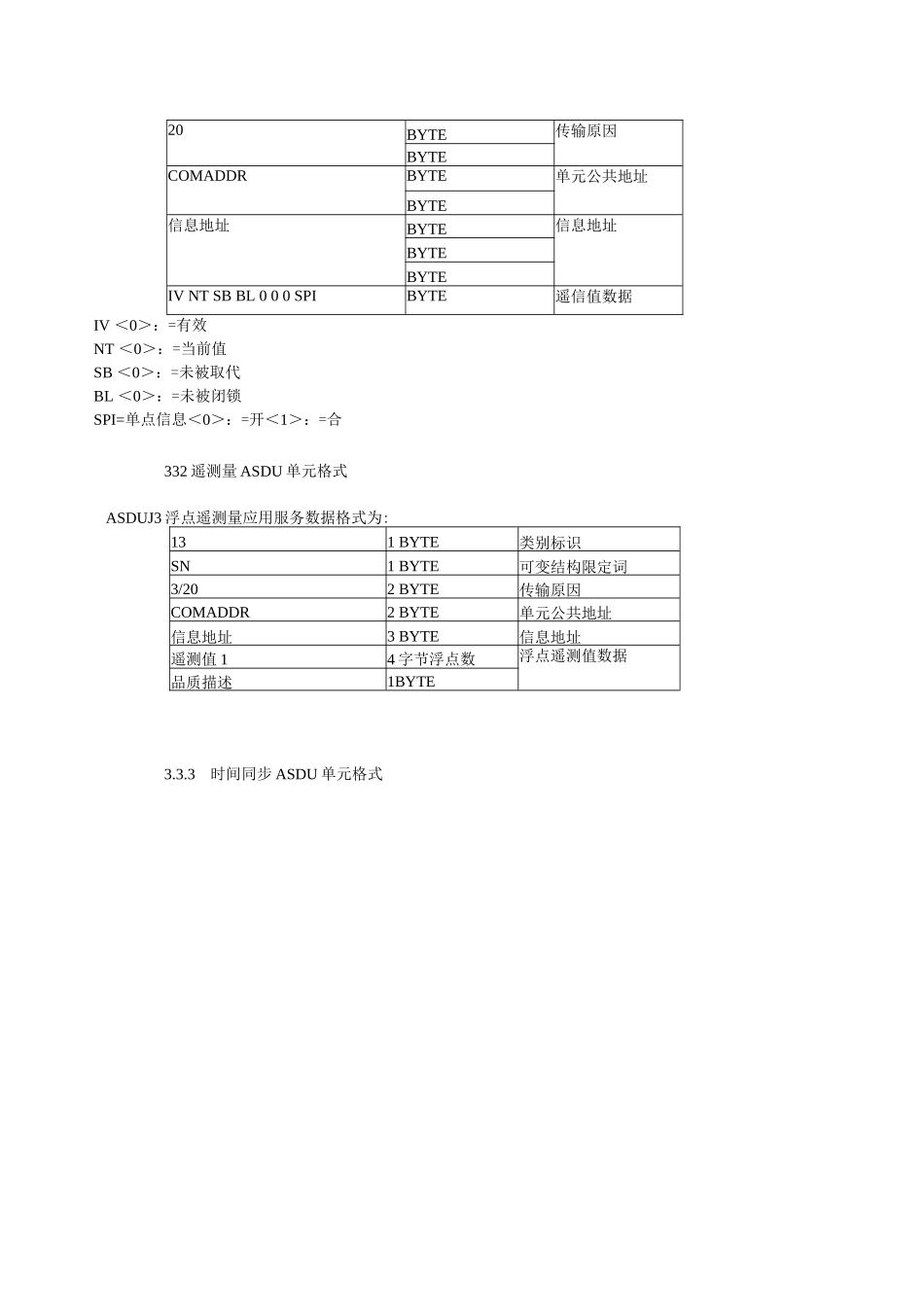
阳光电源数据采集器 V3IEC104 通信协议VI.0.1.3升级历史:版本号拟制责任人拟制日期修改内容及理由审核人批准人1.0.1.0徐顺安2014/9新拟制1.0.1.1徐顺安2015/8增加 AGC/AVC 调度测点1.0.1.2徐顺安2015/10增加 TPS6600 测控装置测点 熠加交流配电柜装置测点1.0.1.3徐顺安2015/12增加 TW-6631 测控装置测点 修改中小功率逆变器遥测测点I 前言本文是阳光电源平湖项目数据采集器产品贯彻执行 IEC60870-5-I04 标准的通信规约,本通信规约完全执行 IEC60870-5-104 标准,它描述了阳光电源股份有限公司平湖项目 数据采集器的实际运用情况,以供产品的开发和使用参考。默认情况下,支持浮点遥测上 传,支持双点遥信上传(带时标),支持双点遥控数据下发,支持浮点遥调下发。2 引用标准IEC60870-5-1043 规约3.1通信接口10M/100M 以太网 TCP/IP 接 口。3.2报文格式参考 IEC60870-5-104 协议。3.3ASDU 歹小表331 遥信量 ASDU 单元格式ASDU」单点遥信量应用服务数据格式为:1BYTE类别标识NBYTE可变结构限定词20BYTE传输原因BYTECOMADDRBYTE单元公共地址BYTE信息地址BYTE信息地址BYTEBYTEIV NT SB BL 0 0 0 SPIBYTE遥信值数据IV <0>:=有效NT <0>:=当前值SB <0>:=未被取代BL <0>:=未被闭锁SPI=单点信息<0>:=开<1>:=合332 遥测量 ASDU 单元格式ASDUJ3 浮点遥测量应用服务数据格式为:131 BYTE类别标识SN1 BYTE可变结构限定词3/202 BYTE传输原因COMADDR2 BYTE单元公共地址信息地址3 BYTE信息地址遥测值 14 字节浮点数浮点遥测值数据品质描述1BYTE3.3.3时间同步 ASDU 单元格式表 5ASDU.103 时间同步命令应用服务数据格式为:103类别标识1可变结构限定词6/7传输原因COMADDR单元公共地址0信息地址Ms(毫秒低)时间Ms(毫秒高)IV 0分 2 进制(六位)SU 0 0时 2 进制(五位)0 0 0日 2 进制(五位)0 0 0 0 月 2 进制(四位)0年 2 进制(七位)∣V=<1>无效,IV=<0>有效SU=<1>夏时制334 遥信量状态变位信号(含告警信号)遥信量状态变位 ASDU3O 的数据格式30米用标识N诃期集协限宗词3传输原厌 ICOMADDR单元公共址址信息地卅信息卅 J,卅IV NT SB BI. 0 0 SPI信息元素 1Msf 豪秒低)MM 亳秒高)介时月住IV <0>:=有效NT<0≡ >=当前值SB <0>:=未被取代BL <0>:=未被闭锁SPI=单点信息<0>:=开<1>:=合3.3.5遥控(选择执行方式)ASDU_45 ...

1、当您付费下载文档后,您只拥有了使用权限,并不意味着购买了版权,文档只能用于自身使用,不得用于其他商业用途(如 [转卖]进行直接盈利或[编辑后售卖]进行间接盈利)。
2、本站所有内容均由合作方或网友上传,本站不对文档的完整性、权威性及其观点立场正确性做任何保证或承诺!文档内容仅供研究参考,付费前请自行鉴别。
3、如文档内容存在违规,或者侵犯商业秘密、侵犯著作权等,请点击“违规举报”。

碎片内容

阳光电源数据采集器V3 IEC104通信协议-V1.0.1.3

您可能关注的文档

最好的沉淀+ 关注
实名认证
内容提供者

行业文档

确认删除?
VIP
微信客服
  • 扫码咨询
会员Q群
  • 会员专属群点击这里加入QQ群
客服邮箱
回到顶部