电脑桌面
添加小米粒文库到电脑桌面
安装后可以在桌面快捷访问

塔式起重机安全技术委托检验协议书VIP免费

塔式起重机安全技术委托检验协议书_第1页
1/4
塔式起重机安全技术委托检验协议书_第2页
2/4
塔式起重机安全技术委托检验协议书_第3页
3/4
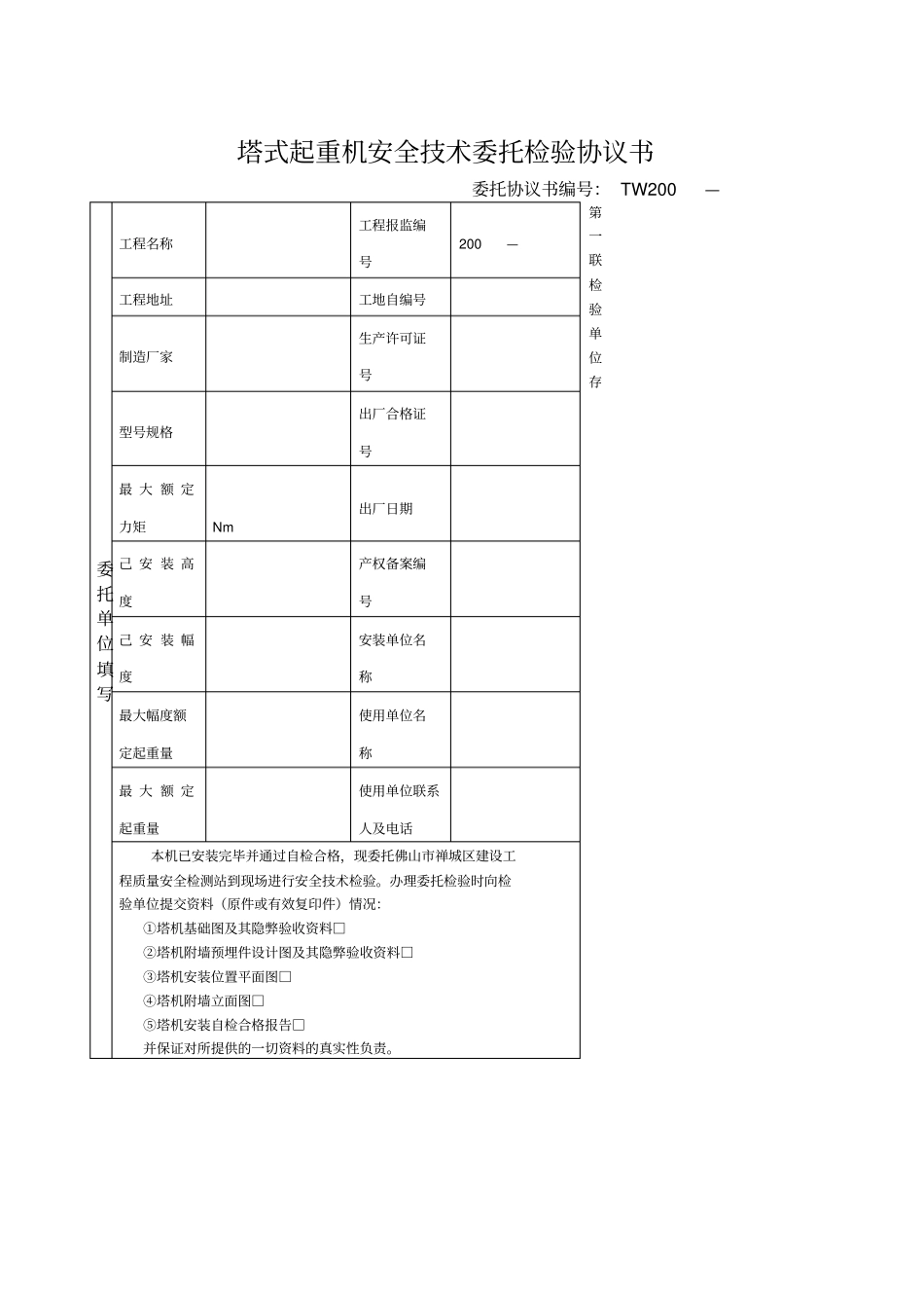
塔式起重机安全技术委托检验协议书委托协议书编号: TW200 —委托单位填写工程名称工程报监编号200 —第一联检验单位存工程地址工地自编号制造厂家生产许可证号型号规格出厂合格证号最 大 额 定力矩Nm 出厂日期己 安 装 高度产权备案编号己 安 装 幅度安装单位名称最大幅度额定起重量使用单位名称最 大 额 定起重量使用单位联系人及电话本机已安装完毕并通过自检合格,现委托佛山市禅城区建设工程质量安全检测站到现场进行安全技术检验。办理委托检验时向检验单位提交资料(原件或有效复印件)情况:①塔机基础图及其隐弊验收资料□②塔机附墙预埋件设计图及其隐弊验收资料□③塔机安装位置平面图□④塔机附墙立面图□⑤塔机安装自检合格报告□并保证对所提供的一切资料的真实性负责。相关约定1.检验依据:①《塔式起重机安全规程》(GB5144-2006)②《塔式起重机》(GB/T5031-2008 )③《施工现场机械设备检查技术规程》JGJ160-2008④《建筑起重机械安全监督管理规定》建设部令第166 号2. 为配合检验单位检验工作,委托单位应提供必要的人员协助和安全环境条件。3. 为配合检验单位检验工作,在检验时委托单位应提供1.25 倍的最大额定荷载的砝码,用于塔机试验。4. 检验单位按检验标准负责对委托单位的塔式起重机进行安全技术检验,检验应确保客观、公正、准确。5. 检验单位在检验(存在不合格项时由委托方落实整改,并填写整改报告交检测站)完毕或复检合格后三个工作日内出具检验报告,检验报告正本由委托方凭本委托协议书到检测站领取。6. 每台塔机需填报本委托协议书一式二份,委托单位、检验单位各存一份。检验单位填写1.收费依据 : 佛山市禅城区物价局佛禅价[2004]80号文。2.收费 : 检验费: ¥元,大写:仟佰拾元(初检□,复检□)。3.检验时间 : 初步约定200 年月日(上午 / 下午) ,若有特殊情况需要变更检验时间时,由双方另行商定。双方签字其它约定:委托单位:检验单位:佛山市禅城区建设工程质量安全检测站经办人签名:经办人签名:电话:电话:签约日期: 200 年月日注 :有 “□”选项中 ,选用打“√”表示,不选用打“”表示。塔式起重机安全技术委托检验协议书委托协议书编号: TW200 —委托单位填写工程名称工程报监编号200 —第二联委托单位工程地址工地自编号制造厂家生产许可证号型号规格出厂合格证号存最 大 额 定力矩Nm 出厂日期己 安 装 高度产权备案编号己 安 装 ...

1、当您付费下载文档后,您只拥有了使用权限,并不意味着购买了版权,文档只能用于自身使用,不得用于其他商业用途(如 [转卖]进行直接盈利或[编辑后售卖]进行间接盈利)。
2、本站所有内容均由合作方或网友上传,本站不对文档的完整性、权威性及其观点立场正确性做任何保证或承诺!文档内容仅供研究参考,付费前请自行鉴别。
3、如文档内容存在违规,或者侵犯商业秘密、侵犯著作权等,请点击“违规举报”。

碎片内容

塔式起重机安全技术委托检验协议书

您可能关注的文档

确认删除?
VIP
微信客服
  • 扫码咨询
会员Q群
  • 会员专属群点击这里加入QQ群
客服邮箱
回到顶部