电脑桌面
添加小米粒文库到电脑桌面
安装后可以在桌面快捷访问

HDPE土工膜施工方案(DOC37页)VIP免费

HDPE土工膜施工方案(DOC37页)_第1页
1/35
HDPE土工膜施工方案(DOC37页)_第2页
2/35
HDPE土工膜施工方案(DOC37页)_第3页
3/35
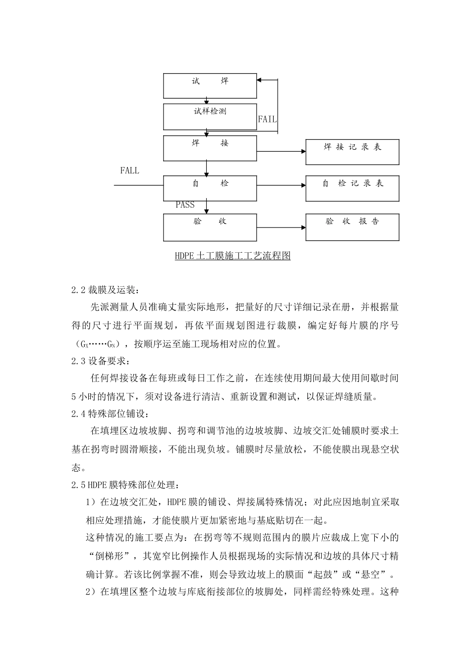
(三)防渗系统HDPE 防渗膜这道工序是整个防渗系统中一道最关键的工序,整个工程的成败取决于人工防渗层的施工质量,也就是说,一旦防渗膜发生渗漏,造成地下水源污染,后果将无法弥补。因此,在施工中必须对每一个过程,每一个环节严密组织、精心施工。1. 铺设安装前的准备工作:1.1 铺设、安装 HDPE 膜前,邀请业主、设计方、现场监理与相关单位,进行施工前的预备会议,会议最终确定防渗施工的各项施工细节以及解决工地现场出现的各种新的情况。1.2 做好施工前的电源线路检修、畅通;施工机具的检修就位;劳动力安排就绪等一切准备工作。1.3 膜下层工序验收合格后,才能进行膜铺设,未经验收不能铺设 HDPE 膜。1.4 必须按照已批准的文件和征得项目监理对我方的施工建议方案书面同意后,方可施工。施工中应做好记录,交业主归档备查。1.5 施工设备、机具、HDPE 土工膜材料其施工前应进行检查。HDPE 土工膜材料合格证应保存备查,并打开包装检查 HDPE 土工膜外观质量,记录并修补已发现的机械损伤和生产创伤、孔洞、折损等缺陷。受损且修补困难的 HDPE 土工膜应剪除,HDPE 土工膜材质在施工前须经监理工程师认可。2. HDPE 土工膜铺设、焊接施工:2.1 HDPE 膜施工工艺流程:裁 土 工 膜铺 设实地丈量尺寸铺膜规划示意图裁 膜 记 录 表铺 设 祥 图试焊结果记录表修补对正、搭齐压膜定型擦拭尘土 FAIL FALL PASSHDPE 土工膜施工工艺流程图 2.2 裁膜及运装:先派测量人员准确丈量实际地形,把量好的尺寸详细记录在册,并根据量得的尺寸进行平面规划,再依平面规划图进行裁膜,编定好每片膜的序号(GX……GN),按顺序运至施工现场相对应的位置。2.3 设备要求:任何焊接设备在每班或每日工作之前,在连续使用期间最大使用间歇时间5 小时的情况下,须对设备进行清洁、重新设置和测试,以保证焊缝质量。2.4 特殊部位铺设:在填埋区边坡坡脚、拐弯和调节池的边坡坡脚、边坡交汇处铺膜时要求土基在拐弯时圆滑顺接,不能出现负坡。铺膜时尽量放松,不能使膜出现悬空状态。2.5 HDPE 膜特殊部位处理:1)在边坡交汇处,HDPE 膜的铺设、焊接属特殊情况;对此应因地制宜采取相应处理措施,才能使膜片更加紧密地与基底贴切在一起。这种情况的施工要点为:在拐弯等不规则范围内的膜片应裁成上宽下小的“倒梯形”,其宽窄比例操作人员根据现场的实际情况和边坡的具体尺寸精确计算。若该比例掌握不准,则会导致边坡上...

1、当您付费下载文档后,您只拥有了使用权限,并不意味着购买了版权,文档只能用于自身使用,不得用于其他商业用途(如 [转卖]进行直接盈利或[编辑后售卖]进行间接盈利)。
2、本站所有内容均由合作方或网友上传,本站不对文档的完整性、权威性及其观点立场正确性做任何保证或承诺!文档内容仅供研究参考,付费前请自行鉴别。
3、如文档内容存在违规,或者侵犯商业秘密、侵犯著作权等,请点击“违规举报”。

碎片内容

HDPE土工膜施工方案(DOC37页)

书海行舟+ 关注
实名认证
内容提供者

热爱教学事业,对互联网知识分享很感兴趣

确认删除?
VIP
微信客服
  • 扫码咨询
会员Q群
  • 会员专属群点击这里加入QQ群
客服邮箱
回到顶部