电脑桌面
添加小米粒文库到电脑桌面
安装后可以在桌面快捷访问

通用桥式起重机安装施工组织设计方案(DOC6页)VIP免费

通用桥式起重机安装施工组织设计方案(DOC6页)_第1页
1/6
通用桥式起重机安装施工组织设计方案(DOC6页)_第2页
2/6
通用桥式起重机安装施工组织设计方案(DOC6页)_第3页
3/6
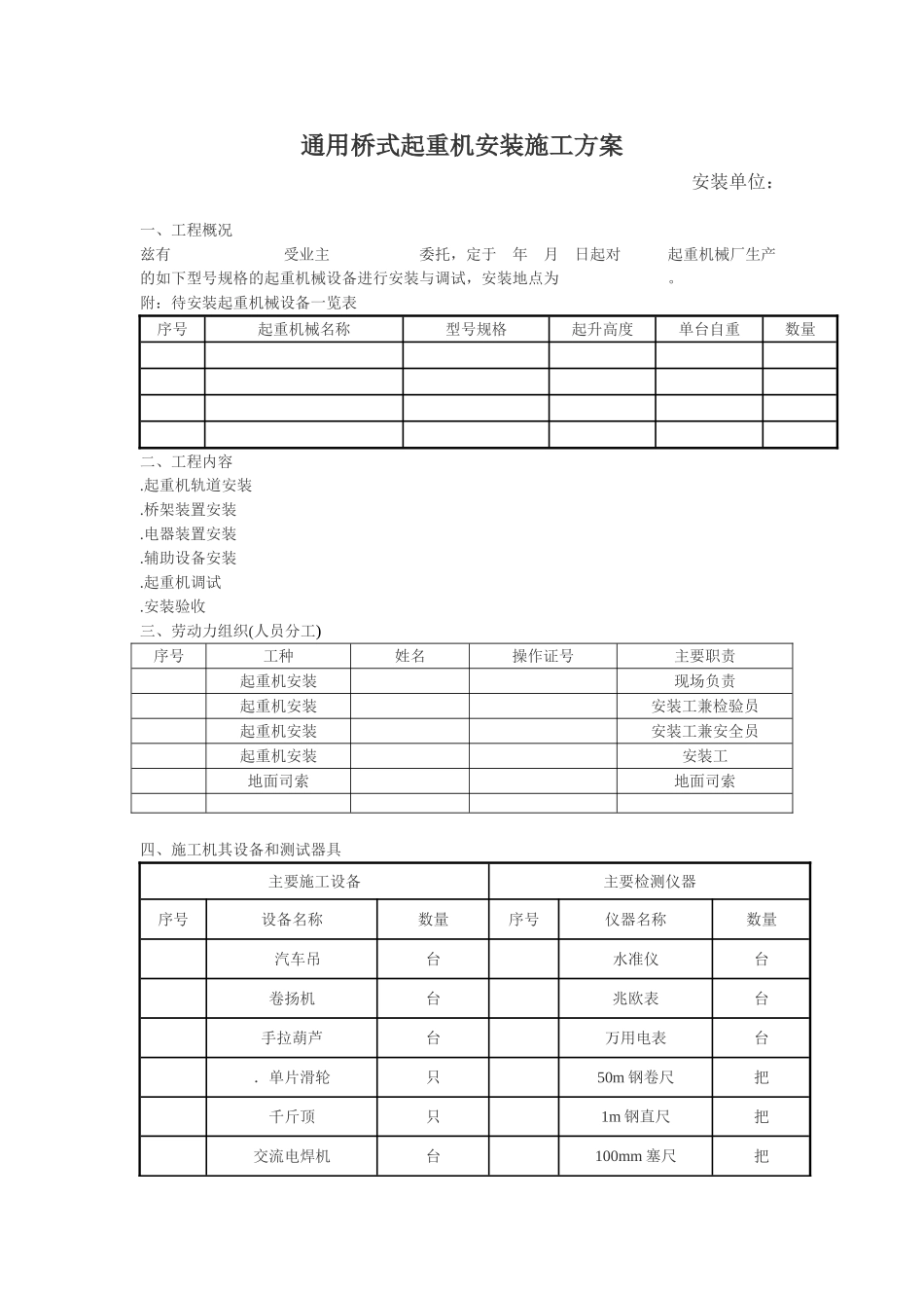
通用桥式起重机安装施工方案安装单位: 一、工程概况兹有 受业主 委托,定于 年 月 日起对 起重机械厂生产的如下型号规格的起重机械设备进行安装与调试,安装地点为 。附:待安装起重机械设备一览表序号起重机械名称型号规格起升高度单台自重数量二、工程内容.起重机轨道安装.桥架装置安装.电器装置安装.辅助设备安装.起重机调试.安装验收三、劳动力组织(人员分工)序号工种姓名操作证号主要职责起重机安装现场负责起重机安装安装工兼检验员起重机安装安装工兼安全员起重机安装安装工地面司索地面司索四、施工机其设备和测试器具主要施工设备主要检测仪器序号设备名称数量序号仪器名称数量 汽车吊台水准仪台卷扬机台兆欧表台手拉葫芦台万用电表台.单片滑轮只50m 钢卷尺把千斤顶只1m 钢直尺把交流电焊机台100mm 塞尺把气割设备套框式水平仪台砂轮切割机台游标卡尺把角向磨光机台弹簧秤把安全带副手虎钳把 五、工艺流程 设备开箱检查一建筑构件部分的检查一安装轨道一 滑触线安装一吊装一组装通用桥式起重机一起重机电气及附件安装 起重机试运转一自检一竣工交检六、工艺步序(一)设备开箱检查由安装单位和设备使用单位共同成立开箱验收小组,根据装箱清单逐一清点货物,并认真填写开箱验收记录。.根据随机文件目录查对《使用说明书》、电气原理图、布线图、《产品合格证》(包括主要材料质保书、电动葫芦合格证等)。.根据装箱清单所列零部件规格型号、数量逐一清点货物。.检查各部件是否完好无损,有无人为因素的变形损伤。.验收结束后,认真填写开箱验收记录,并共同签字。.将验收后的设备妥善保管。(二)建筑构件部分的检查根据业主提供的建筑构件检测数据,对建筑构件部分进行复查。.承轨梁顶面标高。.承轨梁中心位置及两侧承轨梁中心距。.承轨梁已预留孔及预埋螺栓时中心线的偏离。 (三)安装轨道 .放线:根据起重机轨距在承轨梁上放线,弹出轨道中心线,再按轨道底宽,弹出轨道底边线,以导电侧的轨道线为基准,根据轨距,用钢卷尺、弹簧秤定出另一侧轨道中心线,同样弹出轨道中心线。 .调整标高:根据所测标高,添加所需的垫板。 .轨道上位:用手拉葫芦分别将调直的轨道吊装到承轨梁上,吊放在所需位置,把轨道底面用20mm 左右厚度的木板垫起来,以便放置钢垫板和防震垫片。 .轨道找正、定位、紧固:将安装轨道用的一切材料及工具如螺栓组、轨道压板等吊到承轨梁上,并组对好,以防掉下伤人。钢垫和防震垫板垫好后,将轨...

1、当您付费下载文档后,您只拥有了使用权限,并不意味着购买了版权,文档只能用于自身使用,不得用于其他商业用途(如 [转卖]进行直接盈利或[编辑后售卖]进行间接盈利)。
2、本站所有内容均由合作方或网友上传,本站不对文档的完整性、权威性及其观点立场正确性做任何保证或承诺!文档内容仅供研究参考,付费前请自行鉴别。
3、如文档内容存在违规,或者侵犯商业秘密、侵犯著作权等,请点击“违规举报”。

碎片内容

通用桥式起重机安装施工组织设计方案(DOC6页)

确认删除?
VIP
微信客服
  • 扫码咨询
会员Q群
  • 会员专属群点击这里加入QQ群
客服邮箱
回到顶部