电脑桌面
添加小米粒文库到电脑桌面
安装后可以在桌面快捷访问

机械工人常用计算方法示例VIP免费

机械工人常用计算方法示例_第1页
1/30
机械工人常用计算方法示例_第2页
2/30
机械工人常用计算方法示例_第3页
3/30
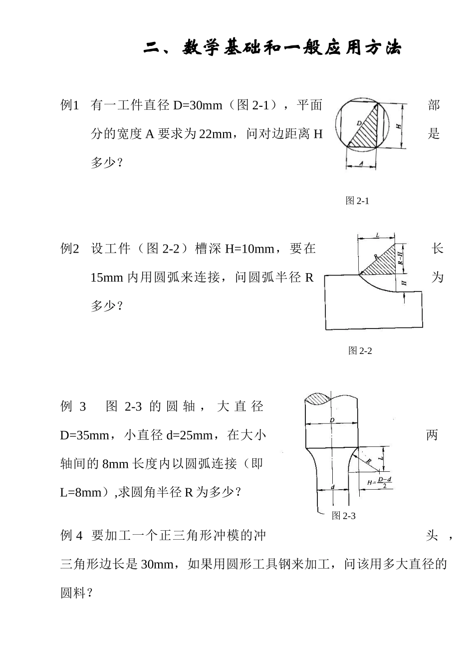
机械工人常用计算方法示例辽宁省机电工程学校2008 年 3 月试用前言当今新型机械工人,不但在操作技能方面需要熟练,并且对理论计算要有一定的认识。本书编写的目的,就在于使学习和经常运用有关计算的技工,能掌握这些专业知识,更好地为生产服务。 本教材注重了基础性计算和通用性计算的有机结合,在突出和贯穿机械加工、编程中各种常规性计算的同时,许多处还不同程度地叙述了一些特殊情况下的计算,以满足不同加工条件的需要。在编写过程中,我们追求实用和实效,加强内容的充实和提高,力求理论与实践相结合。书中难免有不足之处甚至错误的地方,望给予批评指正。编写小组二、数学基础和一般应用方法例1有一工件直径 D=30mm(图 2-1),平面部分的宽度 A 要求为 22mm,问对边距离 H是多少?例2设工件(图 2-2)槽深 H=10mm,要在长15mm 内用圆弧来连接,问圆弧半径 R为多少?例 3 图 2-3 的 圆 轴 , 大 直 径D=35mm,小直径 d=25mm,在大小两轴间的 8mm 长度内以圆弧连接(即L=8mm),求圆角半径 R 为多少?例 4 要加工一个正三角形冲模的冲头 ,三角形边长是 30mm,如果用圆形工具钢来加工,问该用多大直径的圆料?图 2-1图 2-2图 2-3例 5 图 2-4 中的两孔距离 c=80mm,横向距离 a=50mm,求算纵向距离 b 为多少? 6 一圆锥体底圆直径 D=100mm,垂直高 h=140mm,问斜高 L 为多少?例 7 一截圆锥体上直径 d=200mm,下底直径 D=320mm,垂直高h=210mm,求算它的斜高 L 为多少?例 8 图 2-5a 所示的工件图形,求算角度a 。 图 中 , C 点 是 R2 的 中 心 ( 图 2-5b),D 是圆弧和直线切点,联 AC 得到两个直角三角形 ABC 和 ACD。例9图 2-6a 所示的工件图形,求算角 a 时,见图 2-6b。图中,A 和C 是两个圆弧的中心,E 和 F 是图 2-4图 2-5 图形角度计算(一)a)工作图形 b)计算图形切点,作 CD//EF 计算 例 10 图 2-7a 所示的工件图形,计算角度a时,见图 2-7b。例 11 图 2-8a 所示的工件图形,求算高度h 时,见图 2-8b。图 2-6 图形角度计算(二)a)工作图形 b)计算图形图 2-7 图形角度计算(三)a)工作图形 b)计算图形例 12 图 2-9a 所示的工件图形,求算直径 d 时,见图 2-9b。例 13 图 2-10 所示的工件图形,要求算出圆弧 R30 所对的圆心角 α 时,按对应边互相垂直等角定理。例 14 图 2-11 所示的工...

1、当您付费下载文档后,您只拥有了使用权限,并不意味着购买了版权,文档只能用于自身使用,不得用于其他商业用途(如 [转卖]进行直接盈利或[编辑后售卖]进行间接盈利)。
2、本站所有内容均由合作方或网友上传,本站不对文档的完整性、权威性及其观点立场正确性做任何保证或承诺!文档内容仅供研究参考,付费前请自行鉴别。
3、如文档内容存在违规,或者侵犯商业秘密、侵犯著作权等,请点击“违规举报”。

碎片内容

机械工人常用计算方法示例

文泉书屋+ 关注
实名认证
内容提供者

热爱教学事业,对互联网知识分享很感兴趣

相关文档

确认删除?
VIP
微信客服
  • 扫码咨询
会员Q群
  • 会员专属群点击这里加入QQ群
客服邮箱
回到顶部