电脑桌面
添加小米粒文库到电脑桌面
安装后可以在桌面快捷访问

公路隧道施工安全风险评估报告VIP专享VIP免费

公路隧道施工安全风险评估报告_第1页
1/12
公路隧道施工安全风险评估报告_第2页
2/12
公路隧道施工安全风险评估报告_第3页
3/12
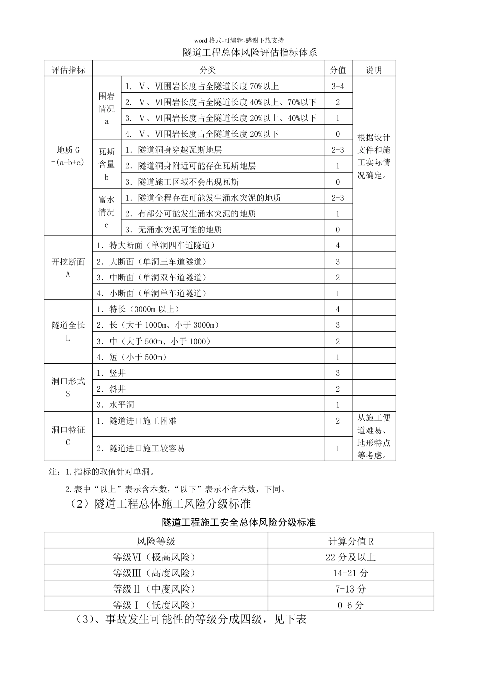
word 格式-可编辑-感谢下载支持 隧道施工安全风险评估报告 一、编制依据 1、《公路桥梁和隧道工程施工安全风险评估试行》交质监发【2011】217号。 2、《高速公路施工合同段合同文件》、施工图纸及技术规范。 3、交通部颁发的《公路工程国内招标文件范本(2009 年版)》、《标准施工招标文件(2007 年版)》、现行《公路工程技术标准》、现行《公路隧道施工技术规范》、现行《公路工程施工安全技术规程》等相关规范。 4、现行《公路施工手册》、现行《工程建设标准强制性条文·公路工程部分》。 5、现场踏勘调查、搜集的实地资料。 6、我单位在类似工程中的施工经验和相关工程的技术总结、工法成果等。 7、依据以上文件、规范、标准及工程实地勘察情况,结合我公司现有技术装备、施工能力、管理水平,以及多年从事复杂地形地质条件隧道施工的丰富经验,并针对本工程施工特点,以“保质量、保工期、保安全、创精品”为目标,编制本实施性施工组织设计。 二、工程概况 1、隧道工程概况 王家沟隧道位于***内,隧道为双洞四车道,采用左右线分离式布设,其中左线隧道长度为2957m,起止里程为ZK33+539~ZK36+496,右线隧道长度为2984m,起止里程为K33+504~K36+488,属全线重点控制性工程。 隧道设有行车通道3处,人行通道8处。 2、工程地质概况 (1)、地层岩性 隧址内范围出露地由老到新寒武系崮山组、奥陶系冶里组、第三系上新统静乐组、第四系上更新统马兰组地层;各组段地层岩性特征及分布如下: 寒武系崮山组、奥陶系冶里组岩性主要为石灰岩,岩性变化相对较小,地貌上表现为中缓坡。工程性质较好。 第三系上新统静乐组岩性岩性为粉质粘土,褐红色,可塑~凝塑,土质均匀,局部夹卵石土透镜体,工程性质相对较差。 第四系上更新统马兰组地层岩性主要为粉土,褐黄色,含少量小钙质结核,土质均匀,工程性质较差。 (2)、围岩级别划分 隧道围岩级别划分统计表 word 格式-可编辑-感谢下载支持 围岩级别 Ⅲ Ⅳ Ⅴ 总长(m) 右线围岩长度(m) 1580 1110 294 2984 所占比列 52.95% 37.2% 9.85% 左线围岩长度(m) 1620 1040 297 2957 所占比列 54.79% 35.17% 10.04% (3)、不良地质及特殊岩土 本隧道不良地质主要为隧道出口洞口地层为浅埋黄土段。 隧道出口洞口位于黄土覆盖的基岩中陡坡上,洞口段围岩及洞口边坡主要由强风化奥陶系冶里组石灰岩和第四系山更新统马兰组粉土组成。 洞口段黄土结构较松散...

1、当您付费下载文档后,您只拥有了使用权限,并不意味着购买了版权,文档只能用于自身使用,不得用于其他商业用途(如 [转卖]进行直接盈利或[编辑后售卖]进行间接盈利)。
2、本站所有内容均由合作方或网友上传,本站不对文档的完整性、权威性及其观点立场正确性做任何保证或承诺!文档内容仅供研究参考,付费前请自行鉴别。
3、如文档内容存在违规,或者侵犯商业秘密、侵犯著作权等,请点击“违规举报”。

碎片内容

公路隧道施工安全风险评估报告

确认删除?
VIP
微信客服
  • 扫码咨询
会员Q群
  • 会员专属群点击这里加入QQ群
客服邮箱
回到顶部