电脑桌面
添加小米粒文库到电脑桌面
安装后可以在桌面快捷访问

筏板砖胎模施工方案VIP免费

筏板砖胎模施工方案_第1页
1/7
筏板砖胎模施工方案_第2页
2/7
筏板砖胎模施工方案_第3页
3/7
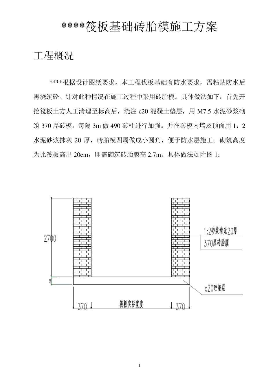
目录 工程概况 ................................................................................................................. 1 砖胎膜砌筑 ............................................................................................................. 2 1 工艺流程 ...................................................................................................................................... 2 2 砖胎模砌筑 .................................................................................................................................. 2 3 质量要求 ...................................................................................................................................... 2 3 .1 主控项目留槎的作法必须符合施工规范的规定 ..................................................................... 2 3 .2 一般项目 .................................................................................................................................... 3 3 .3 允许偏差 .................................................................................................................................... 3 砖胎膜施工注意事项: ......................................................................................... 3 1 抹灰 ............................................................................................................................................... 4 2 砖胎模侧土体回填........................................................................................................................ 4 工程质量保证措施 ................................................................................................. 5 1 基本要求 ....................................................................................................................................... 5 2 施工保证措施 ............................................................................................................................... 5 3 质量保证体...

1、当您付费下载文档后,您只拥有了使用权限,并不意味着购买了版权,文档只能用于自身使用,不得用于其他商业用途(如 [转卖]进行直接盈利或[编辑后售卖]进行间接盈利)。
2、本站所有内容均由合作方或网友上传,本站不对文档的完整性、权威性及其观点立场正确性做任何保证或承诺!文档内容仅供研究参考,付费前请自行鉴别。
3、如文档内容存在违规,或者侵犯商业秘密、侵犯著作权等,请点击“违规举报”。

碎片内容

筏板砖胎模施工方案

小辰9+ 关注
实名认证
内容提供者

出售各种资料和文档

确认删除?
VIP
微信客服
  • 扫码咨询
会员Q群
  • 会员专属群点击这里加入QQ群
客服邮箱
回到顶部