电脑桌面
添加小米粒文库到电脑桌面
安装后可以在桌面快捷访问

中联180T吊车参数VIP免费

中联180T吊车参数_第1页
1/11
中联180T吊车参数_第2页
2/11
中联180T吊车参数_第3页
3/11
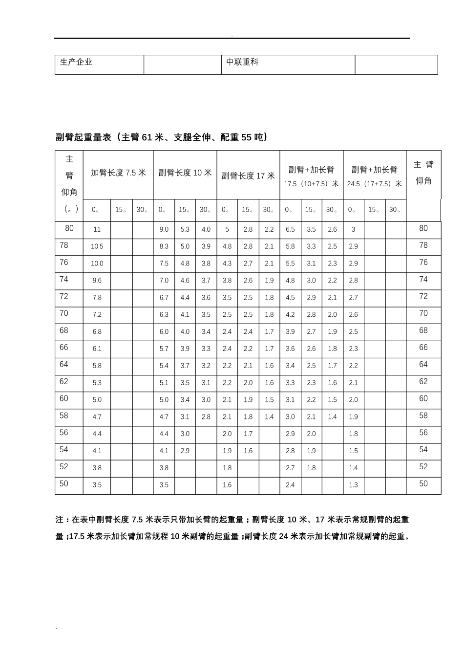
. . 中 联 牌 ZLJ5663JQZ150H 汽 车 起 重 机 产 品 介 绍 书 QAY180 长 沙 中 联 重 科 工 程 起 重 机 公 司 . . 主要性能参数 项 目 单 位 数 值 备 注 最大额定总起重量 Kg 180000 最大起重力矩 Kn.m 6480 13.8m 臂长,9m 幅度 主臂最大起升高度 m 62.6 不考虑吊臂变形括号内数值为加上加长臂的值 副臂最大起升高度 m 72.7/79.7(87) 单绳最大速度 m/min 128 第四层 起重臂伸出时间 s ≥450 起重臂起臂时间 s ≥80 回转速度 r/min ≤1.5 最高行驶速度 Km/h 72 最大爬坡度 % 50 最小转弯半径 m 12 最小离地间隙 mm 305 尾气排放限值 国Ⅲ 百公里油耗 L ≤85 行驶状态自重(总质量) kg 71200 整车整备质量 kg 71000 每桥轴荷 kg 11866.7 外形尺寸(长×宽 ×高) mm 16984×3000×3960 支 腿 横 向 跨 越 距 m 8.8 支 腿 纵 向 跨 越 距 m 8.8 主臂长 m 13.8~ 61 主臂仰 角 0 -0.5~ 83 副臂长 m 10、 17 副臂+加长臂 m 7.5、 17.5、 24 副臂安 装 角 0 0、 15、 30 型 号 ZLJ5720 类 别 二 类 . . 副 臂 起 重 量 表 ( 主 臂 61 米 、 支 腿 全 伸 、 配 重 55 吨 ) 主 臂 仰 角( 。 ) 加 臂 长 度 7.5 米 副 臂 长 度 10 米 副 臂 长 度 17 米 副 臂 +加 长 臂17.5( 10+7.5) 米 副 臂 +加 长 臂24.5( 17+7.5) 米 主 臂 仰 角 0。 15。 30。 0。 15。 30。 0。 15。 30。 0。 15。 30。 0。 15。 30。 80 11 9.0 5.3 4.0 5 2.8 2.2 6.5 3.5 2.6 3 80 78 10.5 8.3 5.0 3.9 4.8 2.8 2.1 5.8 3.3 2.5 2.9 78 76 10.0 7.5 4.8 3.8 4.3 2.7 2.1 5.5 3.1 2.3 2.9 76 74 9.6 7.0 4.6 3.7 3.8 2.6 1.9 4.8 3.0 2.2 2.8 74 72 7.8 6.7 4.4 3.6 3.5 2.5 1.8 4.5 2.9 2.1 2.7 72 70 7.2 6.3 4.1 3.5 2.5 2.5 1.8 4.2 2.8 2.0 2.6 70 68 6.8 6.0 4.0 3.4 2.4 2.4 1.7 3.9 2.7 1.9 2.5 68 66 6.1 5.7 3.9 3.3 2.4 2.2 1.7 3.6 2.6 1.8 2.3 66 64 5.8 5.4 3.7 3.2 2.2 2.1 1.6 3.4 2.5 1.7 2.2 64 62 5.3 5.1 3.5 3.1 2.2 2.0 1.6 3.3 2.3 1.6 2.1 62 60 5.0 5...

1、当您付费下载文档后,您只拥有了使用权限,并不意味着购买了版权,文档只能用于自身使用,不得用于其他商业用途(如 [转卖]进行直接盈利或[编辑后售卖]进行间接盈利)。
2、本站所有内容均由合作方或网友上传,本站不对文档的完整性、权威性及其观点立场正确性做任何保证或承诺!文档内容仅供研究参考,付费前请自行鉴别。
3、如文档内容存在违规,或者侵犯商业秘密、侵犯著作权等,请点击“违规举报”。

碎片内容

中联180T吊车参数

您可能关注的文档

确认删除?
VIP
微信客服
  • 扫码咨询
会员Q群
  • 会员专属群点击这里加入QQ群
客服邮箱
回到顶部