电脑桌面
添加小米粒文库到电脑桌面
安装后可以在桌面快捷访问

农村生活污水处理项目建设和投资指南VIP免费

农村生活污水处理项目建设和投资指南_第1页
1/13
农村生活污水处理项目建设和投资指南_第2页
2/13
农村生活污水处理项目建设和投资指南_第3页
3/13
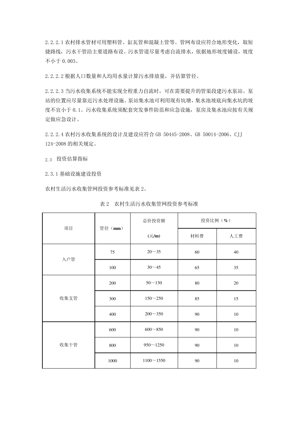
农村生活污水处理项目建设与投资指南 环 境 保 护 部 发布 前言 为防治污染、保护环境,指导农村环境整治工作,确保工作成效,制定本指南。 本指南为指导性文件,可作为农村生活污水处理项目建设与投资的参考依据。 本指南由环境保护部规划财务司提出,由科技标准司组织制订。 本指南起草单位:天津市环境保护科学研究院,北京国环清华环境工程设计研究院有限公司。 本指南2013 年 11 月 11 日由环境保护部批准、发布。 本指南由环境保护部解释。 1 总则 1.1 适用范围 本指南适用于农村地区生活污水处理项目。 1.2 术语与定义 农村生活污水指农村地区居民生活所产生的污水,主要来源于冲厕、炊事、洗衣、洗浴、清扫等生活行为产生的污水。 1.3 规范性引用文件 制定本指南主要参考了以下文件,包括: (1)《农村生活污染防治技术政策》(环发〔2010〕20 号) (2)《村庄整治技术规范》(GB 50445-2008) (3)《室外排水设计规范》(GB 50014-2006) (4)《城镇污水处理厂污染物排放标准》(GB 18918-2002) (5)《镇(乡)村排水工程技术规程》(CJJ 124-2008J 124-2008) (6)《农村生活污染控制技术规范》(HJ 574-2010) (7)《农用污泥中污染物控制标准》(GB 4284-1984) (8)《城市污水处理厂污水污泥排放标准》(CJ 3025-1993) (9)《城市污水再生利用农田灌溉用水水质》(GB 20922-2007) (10)《人工湿地污水处理工程技术规范》(HJ 2005-2010) (11)《生活污水净化沼气池技术规范》(NY/T 1702-2009) (12)《分地区农村生活污水处理技术指南》(建村〔2010〕149 号) (13)《城镇污水处理厂污泥处理处置技术指南(试行)》(建科[2011]34 号) 2 农村生活污水收集项目 2.1 概述 2.1.1 污水收集模式应综合考虑当地的人口分布、污水水量、经济发展水平、环境特点、气候条件、地理状况,以及当地已有的排水体制、排水管网现状等确定。 2.1.2 应根据村落和农户的分布,因地制宜地规划排水系统和污水处理系统,尽量避免长距离排水管道的建设。 2.1.3 污水收集系统建设投资与污水处理厂(站)建设投资的比例原则上不超过2.5:1。 2.2 建设内容 2.2.1 水量的确定 农村生活污水排放量应按生活用水量的40%~90%计算。农村生活用水量应结合当地居民的用水现状、生活习惯、经济条件等情况酌情确定,或依据当地水行政主管部门发布的用水量标准取值。有计量条件的应...

1、当您付费下载文档后,您只拥有了使用权限,并不意味着购买了版权,文档只能用于自身使用,不得用于其他商业用途(如 [转卖]进行直接盈利或[编辑后售卖]进行间接盈利)。
2、本站所有内容均由合作方或网友上传,本站不对文档的完整性、权威性及其观点立场正确性做任何保证或承诺!文档内容仅供研究参考,付费前请自行鉴别。
3、如文档内容存在违规,或者侵犯商业秘密、侵犯著作权等,请点击“违规举报”。

碎片内容

农村生活污水处理项目建设和投资指南

小辰9+ 关注
实名认证
内容提供者

出售各种资料和文档

确认删除?
VIP
微信客服
  • 扫码咨询
会员Q群
  • 会员专属群点击这里加入QQ群
客服邮箱
回到顶部