电脑桌面
添加小米粒文库到电脑桌面
安装后可以在桌面快捷访问

冷作(铆工)通用工艺VIP免费

冷作(铆工)通用工艺_第1页
1/20
冷作(铆工)通用工艺_第2页
2/20
冷作(铆工)通用工艺_第3页
3/20
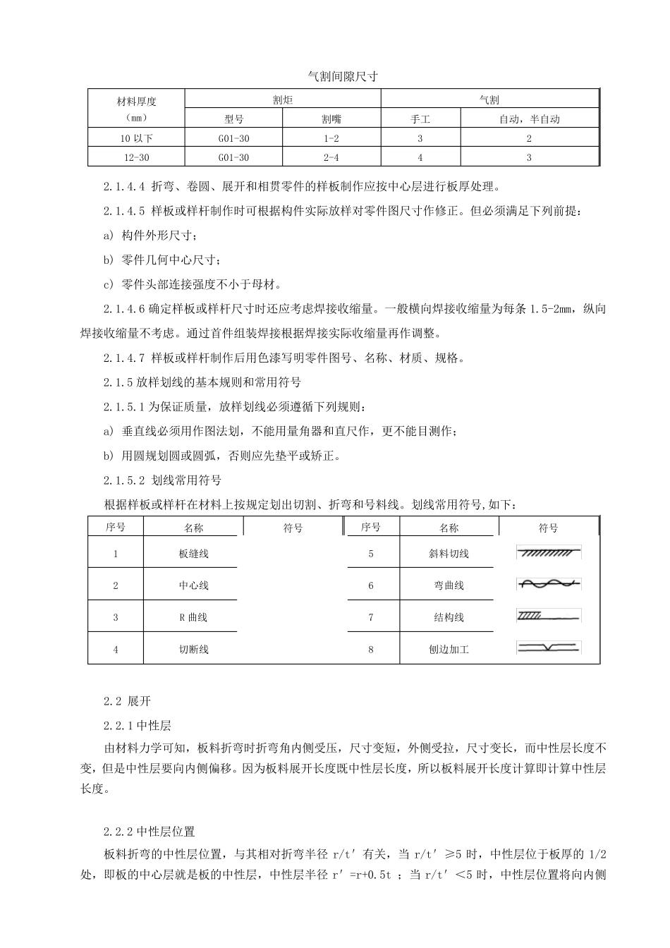
二、冷作(铆工)通用工艺 1 范围 本守则规定了冷作(铆工)加工的工艺规划,适用于本公司的冷作加工。 引用规范:JB/T 5109-2001 金属板料压弯工艺设计规范 2 放样与展开 2.1 放样 构件放样是冷作加工的第一道工序。通过对构件进行放样,确定各零件的实际尺寸后才能进行下料、加工成形、组装和焊接等工序。 2.1.1 准备工作 构件放样原则上在放样工作台上进行,对大件放样在垫平的钢板上进行。放样还要求光线充足,放样前准备好手剪刀、划针、粉线、角尺、直尺、圆规和样冲等工具。 2.1.2 放样基准 放样前首先应仔细研究图样,找出放样基准,确定哪些零件尺寸可按已知尺寸直接划出,哪些尺寸要按相关连接条件确定划出。放样基准一般按下列三种类型选择: a) 以两个互相垂直的平面为基准 b) 以两条中心线为基准 c) 以一个平面和一条中心线为基准 2.1.3 放样程序 放样时首先划基准线,再划其他直线、弧线、相贯线。 2.1.4 样板和样杆的制作 2.1.4.1 构件放样后应制作样板或样杆,样板一般用0.5-2mm 钢板制作,样杆一般用扁钢、角钢、圆钢制作。样板按用途有三种: a) 划线(号料)样板:用于零件号料,切口,开洞,展开等; b) 弯曲样板:用于零件折弯,卷圆时的找正 等; c) 检 验 样板:用于零件成型后的检 查 。 2.1.4.2 对于零件以中心线对称 的,划线(号料)样板应在中心线两端 剪出三角切口用于在工件上划中心线;对在零件中要开孔 ,精 度 要求不 高 的在孔 中心所 在位 置 样板上打 上样冲眼 ,对精 度 要求高 的在孔 中心所 在位 置 样板上钻 上 2-3mm 孔 用于在工件上打 样冲眼 。 2.1.4.3 为保 证 零件下料尺寸,在样板或样杆制作时应处 理 切(割 )缝 。对剪切下料的一般不 放剪切余 量 ,但 对剪切下料后需 铣 或刨 边 要留 3-4mm 加工余 量 ;气 割 下料会 产 生 割 缝 ,沿 线外 气 割 的不 留 气割 余 量 ,沿 线中心气 割 的应留 气 割 余 量 ,气 割 间 隙 见 下表 。此 外 ,气 割 下料后需 铣 ,刨 边 的还应留 3-4m铣 或刨 加工余 量 。 气 割 间 隙 尺 寸 材 料 厚 度 ( mm) 割 炬 气 割 型 号 割 嘴 手 工 自 动 , 半 自 动 10 以 下 G01-30 1-2 3 2 12-30 G01-30 2-4 4 3 2.1.4.4 折 弯 、 卷 圆 、 展 开 和 相 贯 零...

1、当您付费下载文档后,您只拥有了使用权限,并不意味着购买了版权,文档只能用于自身使用,不得用于其他商业用途(如 [转卖]进行直接盈利或[编辑后售卖]进行间接盈利)。
2、本站所有内容均由合作方或网友上传,本站不对文档的完整性、权威性及其观点立场正确性做任何保证或承诺!文档内容仅供研究参考,付费前请自行鉴别。
3、如文档内容存在违规,或者侵犯商业秘密、侵犯著作权等,请点击“违规举报”。

碎片内容

冷作(铆工)通用工艺

小辰+ 关注
实名认证
内容提供者

出售各种文档和资料

确认删除?
VIP
微信客服
  • 扫码咨询
会员Q群
  • 会员专属群点击这里加入QQ群
客服邮箱
回到顶部