电脑桌面
添加小米粒文库到电脑桌面
安装后可以在桌面快捷访问

地质勘查资质分类分级标准VIP免费

地质勘查资质分类分级标准_第1页
1/8
地质勘查资质分类分级标准_第2页
2/8
地质勘查资质分类分级标准_第3页
3/8
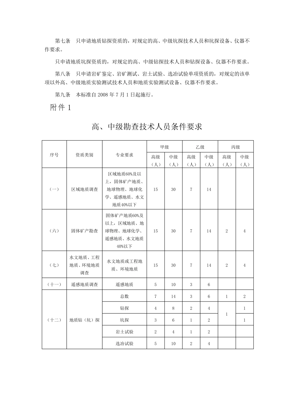
地质勘查资质分类分级标准 第一条 为科学合理地对地质勘查资质进行分类分级,根据《地质勘查资质管理条例》(国务院令第520 号)的有关规定,制定本标准。 第二条 勘查技术人员主要包括高、中级勘查技术人员的专业和数量。 (一)高、中级勘查技术人员为单位在编或在册的,事业单位的与其上级主管部门认定的本年度在编或在册“单位职工花名册”一致,企业单位的与其本年度“单位职工花名册”一致。高、中级勘查技术人员须为全职聘用,且仅受聘于该技术人员所在资质申请单位。 (二)申请地质勘查资质时,高、中级勘查技术人员男性年龄不大于 60 周岁,女性年龄不大于 55 周岁。 (三)高、中级勘查技术人员具有省部级人事部门颁发或认可(省部级人事部门批准的厅局级人事部门颁发)的专业技术职称/职务资格证书或批准文件。 (四)高、中级勘查技术人员的专业技术职称/职务资格证书或批准文件未填写专业名称、专业名称不明确的,以勘查技术人员的主要勘查工作经历及业绩认定。 (五)高、中级勘查技术人员取得多个专业技术职称/职务资格证书的,在申请地质勘查资质时,只能使用其中一个专业。 (六)同一单位申请多项资质类别时,同一专业的高、中级勘查技术人员可以重复计算。 高、中级勘查技术人员不同地质勘查资质类别和资质等级的具体标准与条件见附件 1. 第三条 勘查设备、仪器主要包括种类、数量和技术参数。 (一)规定配备的勘查设备、仪器,须出具购置 发票 或调 拨 单; 允 许 租 赁 的勘查设备、仪器,应 出具租 赁 合同等证明材 料 。 (二)替 代 规定配备的勘查设备、仪器,应 出具相 应 的说 明书等证明材 料 。 (三)同一单位申请多项资质类别时,同一勘查设备、仪器可以重复计算。 勘查设备、仪器不同地质勘查资质类别和资质等级的具体标准与条件见附件 2. 第四条 质量管理体系 主要包括管理机 构 、管理制度、质量体系 认证和勘查质量等。 质量管理体系 不同地质勘查资质类别和资质等级的具体标准与条件见附件 3. 第五条 安 全生 产 管理体系 主要包括管理机 构 和管理制度。 安 全生 产 管理体系 不同地质勘查资质类别和资质等级的具体标准与条件见附件 4. 第六条 只申请海 洋 石 油 天 然 气 矿 产 勘查资质的,对规定的陆 地石 油 天 然 气 矿 产 勘查的高、中级勘查技术人员和勘查设备、仪器不作要求 。 只申请陆 地石 油 ...

1、当您付费下载文档后,您只拥有了使用权限,并不意味着购买了版权,文档只能用于自身使用,不得用于其他商业用途(如 [转卖]进行直接盈利或[编辑后售卖]进行间接盈利)。
2、本站所有内容均由合作方或网友上传,本站不对文档的完整性、权威性及其观点立场正确性做任何保证或承诺!文档内容仅供研究参考,付费前请自行鉴别。
3、如文档内容存在违规,或者侵犯商业秘密、侵犯著作权等,请点击“违规举报”。

碎片内容

地质勘查资质分类分级标准

您可能关注的文档

确认删除?
VIP
微信客服
  • 扫码咨询
会员Q群
  • 会员专属群点击这里加入QQ群
客服邮箱
回到顶部