电脑桌面
添加小米粒文库到电脑桌面
安装后可以在桌面快捷访问

地质灾害危险性评估技术规范VIP免费

地质灾害危险性评估技术规范_第1页
1/9
地质灾害危险性评估技术规范_第2页
2/9
地质灾害危险性评估技术规范_第3页
3/9
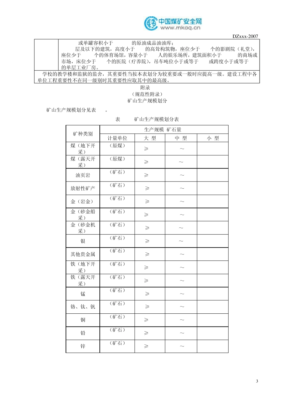
DZxxx-2007 1 中华人民共和国地质矿产行业标准 DZ×××-2008 地质灾害危险性评估技术规范 Technical Code for Assessment of geological Hazard (试行) 2 0 0 8 -××-××发布 2 0 0 8 -××-××实施 中华人民共和国国土资源部 发布 DZxxx-2007 2 附录A (规范性附录) 建议项目重要性分类 建设项目重要性分类见表A.1。 表A.1 建设项目重要性分类表 项 目 重要性a 类 型 重要 军事设施,人防指挥中心,国家级自然、文化遗产; 高速公路,一级公路,铁路,主体工程中高度大于15m的土质边坡工程或高度大于30m的岩质边坡工程,年输油能力大于600×104t或长度大于120km的输油管道,年输气能力大于2.5×108m3或长度大于120km的输气管道; 互通式立交桥,总长大于或等于200m或单孔跨径大于或等于50m的公路桥,多孔跨径总长大于或等于100m或单孔跨径大于或等于40m的市政桥梁; 放射性设施,核电站,机场,库容大于或等于1×108m3的水库,单机容量大于或等于120MW的火力发电厂,装机容量大于或等于300MW的水电厂,电压高于或等于330kV的变电站或送电工程,日供水量大于或等于20×104m3的给水工程,日处理能力大于或等于20×104m3的给水工程,日处理能力大于或等于10×104m3的排水工程,日处理能力大于或等于8000kN的生活垃圾卫生填埋工程,总容积大于或等于80000m3或单罐容积大于或等于20000m3的原油成品油油库,总容积大于或等于15000m3或单罐容积大于或等于5000m3的天然气库; 31层及以上高层建筑,高度大于100m的高耸构筑物,座位达到或超过 1500个的大型影剧院(礼堂),座位达到或超过 5000个的体育场馆,容量达到或超过 1000人的娱乐场所,建筑面积大于或等于5000m2的商场或市场,床位达到或超过 300个的医院(疗养院),吊车吨位大于30t或跨度大于24m的单层工业厂房,跨度大于12m的多层工业厂房; 较重要 省级自然、文化遗产; 城市主要干道、二级公路,主体工程中高度为 8-15m的土质边坡工程或高度为 15-30m的岩质边坡工程,年输油能力小于或等于600×104t或长度小于或等于120km的输油管道,年输气能力小于或等于2.5×108m3或长度小于或等于120km的输气管道; 总长小于200m但大于30m或单孔跨径小于50m但大于或等于20m的公路桥,多孔跨径总长 30m~100m或单孔跨径 30m~40m的市政桥梁; 库容(0.1~1)×108m3的水库,单机容量 30MW~120MW的火力发电厂,装机容量 50MW~300MW的水...

1、当您付费下载文档后,您只拥有了使用权限,并不意味着购买了版权,文档只能用于自身使用,不得用于其他商业用途(如 [转卖]进行直接盈利或[编辑后售卖]进行间接盈利)。
2、本站所有内容均由合作方或网友上传,本站不对文档的完整性、权威性及其观点立场正确性做任何保证或承诺!文档内容仅供研究参考,付费前请自行鉴别。
3、如文档内容存在违规,或者侵犯商业秘密、侵犯著作权等,请点击“违规举报”。

碎片内容

地质灾害危险性评估技术规范

小辰9+ 关注
实名认证
内容提供者

出售各种资料和文档

确认删除?
VIP
微信客服
  • 扫码咨询
会员Q群
  • 会员专属群点击这里加入QQ群
客服邮箱
回到顶部