电脑桌面
添加小米粒文库到电脑桌面
安装后可以在桌面快捷访问

15CCC认证音视频设备产品检测收费标准VIP免费

15CCC认证音视频设备产品检测收费标准_第1页
1/17
15CCC认证音视频设备产品检测收费标准_第2页
2/17
15CCC认证音视频设备产品检测收费标准_第3页
3/17
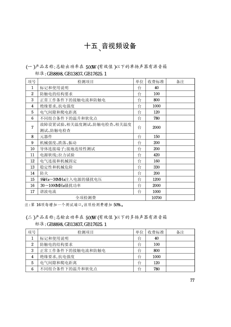
十五 音视频设备一产品名称总输出功率在 有效值以下的单扬声器有源音箱标准项号检测项目单位收费标准备注标记和使用说明台防触电的结构要求台正常工作条件下的接触电流和防触电台绝缘要求抗电强度台电气间隙和爬电距离台不同组合条件下的温升和软化点台故障设置试验 相关温度测试 防触电检查 相关温度测试 防触电检查台元器件台机械强度 跌落 振动台导体连接端子 接地连续性测试台电源软线 拉力试验台电气连接和机械固定台稳定性和机械危险台防火台注入电源的骚扰电压台骚扰功率台谐波电流台全项检测费注第项每增加一个测试端口 该项检测费增加二 产品名称总输出功率在 有效值以下的多扬声器有源音箱标准项号检测项目单位收费标准备注标记和使用说明台防触电的结构要求台正常工作条件下的接触电流和防触电台绝缘要求抗电强度台电气间隙和爬电距离台不同组合条件下的温升和软化点台项号检测项目单位收费标准备注故障设置试验相关温度测试防触电检查相关温度测试防触电检查台元器件台机械强度跌落振动台导体连接端子接地连续性测试台电源软线拉力试验台电气连接和机械固定台稳定性和机械危险台防火台注入电源的骚扰电压台骚扰功率台谐波电流台全项检测费注第项每增加一个测试端口 该项检测费增加三产品名称功率放大器标准项号检测项目单位收费标准备注标记和使用说明台防触电的结构要求台正常工作条件下的接触电流和防触电台绝缘要求抗电强度台电气间隙和爬电距离台不同组合条件下的温升和软化点台故障设置试验相关温度测试防触电检查台元器件台机械强度跌落振动台导体连接端子接地连续性测试台电源软线拉力试验台电气连接和机械固定台稳定性和机械危险台防火台注入电源的骚扰电压台骚扰功率台谐波电流台全项检测费注第项每增加一个测试端口 该项检测费增加四产品名称调谐器标准项号检测项目单位收费标准备注标记和使用说明台防触电的结构要求台正常工作条件下的接触电流和防触电台绝缘要求抗电强度 浪涌台电气间隙和爬电距离台不同组合条件下的温升和软化点台故障设置试验 相关温度测试 防触电检查台元器件台机械强度 跌落 振动台导体连接端子 接地连续性测试台电源软线 拉力试验台电气连接和机械固定台稳定性和机械危险台防火台注入电源的骚扰电压台天线端骚扰电压台本振和中频辐射骚扰场强辐射骚扰场强台谐波电流台全项检测费五 产品名称收音机 收录机标准项号检测项目单位收费标准备注标记和使用说明台防触电的结构要求...

1、当您付费下载文档后,您只拥有了使用权限,并不意味着购买了版权,文档只能用于自身使用,不得用于其他商业用途(如 [转卖]进行直接盈利或[编辑后售卖]进行间接盈利)。
2、本站所有内容均由合作方或网友上传,本站不对文档的完整性、权威性及其观点立场正确性做任何保证或承诺!文档内容仅供研究参考,付费前请自行鉴别。
3、如文档内容存在违规,或者侵犯商业秘密、侵犯著作权等,请点击“违规举报”。

碎片内容

15CCC认证音视频设备产品检测收费标准

小辰8+ 关注
实名认证
内容提供者

出售各种资料和文档

相关文档

确认删除?
VIP
微信客服
  • 扫码咨询
会员Q群
  • 会员专属群点击这里加入QQ群
客服邮箱
回到顶部