电脑桌面
添加小米粒文库到电脑桌面
安装后可以在桌面快捷访问

1-金源丽都小区3.4.5号楼木模板工程施工方案实例VIP免费

1-金源丽都小区3.4.5号楼木模板工程施工方案实例_第1页
1/22
1-金源丽都小区3.4.5号楼木模板工程施工方案实例_第2页
2/22
1-金源丽都小区3.4.5号楼木模板工程施工方案实例_第3页
3/22
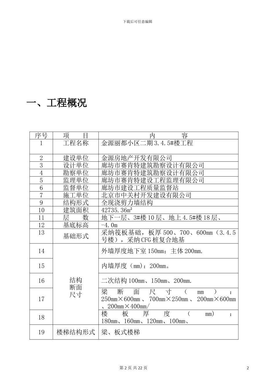
下载后可任意编辑目 录一、工程概况..............................................................................................2二、编制依据:..........................................................................................3三、施工准备..............................................................................................4四、构造要求及技术措施..........................................................................4五、安全措施............................................................................................18第 1 页 共 22 页1下载后可任意编辑一、工程概况序号项 目内 容1工程名称金源丽都小区二期 3.4.5#楼工程2建设单位金源房地产开发有限公司3设计单位廊坊市赛肯特建筑勘察设计有限公司4勘察单位廊坊市赛肯特建筑勘察设计有限公司5监理单位廊坊市赛肯特建设工程监理有限公司6监督单位廊坊市建设工程质量监督站7施工单位北京市中关村开发建设有限公司9结构形式全现浇剪力墙结构10建筑面积42735.36m²11层 数地下一层、3#楼 10 层、地上 4.5#楼 18 层、12基底标高-4.0m13基础形式采纳筏板基础,板厚 500、700、600mm(3.4.5号楼),采纳 CFG 桩复合地基 14结构断面尺寸外墙厚度地下室 150mm:主体 200mm.15内墙厚度(mm):200mm。16二次结构 100mm、150mm、200mm.17梁断面尺寸(mm):250mm×600mm 、 700mm×250mm 、 200mm×600mm、200mm×400mm/18楼板厚度(mm):180mm、160mm、120mm、100mm、19楼梯结构形式梁、板式楼梯第 2 页 共 22 页2下载后可任意编辑二、编制依据: 1、施工图纸图纸名称图 纸 内 容设 计 单 位建筑图建 1-1~36廊坊市赛肯特建筑勘察设计有限公司结构图结 1-1~45廊坊市赛肯特建筑勘察设计有限公司2、主要标准、规程序号法律规范、规程名称法律规范编号1混凝土结构工程施工质量验收法律规范GB50204-20242建筑工程施工质量验收统一标准GB50300-20013、施工组织设计施 组 名 称编 制 日 期编制人3.4.5 号楼等 5 项工程施工组织设计2024.04.胡毅4、因本工程场地比较狭小,在进行结构施工阶段,根据平面布置地下车库位置作为木工加工场地及模板堆放场地,经过与建设单位及监理单位进行协商沟通并实地考察后确定 3.4.5 号楼全部采纳木模板进行施工。三、施工准备1、技术准备 项目部组织技术、...

1、当您付费下载文档后,您只拥有了使用权限,并不意味着购买了版权,文档只能用于自身使用,不得用于其他商业用途(如 [转卖]进行直接盈利或[编辑后售卖]进行间接盈利)。
2、本站所有内容均由合作方或网友上传,本站不对文档的完整性、权威性及其观点立场正确性做任何保证或承诺!文档内容仅供研究参考,付费前请自行鉴别。
3、如文档内容存在违规,或者侵犯商业秘密、侵犯著作权等,请点击“违规举报”。

碎片内容

1-金源丽都小区3.4.5号楼木模板工程施工方案实例

确认删除?
VIP
微信客服
  • 扫码咨询
会员Q群
  • 会员专属群点击这里加入QQ群
客服邮箱
回到顶部